Расчет параметров выпрямительных устройств
Любые упражнения по изучению электротехники необходимо начинать с проработки лекционного материала и соответствующего раздела в учебнике. Следует также выучить правила составления уравнений и свойств соединений элементов схем.
СЕМИНАР 11
Расчет параметров выпрямительных устройств
Задача 1
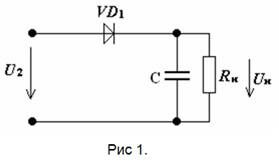
В однополупериодном выпрямителе с емкостным фильтром рис 1, рассчитать Uнср и Uобрмакс, если Сф = ∞, U2 = 150 В, частота напряжения сети 50 Гц, Rн = 2 кОм, построить временную диаграмму выпрямителя.

| Решение: Сф = ∞, следовательно р = 0 Рекомендуемые материалы-50% Электростатика + Магнитостатика -50% Электростатика + Магнитостатика -50% Электростатика + Магнитостатика -25% Электростатика + Магнитостатика -50% Электростатика + Магнитостатика -50% Растяжение — сжатие, Кручение Uнср =√2·U2 / (1 + р) = 212 В Iнср = Uнср/ Rн = 212 / 2000 = 0,106 А Iпрд = Iнср = 0,106 А Uобр макс = 2√2·U2 = 424 В |
|
Задача 2
В двухполупериодной мостовой схеме выпрямителя с фильтром, напряжение на вторичной обмотке трансформатора U2 = 150 В. Частота напряжения сети 50 Гц, Rн = 2 кОм, при условии, что емкость фильтра равна ∞. Определить среднее значение выпрямленного напряжения Uнср, значения: Iпрд , Iнср, Uобрмакс, коэффициент пульсаций?
Решение:
Сф = ∞, следовательно, р = 0
Uнср =√2·U2 / (1 + р) = 212 В
Iнср = Uнср/ Rн = 212 / 2000 = 0,106 А
Uобр макс = √2·U2 = 212 В
Задача 3
Определите емкость конденсатора фильтра Сф в мостовом выпрямителе, если выпрямленное напряжение Uнср = 12 В, ток Iнср = 10 мА, а коэффициент пульсаций не должен превышать 0,05.
Решение:


Задача 4
В однополупериодном выпрямителе с емкостным фильтром рис. 1, напряжение на вторичной обмотке трансформатора U2 = 10 В. Частота напряжения сети 50 Гц, Rн = 1 кОм, Сф = 80 мкФ.
Определить среднее значение выпрямленного напряжения Uнср, Iнср, Uобр макс, коэффициент пульсаций р, построить временные диаграммы.
Решение:

Uнср =√2·U2 / (1 + р) = 14,1/(1 + 0,2) = 11,75 В
Uобр макс = 2√2·U2 = 28,2 В
τразр = С·Rн = 0,05 с
Строим временные диаграммы рис. 3:

Задача 5
В однополупериодном выпрямителе с фильтром рис. 1, напряжение на нагрузке Uнср = 40 В, коэффициент пульсаций не должен превышать 0,05.
С каким Uобрмакс нужно выбрать полупроводниковый диод?
Решение:
Uобрмакс = 2√2·U2,

Uобрмакс = 84 В
Задача 6
Однофазный двухполупериодный управляемый выпрямитель имеет на входе напряжение 150В. Построить временную диаграмму, при угле регулирования 90 градусов. Построить регулировочную характеристику выпрямителя.
Решение:

![]() | |||||||||||
![]() | |||||||||||
![]() | |||||||||||
![]() | |||||||||||
![]() | |||||||||||
![]() | |||||||||||
![]() | |||||||||||
![]() |
7. Соотношение МГП и законов о правах человека - лекция, которая пользуется популярностью у тех, кто читал эту лекцию.
Регулировочная характеристика:

Временные диаграммы:































