Примеры расчетов
3.11 Примеры расчетов
Рассмотрим приведенный выше алгоритм расчета различных систем методом сил на конкретных примерах статически неопределимых балок и плоских рам.
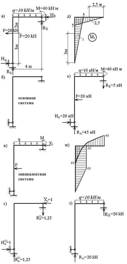
Пример 18. Построить эпюру изгибающих моментов для статически неопределимой балки (рис.36,а).

Рис. 36
Степень статической неопределимости балки:
.
Основная и эквивалентная система приведены на рис.36,б,в. Так выбор основной системы является наиболее рациональным, но не единственным. Можно было, например, заменить жесткую заделку на шарнирнонеподвижную опору; тогда основная система представляла бы собой статически определимую шарнирную балку, а лишняя неизвестная – сосредоточенный момент X, приложенный к левой опоре.
Эпюра изгибающих моментов от внешней нагрузки
(рис.36,д) имеет размерность Кн·м, а единичная эпюра моментов
(рис.36,ж) - м.
Рекомендуемые материалы
Каноническое уравнение метода сил:

Вычисляем коэффициенты
и
, перемножая соответствующие эпюры по правилу Верещагина:

Реакция лишней связи:

Таким образом, исходная статически неопределимая система, загруженная распределенной нагрузкой q, приведена к статически определимой системе (жестко защемленная балка), загруженной распределенной нагрузкой q и сосредоточенной силой
(рис.36, з).
На рис.37,а,б представлены эпюры поперечных сил Q
и изгибающих моментов
для заданной системы.
Отметим, что эпюры Q
и
(рис.37) построены непосредственно методом сечений, причем по условиям задачи построение эпюры Q
не является обязательным. Тем не менее эта эпюра позволила определить сечение, в котором будет экстремум на эпюре
.

Рис. 37
Использование формулы (3.8) в виде:
(3.8)
не дает ответа на вопрос о месте нахождения экстремума и делает правильное построение эпюры
более сложной задачей, требующей определенных навыков.
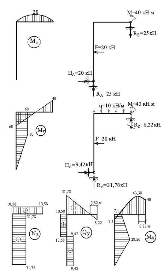
Пример 19. Построить эпюры продольных, поперечных сил и изгибающих моментов для плоской рамы (рис.38,а).
Степень статической неопределимости рамы:

Выбираем основную систему, отбрасывая на правой опоре горизонтальный стержень (рис.38,б), т.е. заменяем шарнирно-неподвижною опору на шарнирно-подвижную. На базе основной системы формируем эквивалентную систему (рис.38,в).
Заменяя реакцию лишней связи соответствующей единичной силой,
(рис. 38,г) строим эпюру моментов
(рис.38,д).
Грузовая эпюра моментов
(рис.38,ж), построенная от одновременного действия всех внешних нагрузок (рис.38,е), является знакопеременной на участке, где действует нагрузка q. Это создает определенные трудности (хотя и не непреодолимые!) при ее перемножении с единичной эпюрой
В связи с этим целесообразно построить две грузовых эпюры – отдельно от нагрузки q (эпюра
) и от совместного действия F и M (эпюра
). Эти варианты нагружения и эпюры представлены на рис.38,з и рис.39,а,б,в.
При таком разбиении внешней нагрузки каноническое уравнение метода сил содержит два грузовых перемещения и имеет вид:

Вычислим коэффициенты канонического уравнения:

Реакция лишних связи:

Эпюры Nz, Qy, Mx для заданной системы, загруженной нагрузками F, M, q и X1 (рис.39,г) представлены на рис.39,д,е,ж.
Как уже говорилось в гл.1, при построении эпюр
и Q в рамах ординаты можно откладывать в любую сторону, но обязательно указывать знаки; а при построении эпюр
знаки можно не указывать, но обязательно откладывать ординаты со стороны сжатых волокон соответствующих элементов.
В обоих рассмотренных примерах универсальная проверка правильности вычисления коэффициентов канонического уравнения и свободных членов не выполнялась, так как балка (пример 18) и рама (пример 19) имеют степень статической неопределимости
, а, значит, суммарная единичная эпюра
(если ее построить) совпадет с единичной эпюрой
. В этом случае можно (и желательно!) проверить правильность выполнения расчета при помощи универсальной кинематической проверки окончательной эпюры моментов
.
Выполним эту проверку для рамы, рассмотренной в последнем примере (рис.38,а). Должно выполняться условие:



Покажем отдельно фрагменты перемножаемых эпюр (рис.38,д и рис.39,ж) для ригеля (рис.40,а,б) и стойки (рис.40,в,г) с указанением всех характерных размеров и соответствующих им ординат. Причем стойка (на рис.40,в,г) показана в горизонтальном положении.
Точка пересечения кривой на ригеле эпюры
с осью (рис.40,б) определяется следующим образом. Обозначим координату произвольного сечения, отсчитываемую от правого конца ригеля, через z, тогда момент
определяется в виде:

Пересечение с осью означает, что в этом сечении
поэтому подставляя числовые значения, для определения z при
получим квадратное уравнение:

откуда
(второй корень этого уравнения лишен физического смысла).

Рис. 38

Рис. 39

следовательно, расчет выполнен правильно.
Перейдем к рассмотрению более сложной системы – рамы с двумя лишними связями, для которой алгоритм расчета, приведенный в параграфе 3.3, можно реализовать в полном объеме.

Рис. 40
Пример 20. Для рамы (рис.41,а) построить эпюры
Выполнить промежуточные и окончательные проверки в соответствии с алгоритмом расчета, указанным в параграфе 3.3.
Заданная рама имеет в опорных закреплениях пять связей: две в опоре 1 и три в опоре 2, следовательно, система дважды статически неопределима:

Основную систему целесообразно выбрать путем удаления шарнирной опоры (рис.41,б). Соответствующая эквивалентная система изображена на рис.41,в.

Рис. 41
Система канонических уравнений:

Для вычисления коэффициентов и свободных членов канонических уравнений строим единичные
рис.41,г,д) и грузовую (
, рис.41, ж,з) эпюры изгибающих моментов, а для выполнения проверок – суммарную единичную эпюру
(рис.41,е).
Коэффициенты системы канонических уравнений вычисляем путем перемножения соответствующих эпюр по правилу Верещагина. При этом обязательно учитываем разную жесткость элементов рамы (E2I – на левой стойке ригеля; EI – на правой стойке).

Для проверки вычисленных коэффициентов при неизвестных и свободных членов канонических уравнений используем суммарную единичную эпюру
(рис. 41,е).
Должны выполняться два условия:
1) 
2) 
Вычисляем величины
и
.
1) 
2) 
таким образом, коэффициенты при неизвестных и свободные члены канонических уравнений вычислены правильно.
Вычисляем реакции лишних связей:


Строим эпюры продольных (Nz) и поперечных (Qy) сил и изгибающих моментов (Мх) для заданной системы с учетом вычисленных реакций лишних связей (рис.43,а-г).
Для выполнения статической проверки необходимо вырезать жесткие узлы рамы 3 и 4 (рис.43,а) и убедиться в справедливости условий равновесия для каждого из них.
Условия равновесия для узла 3 (рис.42,а):

Условия равновесия для узла 4 (рис.42,б):

Таким образом, статическая проверка выполняется.

Рис. 42
Для выполнения кинематической проверки перемножим суммарную единичную эпюру
(рис.41,е) и окончательную эпюру изгибающих моментов Мх (рис.43,г):

следовательно, все проверки метода сил выполняются, и расчет проделан правильно.

Рис. 43
Теперь рассмотрим примеры, иллюстрирующие различные способы использования симметрии.
Пример 21. Построить эпюры Nz, Qy и Mx для симметричной рамы, загруженной несимметричной внешней нагрузкой (рис.44,а).
Заданная рама имеет два замкнутых бесшарнирных контура, следовательно, ее степень статической неопределимости 
Записанная формально, без использования симметрии, система канонических уравнений метода сил имеет вид

Из многих возможных вариантов выбора основной системы наиболее целесообразным, максимально упрощающим расчет, является вариант, представленный на рис.44,б, полученный путем разрезания каждого из ригелей посредине пролета. Так как разрез стержня приводит к появлению трех неизвестных факторов (двух сил и момента), то эквивалентная система (рис.44,в) будет состоять из двух жестко защемленных рам, одна из которых загружена только неизвестными реакциями, а другая – такими же (по величине) реакциями и внешней нагрузкой.
Указанный выбор основной системы позволяет не только получить простые единичные эпюры (рис.44,г-и), но, что особенно важно, при этом целый ряд побочных коэффициентов системы канонических уравнений обращается в ноль. Это те коэффициенты, которые получаются путем перемножения симметричной и кососимметричной эпюр:

В силу теоремы о взаимности перемещений число нулевых коэффициентов удваивается. В результате формально записанная система канонических уравнений распадается на две самостоятельных системы:
I) 
II) 
Вычисление коэффициентов этих систем уравнений (с обязательным учетом соотношения жестокостей элементов) приводит к следующим результатам:















Рис. 44
Для выполнения проверки вычисленных перемещений строим суммарную единичную эпюру
от одновременного действия шести единичных факторов (рис.45,б).
Вычисляем коэффициенты
и
:






Выполняем проверку:

следовательно, коэффициенты и свободные члены систем канонических уравнений вычислены правильно.

Рис. 45
Подставляя вычисленные значения перемещений, получим системы канонических уравнений I и II в виде:
I. 
II. 
Решение системы I и II дает значения реакций лишних связей:

Окончательные эпюры Nz, Qy, Mx, построенные от одновременного действия вычисленных реакций и внешней нагрузки q (рис.45,в) показаны на рис.45,г,д,е.
Пример 22. Построить эпюры Nz, Qy, Mx в симметричной раме (рис.46.а).
Рама имеет два замкнутых бесшарнирных контура, поэтому она шесть раз статически неопределима. При обычном подходе в этом случае было бы необходимо решить систему шести линейных уравнений, т.е. расчет был бы весьма трудоемким. Использование симметрии, как это будет показано ниже, позволит свести задачу к решению только лишь двух линейных уравнений.
Выберем основную систему, разрезая каждый из ригелей посредине пролета (рис.46,б). Но, в отличие от предыдущего примера, сформируем две эквивалентных системы, одну из которых загрузим симметричными составляющими внешней нагрузки (рис.46,в), а другую – обратно симметричными составляющими (рис.46,г). Легко убедиться в том, что сумма внешних нагрузок, приложенных к обеим эквивалентным системам, равна внешней нагрузке, приложенной к заданной раме.
При действии симметричных самоуравновешенных сил
и
(рис.46,в), приложенных в узлах, в элементах рамы отсутствуют изгибающие моменты и поперечные силы, а продольные силы возникают только в ригелях и вычисляются непосредственно из условий равновесия узлов 3 и 5, или, что то же самое, 4 и 6:

При действии обратносимметричных сил
и
(рис.46,г) в разрезах, сделанных по оси симметрии рамы, возникают обратносимметричные неизвестные поперечные силы Х1, Х2, а продольные силы и изгибающие моменты обращаются в ноль как симметричные усилия при обратносимметричной нагрузке.
Таким образом, для расчета рамы нужно составить только два канонических уравнения метода сил:

Единичные и грузовая эпюра изгибающих моментов показаны на рис.46,д,е,ж. Вычислим коэффициенты канонических уравнений путем перемножения соответствующих эпюр по правилу Верещагина:




Единичные и грузовая эпюра изгибающих моментов показаны на рис.46,д,е,ж.

Рис. 45
Вычислим коэффициенты канонических уравнений путем перемножения соответствующих эпюр по правилу Верещагина:





Для проверки вычисленных перемещений используем суммарную единичную эпюру изгибающих моментов
(рис.46,з).

Проверка:

После подстановки найденных значений коэффициентов при неизвестных и свободных членов в канонические уравнения и умножения последних на EI получим:
отсюда:

Таким образом, в результате раскрытия статической неопределимости исходная, шесть раз статически неопределимая система приведена к статически определимой системе (рис.46,и), загруженной внешней нагрузкой F1 и F2, продольными усилиями N34 и N56, а также вычисленными реакциями X1 и X2.
Эпюры продольных, поперечных сил и изгибающих моментов для заданной рамы показаны на рис.46,к,л,м.
Для выполнения универсальной кинематической проверки эпюры Мх используем суммарную единичную эпюру
:

следовательно, задача решена правильно.
Пример 23. Построить эпюру изгибающих моментов для статически неопределимой рамы (рис.47,а), используя способ введения жестких консолей.
Этот способ используется для ортогонализации эпюр (т.е. для получения нулевых перемещений – коэффициентов канонических уравнений) в пределах каждого замкнутого или открытого с защемленными концами симметричного контура. Для ортогонализации эпюр с помощью жестких консолей соответствующие неизвестных переносятся в некоторую точку, называемую упругим центром. Положение этой точки определяется как положение центра тяжести условного тонкостенного сечения с толщиной 


Заданная рама имеет степень статической неопределенности:

Для выбора основной системы (рис.47,б) используем то обстоятельство, что левый (П-образный) контур рамы симметричен. Разрежем его по оси симметрии, что будет эквивалентно удалению трех связей и появлению трех неизвестных реакций. Четвертую связь устраним путем удаления шарнирно-подвижной опоры. Введение в месте разреза жестких консолей с приложенными на их концах реакциями Х1, Х2, Х3 совместно с реакцией Х4 и внешними нагрузками приводит к эквивалентной системе (рис.47,в).
Определим положение упругого центра, т.е. фактически длину жестких консолей (рис.47,г), вычисляя координаты центра тяжести условного тонкостенного П-образного сечения:
Хс=0; 
Единичные эпюры изгибающих моментов показаны на рис.47,д,е,ж,з, а эпюра моментов от внешних нагрузок – на рис.47,и.
Учитывая, что результат перемножения симметричной эпюры на кососимметричную равен нулю, систему канонических уравнений метода сил рассматриваемой рамы запишем в виде:

Вычислим коэффициенты уравнений, используя, как обычно, способ Верещагина:












Рис. 47
Для проверки правильности вычисления коэффициентов и свободных членов канонических уравнений построим суммарную единичную эпюру изгибающих моментов
(рис.48,а) и определим коэффициенты
и
.


Рис. 48
Бесплатная лекция: "Общественный строй англосаксов" также доступна.
Проверка:

Следовательно, коэффициенты и свободные члены канонических уравнений вычислены правильно. Решение системы канонических уравнений дает следующие значения неизвестных:

Окончательная эпюра моментов для заданной рамы показана на рис.48,б.
Читатель имеет возможность самостоятельно убедиться в правильности построенной эпюры, перемножив ее с суммарной единичной эпюрой
(результат, как известно, должен равняться нулю).























