Режимы работы электрических цепей
1.6. Режимы работы электрических цепей.
Как указывалось выше, любая электрическая цепь состоит из источников и нагрузок (приемников). При включении различного количества приемников с изменением их параметров будут изменяться напряжения, токи и мощности в электрической цепи, от значений которых зависит режим работы цепи и ее элементов. Наиболее характерными являются следующие режимы: номинальный, согласованный, холостого хода и короткого замыкания.
Номинальным называется режим, при котором приемник работает со значениями тока, напряжения и мощности, на которые он рассчитан и которые называются его номинальными (или техническими) данными. Номинальные мощности и токи многих элементов электрических цепей (двигателей, генераторов, резисторов и др.) устанавливаются, исходя из нагревания их до наибольшей допускаемой температуры. Номинальные данные указываются в справочной литературе, технической документации или на самом элементе.
С учетом номинальных напряжений и токов источников и приемников производится выбор проводов и других элементов электрических цепей.
Согласованным называется режим, при котором мощность, отдаваемая источником или потребляемая приемником, достигает максимального значения. Это возможно при определенном соотношении (согласовании) параметров электрической цепи, откуда и вытекает название данного режима.
Под режимом холостого хода понимается такой режим, при котором приемник отключен от источника. При этом источник не отдает энергию во внешнюю цепь, а приемник не потребляет ее.
Режимом короткого замыкания называется режим, возникающий при
соединении между собой выводов источника, приемника или соединительных проводов, а также иных элементов электрической цепи, между которыми имеется напряжение. При этом сопротивление в месте соединения оказывается практически равным нулю. При коротких замыканиях могут возникать недопустимо большие токи, электрическая дуга, возможно резкое снижение напряжения, поэтому режим короткого замыкания рассматривают, как аварийный.
Энергетические установки работают чаще всего в режиме, при котором токи и мощности не превышают номинальных значений, а напряжения близки к номинальным.
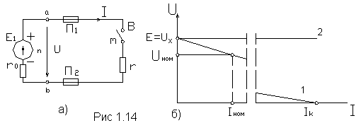
Рассмотрим простейшую неразветвленную цепь (рис. 1.14, а). В этой цепи участок amb представляет собой простейший пассивный двухполюсник, являющийся приемником, участок anb - простейший активный двухполюсник, являющийся источником.
Рекомендуемые материалы
Для рассматриваемой цепи по второму закону Кирхгофа можно написать:
(1.16)
Формула для определения соотношения между напряжением U и э.д.с. источника E, полученная из (1.16),
(1.17)
называется внешней характеристикой источника, которая связывает напряжения на зажимах источника с величиной тока через источник (рис. 1.14б).
Очевидно, что напряжение на зажимах источника U тем больше, чем меньше его внутреннее сопротивление при одном и том же токе через источник.
В идеальном источнике напряжения r0=0, U=E во всем диапазоне изменения тока (рис. 1.14, б кривая 2).
Если умножить (1.16) на ток I , то получим соотношение между мощностями
(1.18)
Произведение EI представляет собой мощность, вырабатываемую источником. Правая часть (1.18) содержит потери мощности во внутреннем сопротивлении источника I2r0, и мощность, потребляемую приемником I2r. Если из вырабатываемой мощности вычесть потери мощности во внутреннем сопротивлении источника, получим мощность UI, отдаваемую источником во внешнюю цепь
(1.19)
Мощность, отдаваемая источником в данной цепи, равна мощности, потребляемой приемником
(1.20)
Вырабатываемая источником мощность определяется произведением:
(1.21)
причем положительные направления э.д.с. и тока совпадают. Отдаваемая им мощность:

(1.22)
где направления напряжения и тока противоположны, а мощность, потребляемая приемником определяется произведением:


(1.23)
где положительные направления тока и напряжения совпадают. Такие взаимные направления тока и э.д.с., а также тока и напряжения характерны для источников и приемников в любых электрических цепях (рис. 1.15 а,б).
Отношение мощности, отдаваемой источником, к вырабатываемой им мощности называется
коэффициентом полезного действия (КПД)
источника
Рис 1.15
(1.24)
Пользуясь полученными соотношениями, установим, как будут меняться значения тока, напряжения, мощности при изменении сопротивления r, т.е. в различных режимах работы источника. При отключении источника с помощью выключателя В (рис. 1.14а) электрическая цепь будет работать в режиме холостого хода. В этом случае следует считать r равным бесконечности, при этом I=E/(r+ r0)=0. Вследствие чего оказываются равными нулю падение напряжения Ir0, потери мощности I2r и мощности EI и UI. Т.к. Ir0=0, то согласно (1.17) U=Ux=E. Уменьшение сопротивления r приводит к увеличению тока I, падения напряжения Ir0, мощности EI. Напряжение U при этом уменьшается. О характере изменения мощности приемника можно судить, анализируя выражение
(1.25)
Зависимость
Обратите внимание на лекцию "47. Федеральный надзор и контроль в области безопасности".
представлена на рис. 1.16.
Уменьшение сопротивления r , а значит увеличение тока I приводит к возрастанию Рпотр и при r=r0 Рпотр =Рmax , что соответствует режиму согласованной нагрузки. В согласованном режиме U=0.5E, Рпотр=0.5, Рвыр, η=0.5. Дальнейшее уменьшение r приводит к уменьшению Рпотр.
Для номинального режима работы характерно следующее соотношение сопротивлений r >> r0, что обеспечивает поступление основной части вырабатываемой мощности к приемнику. При этом к.п.д. принимает значения, близкие к 1 , Uном=Iномr>>Iномr0 и согласно (1.17) U близко к E.
В режиме короткого замыкания r=0 и ток короткого замыкания оказывается намного больше номинального тока: Iк=E/r0>>Iном
При коротком замыкании U=IKr=0, Рпотр=UIK=0. Мощность Рвыр=EIK значительно возрастает и преобразуется в теплоту в сопротивлении r0. Последнее может привести с выходу из строя изоляции и даже к перегоранию проводов.
На внешней характеристике источника рис.1.14, б, которая подчиняется уравнению (1.17) и представляет собой прямую при E=const и ro= const, указаны точки, соответствующие режимам холостого хода, короткого замыкания и номинальному режиму работы источника. Здесь же приведена внешняя характеристика идеального источника э.д.с. (кривая 2 на рис. 1.14, б),для которого r0=0,U=E=const.























