Фотоэффект
§ 1.1. Фотоэффект.
Под фотоэффектом понимают изменение состояния электронов в веществе под действием света (электромагнитного излучения). Различают внутренний и на внешний фотоэффекты. Явление внутреннего фотоэффекта проявляется в полупроводниках, в некоторых металлах и кристаллических соединениях. При внутреннем фотоэффекте электроны с поверхности вещества не вырываются. Рассмотрим, в чём заключается его сущность. Электроны, лежащие в валентной зоне, обладают хорошей связью с ядром. Чтобы оторваться от ядра у них недостаточно энергии. Однако электроны из зоны проводимости обладают более высокой энергией, достаточной для того, чтобы оторваться от ядра. Поглотив квант энергии, электрон из валентной зоны может перейти в зону проводимости, то есть стать свободным электроном, способным участвовать в образовании электрического тока. Рассмотренное явление получило название внутреннего фотоэффекта.

Внешний фотоэффект состоит в вырывании электронов с поверхности вещества под действием электромагнитного излучения. Фотоэффект наблюдается лучше всего на атомах щелочных металлов, так как у них на внешнем энергетическом уровне находится только один электрон.
Исторически право открытия фотоэффекта принадлежит русскому учёному А. Столетову.

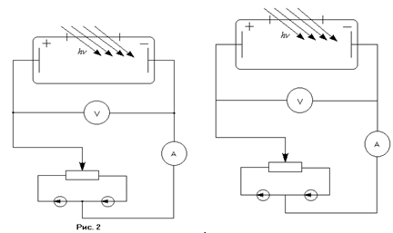
Рассмотрим сущность внешнего фотоэффекта. На установке, изображённой на рисунке, изучалось явление внешнего фотоэффекта. Сквозь кварцевую пластинку на катод подал свет. При этом, при отсутствии внешнего напряжения, амперметр показывал некоторый небольшой ток. При включении внешнего напряжения, ток в цепи возрастал почти линейно до некоторого значения. После этого дальнейшее увеличение напряжения к росту тока не приводило, то есть наступал эффект насыщения. В то же время, при нулевом напряжении, как уже было сказано, некоторый ток существовал. Прикладывая отрицательное напряжение, мы, при некотором его значении, получим нулевой ток. Оказалось, что величина фототока зависит как от длины падающей волны, так и от интенсивности излучения. Вообще говоря, интенсивностью излучения называют энергию, проходящую за единицу времени через поверхность единичной площади. Зависимость напряжения от различной частоты падающего излучения, показана на рисунке
. Здесь
, то
есть с увеличением частоты, режим насыщения наступает при большем токе до какого-то определённого уровня. Потом дальнейший рост частоты уже не приводит к росту тока, а, наоборот, к его уменьшению. Качественно это показано на рисунке
. Зависимость фототока от интенсивности излучения приведена на рисунке
.
Рекомендуемые материалы
При изучении фотоэффекта были открыты и описаны его законы. Рассмотрим их.

Законы фотоэффекта.
1. Закон Столетова. Существует граничная частота
, ниже которой для данного материала катода фотоэффект отсутствует независимо от плотности светового потока энергии и продолжительности облучения катода. Эта граничная частота называется красной границей фотоэффекта и составляет полосу шириной
Å (1Å=
м). Значение этой границы зависит только от рода атомов. Энергия, которую нужно затратить, чтобы вырвать электрон из вещества, называется работой выхода.
.
2. Закон фотоэффекта. Максимальная энергия фотоэлектрона, покидающего катод, равна
; не зависит от плотности энергии светового потока и линейно зависит от частоты.
3. Закон фотоэффекта. При фиксированной частоте излучения число электронов, выбиваемых из катода в единицу времени, прямо пропорционально плотности светового потока энергии.
Обобщая законы фотоэффекта, Эйнштейн записал уравнение фотоэффекта:
, суть которого в том, что энергия фотона, попадающего на катод, идёт на преодоление работы выхода электрона из материала катода и на сообщение ему кинетической энергии.
В опыте Столетова измерялась сила тока. Она равна:
, где N – число электронов,
– заряд электрона, а
– время. В то же время
, где
– концентрация. Тогда
. Здесь отношение
даёт скорость электрона. Таким образом, для некоторой концентрации фотонов
, падающих на катод, мы можем записать:
. Здесь
, так как не обязательно одному поглощённому фотону будет соответствовать один излучённый электрон.
Если в схеме поменять полярность батареи, то ток в цепи, как уже говорилось, будет убывать, так как электрическое поле будет препятствовать дрейфу электронов от катода к аноду. В конце концов, при каком-то
, ток в цепи станет равным нулю, то есть ни один электрон не сможет достигнуть анода. Напряжение, при котором это произойдёт, называют задерживающей разностью потенциалов:
. Из последней формулы можно определить значение постоянной Планка:
. Опытное значение постоянной Планка было получено Милликеном и составило
Дж·с. По современным данным полагают
Дж·с.
Возвращаясь к различным видам фотоэффекта, необходимо заметить, что существует так называемый ядерный фотоэффект. Так называют явление поглощения сильно коротковолнового излучения (рентгеновского или
– излучения) ядрами атомов, в результате которого происходит вылет нуклонов (протонов и нейтронов) из ядер.
Бесплатная лекция: "11 Первая российская революция 1905-1907 гг." также доступна.
Свойства фотонов.
1. Фотон – минимальная порция электромагнитного излучения. Энергия фотона есть
или
.
2. Фотон обладает импульсом; движется со скоростью равной скорости света. Импульс фотона примерно (грубо) определяют так:
, где
– единичный вектор направления. Фотон не имеет массы покоя. Масса же движения равна:
. С другой стороны
. Направление вектора
совпадает с направлением вектора, описывающего направление распространения волны, – вектором
.
;
.
3. Фотон имеет поляризацию. Она совпадает с поляризацией волны, из которой он взят.
4. Фотон обладает собственным моментом количества движения – спином. Спин фотона
.






















