Нефтеперекачивающие станции магистральных нефтепроводов
3. Нефтеперекачивающие станции магистральных нефтепроводов
3.1. Классификация нефтеперекачивающих станций
магистральных нефтепроводов
На магистральных нефтепроводах используется в основном три вида нефтеперекачивающих станций (НПС): головные нефтеперекачивающие станции нефтепроводов (ГНПС), промежуточные нефтеперекачивающие станции (ПНПС) и головные нефтеперекачивающие станции эксплуатационных участков нефтепровода (ГНПС эксплуатационных участков).
ГНПС предназначена главным образом для приёма нефти с промыслов и подачи её в нефтепровод. Они имеют резервуарный парк, играющий роль буферной ёмкости между промыслами и магистралью и роль аварийной ёмкости при аварии на магистрали или промыслах.
ПНПС служат для восполнения потерь энергии жидкости, возникающих при движении потока нефти по магистрали. Данные станции располагаются по трассе через 100¸150 км.
ГНПС эксплуатационных участков нефтепровода в основном предназначены для гидродинамического разобщения магистралей на относительно небольшие участки (400¸600 км) с целью облегчения управлением перекачкой и локализации гидродинамических возмущений потока (гидроударов) в пределах данных участков. Эта функция подобных НПС выполняется за счёт размещения на них резервуарных парков. Последние являются средством гидродинамического разобщения магистралей на эксплуатационные участки.
Технологические схемы ГНПС нефтепровода и ГНПС эксплуатационных участков практически аналогичны.
Рекомендуемые материалы
3.2. Технологическая схема ГНПС нефтепровода и
ГНПС эксплуатационного участка
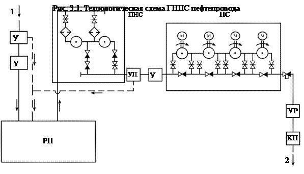
Технологическая схема рассматриваемых станций изображена на рис. 3.1. Основной путь прохождения нефти показан сплошными линиями и стрелками.
Нефть с промыслов поступает на ГНПС и проходит последовательно узел предохранительных устройств (УП), защищающий оборудование и трубопроводы от повышенных давлений, узел учёта (УУ), измеряющий количество поступающей с промыслов нефти, и направляется в резервуарный парк (РП).
Из резервуарного парка нефть отбирается насосами подпорной станции (ПНС) и подаётся с требуемым подпором на вход насосов основной насосной станции (НС). Между ПНС и НС нефть проходит второй узел предохранительных устройств и второй узел учета. Второй узел учета используется для измерения количества нефти, поступающей в магистраль.
![]() |
После НС нефть через узел регулирования давления (УР) и камеру пуска скребка (КП) направляется непосредственно в магистральный нефтепровод.
Узел регулирования давления служит для изменения производительности и давления на выходе ГНПС с помощью дросселирования потока на регулирующих заслонках или в регуляторах давления, установленных на узле.
Камера пуска скребка представляет собой устройство, предназначенное для запуска в магистраль средств очистки ее от внутренних загрязнений (подробнее см. раздел 3.2).

Узел предохранительных устройств (рис. 3.2) состоит из соединенных параллельно пред охранительных клапанов подъемного типа, пружина которых отрегулирована на определенное давление.
охранительных клапанов подъемного типа, пружина которых отрегулирована на определенное давление. При повышении давления в трубопроводе, защищаемом данными клапанами, они открываются и сбрасывают часть нефти по трубопроводу сброса в резервуарный парк РП, где для ее приема предусматривается не менее двух резервуаров.
Узлы учета существующих ГНПС в качестве средства измерения количества перекачиваемой нефти в основном имеют турбинные счетчики типа «Турбоквант». Схема подобного счетчика приведена на рис. 3.3, из которого виден принцип работы этого прибора. Число оборотов крыльчатки 2, зависящее от скорости (или производительности) проходящей через нее нефти, считывается с помощью датчика 1. Датчик реагирует на частоту прохождения мимо него ферромагнитных лопастей крыльчатки 2.
Точность показания счетчика «Турбоквант» h достаточно высока лишь для определенного диапазона производительности Q (рис. 3.4). Поэтому для обеспечения измерениям высокой точности при любых производительностях трубопровода узлы учета оборудуются несколькими параллельно установленными счетчиками (рис. 3.5) и количество рабочих счетчиков варьируется в зависимости от производительности.
Счетчики размещаются на измерительных линиях. Перед каждым из них на линии находится сетчатый фильтр и струевыпрямитель, обеспечивающие счётчикам благоприятные условия работы.
Помимо рабочих измерительных линий в узел учёта входит контрольная измерительная линия для проверки рабочих счётчиков и турбопоршневая установка ТПУ, используемая для этих же целей. Последняя входит в состав коммерческих узлов учёта, каковыми являются узлы ГНПС нефтепровода. Узлы учёта ГНПС эксплуатационных участков используются преимущественно для контроля за процессом перекачки.

Рис. 3.3. Принципиальная схема счетчика «Турбоквант»
3.3. Технологическая схема ПНПС
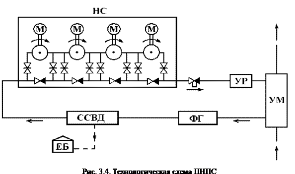
Технологическая схема ПНПС показана на рис. 3.4. Нефть от узла подключения НПС к магистрали (УМ) движется на вход насосной станции (НС) через площадку фильтров-грязеуловителей (ФГ) и систему сглаживания волн давления (ССВД), затем после НС вновь поступает в магистраль через узел регуляторов давления (УР) и узел подключения (УМ).
![]()
Узел подключения к магистрали УМ (рис. 3.4.) представляет собой объединённые в одно целое камеры приёма А и пуска скребка Б (рис. 3.5).
![]() |

При нормальном режиме работы ПНПС нефть движется через открытые задвижки 3 и 6 (задвижки 7 и 8 также открыты). Перед получением скребка, запущенного на предшествующей станции, задвижка 3 закрывается и открываются ранее закрытые задвижки 1 и 4. Скребок потоком нефти заносится в камеру А. После этого задвижки 1 и 4 вновь закрываются и открывается задвижка 3. Скребок из камеры А извлекается через люк в её торце.
По аналогичному принципу осуществляется запуск скребка через камеру Б. Камера пуска скребка ГНПС подобна камере пуска скребка ПНПС.
На площадке фильтров-грязеуловителей находится три параллельно соединённых фильтра (рис. 3.6), представляющих собой конструкцию типа «труба в трубе» (рис. 3.7). Очистка фильтров производится через люк 1, расположенный на одном из торцов аппарата.
|

Рис. 3.6. Схема площадки фильтров- Рис. 3.7. Схема фильтра-
грязеуловителей грязеуловителя
Сглаживание волн давления состоит в уменьшении скорости нарастания давления в трубопроводе путём сброса части нефти из приёмного трубопровода ПНПС в безнапорную ёмкость ЕБ. Сброс происходит через специальные безинерционные клапаны, срабатывающие только при интенсивном нарастании давления и не реагирующие на постепенное его повышение.
Клапаны системы сглаживания волн давления состоят из двух камер, разделённых перегородкой 2 (рис. 3.8.). Камеры по окружности имеют прорези 1. Одна камера подключена непосредственно к приёмному трубопроводу НПС и находится под давлением перекачиваемой нефти, другая – к безнапорной ёмкости. На обе камеры натянут эластичный резиновый шланг цилиндрической формы 4, препятствующий прохождению нефти из одной камеры в другую. Степень прижатия
Рис. 3.8. Схема безинерционного этого шланга к камерам регулиру-
клапана ССВД тся изменением давления воздуха в
полости 5.
Система сглаживания волн давления обычно имеет до шести клапанов, соединённых параллельно.
При установившемся режиме работы нефтепровода, когда давление в нём не изменяется резко, давление воздуха, поступающего в воздушную полость клапана 1 (рис. 3.9.) из разделительного сосуда «жидкость-воздух» 4, равно давлению нефти в трубопроводе и клапан плотно закрыт за счёт упругих свойств эластичного шланга.
При повышении давления в нефтепроводе с небольшой скоростью (менее 0,01¸0,015 МПа/с) оно полностью передаётся в воздушную полость клапана без изменений через нормально открытый клапан 7, разделительный сосуд «нефть-жидкость» 8, дроссельный вентиль 9, нормально открытый клапан 6, разделительный сосуд 4 и вентиль 2. Благодаря этому клапан так же остаётся закрытым.
При быстром возрастании давления в трубопроводе (более 0,01¸0,015 МПа/с) происходит частичная потеря давления в прикрытом
дроссельном вентиле 9. В результате этого давление воздуха в полости 5 клапана (рис. 3.8.) оказывается меньшим, чем давление нефти в камере клапана, соединённой с приёмным трубопроводом НПС. Разность давлений, действующих с различных сторон клапана, преодолевает упругие свойства шланга, последний отжимается от прорезей и происходит переток нефти из одной камеры клапана в другую – осуществляется сброс части нефти в безнапорную ёмкость ЕБ.

3.4. Насосы НПС нефтепроводов
На НПС магистральных нефтепроводов используется два вида технологических насосов – подпорные и основные.
Основными насосами оборудуются основные НС ГНПС и ПНПС. Данные насосы предназначены для непосредственного транспорта нефти. Подпорные насосы используются только на ГНПС (на их подпорных станциях) и играют вспомогательную роль. Они служат для отбора нефти из резервуарного парка и подачи ее на вход основным насосам с требуемым давлением (подпором), предотвращающим кавитацию в основных насосных агрегатах.
Современным типом основных насосов являются насосы НМ, которые выпускаются на подачу от 125 до 10000 м3/ч. Данные насосы имеют две конструктивные разновидности.

Рис. 3.10. Схема трёхступенчатого насоса типа НМ
Насосы на подачу от 125 до 710 м3/ч секционные, трёхступенчатые (рис. 3.10). Корпус их состоит из входной 1 и напорной крышек 4, к которым крепятся узлы уплотнений торцевого типа и подшипниковые узлы 6. Заодно с крышками отлиты опорные лапы насоса, входной и напорный патрубки. Между крышками корпуса располагаются три секции 2 с направляющими аппаратами. В каждой секции находится центробежное рабочее колесо. Крышки и находящиеся между ними секции стянуты шпильками 3, проходящими вдоль вала насоса.
Ротор насоса включает вал, насаженные на него три центробежных колеса 6 и одно предвключенное литое колесо типа шнек 7. Опорами ротора служат подшипники скольжения с кольцевой смазкой. Охлаждение масла осуществляется с помощью змеевиков, размещенных в корпусах подшипниковых узлов. Через змеевики циркулирует вода или перекачиваемая нефть.
Ротор имеет гидравлическую разгрузку от осевых сил, осуществляемую с помощью разгрузочного диска 5. Остаточные осевые силы воспринимаются радиально-упорным шароподшипником.
Конструкция рассматриваемых насосов рассчитана на давление 9,9 МПа. Поэтому они допускают последовательное соединение на более двух насосов на подачу от 125 до 360 м3/ч и не более трех насосов на подачу 500 и 710 м3/ч.
Насосы НМ производительностью от 1250 м3/ч до 10000 м3/ч спиральные одноступенчатые (рис. 3.11). Корпус их имеет улиткообразную форму с разъёмом в горизонтальной плоскости по оси ротора. Ротор состоит из вала и центробежного колеса двухстороннего входа 1, обеспечивающего ротору, благодаря своей конструкции, гидравлическую разгрузку от осевых сил. Опорами ротора служат подшипники – скольжения 2 с принудительной смазкой (под давлением). Неуравновешенные остаточные осевые силы воспринимает радиально-упорный сдвоенный шарикоподшипник 3.
В подобных насосах используются торцевые уплотнения 4, которые монтируются в корпусе в месте выхода из него вала. Конструкция спиральных насосов типа НМ рассчитана на давление 7,4 МПа, что допускает последовательное соединение не более трёх насосов данного вида.
Для повышения экономичности нефтепроводного транспорта при изменении производительности перекачки у спиральных насосов предусмотрено применение сменных роторов с рабочими колёсами на подачу 0,5 и 0,7 от номинальной (насос на подачу 1250 м3/ч имеет один сменный ротор на 0,7 номинальной подачи, а насос на подачу 10000 м3/ч – дополнительный ротор на подачу 1,25 от номинальной).
Полная маркировка насосов типа НМ содержит группу буквенных обозначений, например: НМ 7000 – 210, где НМ обозначает нефтяной магистральный, 7000 – подачу в м3/ч, 210 – напор в метрах столба перекачиваемой жидкости.

Рис. 3.11. Схема спирального
одноступенчатого насоса типа НМ
Современным типом подпорных насосов являются насосы НПВ (нефтяные подпорные вертикальные). Они выпускаются четырёх типоразмеров: НПВ 1250-60, НПВ 2500-80, НПВ 3600-90, НПВ 5000-120. Цифры в маркировке указывают на производительность (м3/ч) и напор насоса (м).
Данный тип насоса (рис. 3.12) размещается в стакане 1, расположенном под уровнем земли, практически на отметке трубопровода. Приводящий двигатель находится на поверхности.
Насос имеет центробежное рабочее колесо двухстороннего входа 2, с каждой стороны колеса по предвключенному литому колесу 4 типа шнек. Направляющие подшипники ротора – подшипники скольжения, они смазываются и охлаждаются перекачиваемой нефтью.
Удерживание ротора от перемещения в осевом направлении производится сдвоенными радиально-упорными шарикоподшипниками 6, имеющими консистентную смазку. Ротор насоса гидравлически уравновешен применением на нём центробежного колеса двухстороннего входа, уплотнение ротора 5 – механическое, торцевого типа.
Помимо насосов НПВ на ГНПС достаточно широко ещё используются подпорные насосы типа НМП (нефтяные магистральные подпорные). Эти насосы горизонтальные, наземной установки. Ротор их аналогичен ротору насоса НПВ, уплотнения торцевые, подшипники качения с кольцевой смазкой. Корпус спиральный с разъёмом в горизонтальной плоскости – подобен корпусу насосов НМ. Маркировка насосов НМП аналогична маркировке насосов НМ.
Основные насосы на НПС соединяются между собой главным образом последовательно. При этом допускается иметь не более трёх рабочих насосов, исходя из прочности агрегатов. В дополнение к трём рабочим насосам на станциях устанавливается по одному резервному агрегату.
В отдельных случаях, например, при прохождении в одном коридоре нескольких нефтепроводов, на НПС параллельно уложенных магистралей помимо последовательного соединения насосов предусматривается возможность перехода к смешанной параллельно-последовательно схеме соединения всех четырёх агрегатов, включая резервный, а также переход к параллельной схеме работы насосов.

Рис. 3.12. Схема установки
подпорного насоса
Такие возможности предусматриваются на аварийный случай. При выходе из строя какой-либо НПС, соседняя с ней станция на параллельной магистрали переводится на смешанную или параллельную работу насосов.
При этом к станции подключаются сразу два нефтепровода – собственный нефтепровод рассматриваемой станции и нефтепровод аварийной НПС. Отмеченное позволяет не прекращать перекачку по аварийному нефтепроводу и поддерживать его производительность на достаточно удовлетворительном уровне.
Подпорные насосы соединяются между собой только параллельно. В основном на подпорной станции используется один или два рабочих насоса и один резервный.
3.5. Характеристики насосов НПС
Характеристикой насоса называется графическая зависимость основных параметров насосов (напора Н, мощности N, К.П.Д. h, допустимого кавитационного запаса Dhд или высоты всасывания НS от подачи Q).
Центробежные насосы, к которым относятся агрегаты НМ, НПВ и НМП, могут иметь два вида характеристик – комплексную и универсальную. Основной характеристикой подобных насосов является комплексная. Общий вид её показан на рис. 3.13. Рекомендуемая заводом-изготовителем область применения насосов по подаче (рабочая зона) отмечена на H-Q характеристике волнистыми линиями или выделяется в виде обособленного поля 1. Рабочей зоне отвечают наиболее высокие значения К.П.Д. насоса.

Область применения насоса может быть расширена обточкой их рабочих колёс. Насосы магистральных нефтепроводов допускается обтачивать не более чем на 10%, т.к. при большем значении обточки рабочих колёс наблюдается заметное снижение К.П.Д. насосов. Предельно допустимому значению обточки рабочего колеса соответствует нижняя кривая H-Q из двух приведённых на характеристике. Верхняя H-Q кривая отвечает необточенному колесу. Допустимый кавитационный запас Dhд, приводимый на характеристике, есть минимально допустимый избыток удельной энергии перекачиваемой жидкости на входе в насос над удельной энергией насыщенных паров жидкости, при котором не происходит холодного кипения жидкости в насосе или кавитации. С помощью Dhд рассчитывается минимально допустимое давление на входе в насос Рвхmin
,
где РS – давление насыщенных паров перекачиваемой жидкости при температуре перекачки, Н/м2; r – плотность перекачиваемой жидкости, кг/м3; g – ускорение свободного падения, м/с2; Dhд – допустимый кавитационный запас, принимаемый по комплексной характеристике насоса для соответствующей подачи, м.
При давлениях на входе в насос, больших Рвхmin , кавитации в насосе не наблюдается.
|
H = a - b×Q2
На H-Q характеристике в её рабочей зоне берут две любые точки с координатами Q1, H1 и Q2, H2 соответственно. Затем эти координаты подставляют и дважды записывают уравнение (3.1). В результате получают систему двух уравнений с двумя неизвестными – a и b.


Решение данных уравнений даёт зависимости для определения численных значений a и b через известные Q1, H1 и Q2, H2:
;
.
Подставив рассчитанные значения a и b в (3.1) можно пользоваться выражением (3.1) для определения напора насоса в зависимости от его подачи.
|
части нефтепровода
Насосы НПС и линейная часть нефтепровода составляют единую гидродинамическую систему. Режим работы такой системы определяется её рабочей точкой.
Рабочей точкой системы, состоящей из нескольких насосов и нескольких трубопроводов, называется точка пересечения суммарной Н-Q характеристики всех насосов с суммарной H-Q характеристикой всех трубопроводов системы.
Рабочая точка системы характеризует гидродинамическое единство её элементов (насосов и трубопроводов) и показывает, что насосы развивают только такие напоры и подачи, которые равны гидравлическому сопротивлению и пропускной способности трубопроводов.
Рабочая точка системы определяет рабочие точки отдельных насосов, входящих в систему. Рабочие точки насосов (их Н и Q координаты) показывают напор и подачу, развиваемые насосами при работе их в данной системе.
Рассмотрим конкретные примеры нахождения рабочих точек системы и отдельных насосов при различных схемах соединения насосов на НПС.
На нефтеперекачивающих станциях в общем случае возможны следующие схемы соединения насосов: последовательное соединение, параллельное и смешанное параллельно-последовательное соединение.
Разберём первоначальный случай с последовательным соединением насосов. Допустим, НПС оснащена двумя насосами с характеристиками 1 и 2 (рис. 3.14). Станция работает на трубопровод с характеристикой 3.
Рабочая точка такой сложной системы есть точка пересечения характеристики трубопровода 3 с суммарной характеристикой насосов, т.е. с кривой, являющейся суммой кривых 1 и 2.
Найдём эту суммарную кривую. Для этого необходимо знать правило сложения 1 и 2. Оно диктуется схемой соединения насосов. Поскольку насосы соединены последовательно, то их подачи равны, а напоры складываются, образуя, таким образом, общий суммарный напор насосов.
Следовательно, правило сложения кривых 1 и 2 будет звучать так: для нахождения суммарной Н-Q характеристики последовательно соединённых насосов необходимо складывать напоры отдельных насосов при одинаковых подачах.
Выполним такое сложение графически для нескольких подач и получим точки суммарной Н-Q характеристики насосов (точки 1+2). Соединив данные точки плавной линией, будем иметь искомую суммарную Н-Q характеристику насосов.
Точка пересечения кривых (1+2) и 3 (точка М) является рабочей точкой системы «насосы – трубопровод». Её координаты показывают, что данная система работает с производительностью Q0, при этом гидропотери в ней составляют Н0.
Для нахождения рабочих точек отдельных насосов вновь обратимся к схеме соединения различных элементов системы (рис. 3.14а).
Из схемы следует, что нефтеперекачивающая станция НПС и трубопровод 3 соединены между собой последовательно. Значит количество жидкости, проходящее через НПС, равно производительности трубопровода, т.е. НПС работает с подачей Q0.
НПС состоит из двух насосов. С какой производительностью работает каждый из этих насосов? Очевидно, что с производительностью Q0, т.к. насосы соединены между собой последовательно.
При производительности Q0 насос 1 согласно его характеристике развивает напор Н1, а насос 2 соответственно Н2. Из определения понятия рабочей точки вытекает, что координаты её показывают производительность и напор (развиваемый напор или потери напора) соответствующего элемента системы. Следовательно, рабочими точками насосов 1 и 2 будут точки М1 и М2. По координатам этих точек как отмечалось выше можно определить подачу и напор каждого насоса при работе его в рассматриваемой системе.
Очевидно, что с изменением системы изменяется местоположение рабочей точки системы и отдельных насосов. Например, при отключении насоса 2 в системе останется один насос 1 и трубопровод 3. Рабочей точкой такой системы будет точка М. Она совпадает с новой рабочей точкой насоса 1.
Найдём теперь рабочие точки системы и насосов при параллельном соединении перекачивающих агрегатов (рис. 3.15) на НПС. Суммарная Н-Q характеристика насосов 1 и 2 в данном случае будет находиться также исходя из схемы соединения насосов. При параллельном соединении агрегатов они имеют одинаковый напор, общая их подача равна сумме подач отдельных насосов.
В приведённом утверждении может вызвать сомнение лишь констатация равенства напоров параллельно подключённых насосов.
Допустим, что напоры параллельно работающих насосов не равны. Тогда насос с большим напором «задавит» насос с меньшим напором и будет вести перекачку жидкости не только по трубопроводу, но и через «задавленный» насос. Последний в гидравлическом смысле уже не будет являться перекачивающим агрегатом или насосом, а предстанет неким подобием ещё одного трубопровода. Таким образом, у параллельно работающих насосов напоры всегда равны между собой.
На основе приведённых рассуждений формируется правило получения суммарной Н-Q характеристик параллельно соединённых агрегатов: характеристика находится сложением подач отдельных насосов при одинаковых напорах.
Графическое сложение характеристик насосов 1 и 2 даёт кривую (1+2) (рис. 3.15), которая, пересекаясь с Н-Q характеристикой трубопровода 3, образует рабочую точку системы М. Координаты рабочей точки М показывают, что система работает с производительностью Q0, потери напора в ней составляют Н0.
Найдем отдельные точки рабочих насосов, учитывая, что оборудованная ими НПС имеет подачу Q0 и напор Н0.
Так как на НПС насосы соединены параллельно и напоры их равны, то каждый из насосов станции развивает напор, равный напору НПС, т.е. равный Н0. При напоре Н0 насос 1 согласно его Н-Q характеристики имеет подачу Q1, а насос 2 – подачу Q2.
Таким образом, рабочими точками насосов будут точки М1 и М2 соответственно, а режим работы насосов определяется их напором Н0 и подачами Q1 и Q2.
3.7. Методы регулирования режимов работы НПС
Существующие методы регулирования работы НПС подразделяются на методы плавного и ступенчатого регулирования. К теоретически возможным методам плавного регулирования относятся: перепуск, дросселирование, изменение числа оборотов ротора насосов.
К методам ступенчатого регулирования относят: изменение числа работающих насосов НПС, изменение схемы соединения насосов на НПС, изменение числа ступеней у многоступенчатых насосов, замена роторов (рабочих колёс) насосов, изменение диаметра рабочего колеса насосов.

Метод регулирования перепуском состоит в перепуске части жидкости с выхода насоса вновь на его вход (рис. 3.16а). При этом происходит изменение характеристики трубопроводной системы, на которую работает насос и изменяется месторасположение рабочей точки НПС. Это влечёт за собой изменение режима работы нефтепровода.
Рассмотрим данный случай подробнее. Допустим, в начальный момент НПС 1 работала без перепуска на нефтепровод 2 (рис. 3.16 б). Рабочая точка системы занимает положение М, производительность нефтепровода равна Q0.
Откроем задвижку на перепускном трубопроводе 3. Жидкость теперь движется не только по одному нефтепроводу 2, но и по перепускному трубопроводу 3. С гидравлической точки зрения это означает появление в системе дополнительного элемента – трубопровода 3. Теперь для нахождения рабочей точки системы необходимо первоначально найти суммарную H-Q характеристику трубопроводов 2 и 3.
Эти трубопроводы согласно рис. 3.21 соединены между собой параллельно. Поэтому для нахождения их суммарной характеристики следует сложить 2 и 3 путём сложения их абсцисс (Q) при одинаковых ординатах (H). В итоге получается кривая (2+3). Рабочей точкой системы при работе НПС с перепуском будет точка МП.
Как видно, при работе с перепуском производительность НПС возрастает с Q0 до QП. Посмотрим какое количество жидкости при этом будет поступать в нефтепровод 2. Нефтепровод 2 расположен на выходе НПС и находится под напором станции, равным согласно МП величине НП. При напоре НП нефтепровод 2 будет пропускать через себя, если следовать его H-Q характеристике, производительность Q2, меньшую первоначальной Q0, существовавшей при перекачке без перепуска.
Таким образом, при перекачке с перепуском производительность нефтепровода всегда только снижается.
Данный метод регулирования является неэкономичным, т.к. при его осуществлении производительность нефтепровода снижается, а производительность НПС, напротив, возрастает. Это вызывает перерасход энергии на единицу транспортируемой нефти.
Регулирование режима работы НПС дросселированием состоит в создании потоку искусственного сопротивления в виде сужения площади поперечного сечения потока в каком-либо его месте (сечении). Реализуется данный метод на узлах регулирования НПС с помощью управляемых со щита станции и автоматикой регуляторов давления или регулирующих заслонок.
Суть данного метода показана на рис. 3.17. При полностью открытом дроссельном органе D (заслонке, регуляторе и т.д.) рабочей точкой системы является точка М, производительность системы (нефтепровода) равна Q0, гидропотери в ней Н0.
Если дроссельный орган D прикрыть, то его сопротивление увеличится, и к потерям напора в нефтепроводе, отображённом на рис. 3.17б, кривой 2, прибавляя потери напора в дроссельном органе. Общие потери напора в системе возрастут, им будет соответствовать кривая 2’. Рабочая точка системы и НПС переместится в положение Мд, производительность нефтепровода снизится до Qд.
Интересно проследить как изменяется напор НПС при дросселировании. Согласно рис. 3.17б напор, развиваемый станцией при дросселировании, увеличивается до Нд, потери же напора в нефтепроводе, напротив уменьшаются. При производительности Qд они в соответствии с Н-Q характеристикой собственно нефтепровода 2 (без учёта дроссельного органа) составляют Н’д Напор, соответствующий разности Нд – Н’д, развивается НПС не производительно, т.к. теряется на дроссельном органе.
Таким образом, при дросселировании производительность нефтепровода всегда только уменьшается. Данный метод регулирования также неэкономичен, т.к. НПС непроизводительно развивает излишний напор, что делает дороже транспорт нефти в связи с перерасходом энергии.
При регулировании режима работы НПС изменением числа оборотов ротора насосов происходит изменение Н-Q характеристик насосов, как это показано на рис. 3.23. С увеличением числа оборотов характеристика смещается вправо и вверх в соответствии с зависимостями
;
.
Как видно из рисунка, при данном методе регулирования насос развивает напор и подачу, строго соответствующие сопротивлению и пропускной способности нефтепровода. Поэтому при данном методе не наблюдается излишний расход энергии. Это самый экономичный метод регулирования.


Из всех рассмотренных методов плавного регулирования на НПС практически используется только метод дросселирования. Перепуск не находит применения потому, что при пологопадающих Н-Q характеристиках насосов он менее экономичен, чем дросселирование, а насосы НПС как раз имеют пологопадающие характеристики. Регулирование изменением частоты вращения роторов насосов не используется в связи с отсутствием мощных электродвигателей с регулируемой частотой вращения роторов.
Методы ступенчатого регулирования имеют в своём большинстве один общий недостаток – режим работы НПС и нефтепровода при их осуществлении изменяется ступенчато, что не всегда отвечает необходимой степени изменения режима работы и часто требует подрегулирования с помощью неэкономичного метода дросселирования. Поэтому экономичные в своей основе методы ступенчатого регулирования не всегда обеспечивают транспорту нефти минимально возможные энергозатраты.
Исключение из рассматриваемых методов составляет метод регулирования изменением диаметра рабочего колеса.
Диаметры рабочих колёс центробежных насосов НМ, НПВ и НМП могут быть изменены обточкой колёс на станке. Обточка в пределах 10% практически не приводит к снижению К.П.Д. насосов, Н-Q характеристика же насоса при этом изменяется подобно тому, как это происходит при изменении числа оборотов ротора насоса (см. рис. 3.19, 3.19)
|
;
, где Н0 и Q0 – напор и подача насоса при диаметре рабочего колеса, равном Д0; Н и Q – напор и подача насоса при диаметре рабочего колеса, равном Д.
Если известны требуемые от насоса напор Н и подача Q, то необходимый диаметр рабочего колеса Д может быть рассчитан по формуле, получение которой рассмотрим ниже.
|
Н0 = а - b×Q02,
где Н0 и Q0 – напор и подача насоса, соответствующие диаметру Д0 необточенного колеса и определяемые по рабочей точке насоса М (рис. 3.19).
Подставим в (3.3) вместо Н0 и Q0 их значения, полученные из (3.2) и будем иметь:
|
, где H и Q – требуемые от насоса напор и подача; Д – отвечающий им диаметр колеса.
Теперь поделим обе части уравнения (3.4) на
и полученное выражение решим относительно
|
. Если рассчитанное по (3.5) значение Д будет отличаться от Д0 не более чем на 10%, то обточка колеса обеспечит насосу и НПС необходимый режим работы при минимальных энергозатратах на транспорт нефти.
3.8. Эффективность работы основного оборудования НПС
Эффективность работы основного оборудования НПС определяется главным образом энергозатратами на перекачку нефти, которые находятся в прямой зависимости от режима работы станций и применяемых на них методов регулирования.
Для обеспечения НПС необходимой эффективности работы насосы станций следует эксплуатировать только в их рабочей зоне, а из всех возможных методов регулирования применять наиболее экономичный для конкретных условий эксплуатации НПС.





где Н0 и Q0 – напор и подача насоса, соответствующие диаметру Д0 необточенного колеса и определяемые по рабочей точке насоса М (рис. 3.19).


















