Изучение технического состояния эксплуатационных и нагнетательных скважин
Изучение технического состояния эксплуатационных и нагнетательных скважин
В процессе работы эксплуатационных и нагнетательных скважин могут возникнуть дефекты в их первоначальных конструкциях из-за коррозии стальной колонны, разрушения цементного камня, нарушения сцепления цементного камня с породой или колонной под воздействием агрессивных пластовых и закачиваемых флюидов. В результате может нарушиться герметичность колонны и цементного кольца в затрубном пространстве, и в скважину будет поступать посторонняя жидкость. В этом случае геофизическими методами необходимо определить место притока (поглощения) жидкости, установить интервалы затрубной циркуляции жидкости, выявить источники обводнения продуктивных пластов. Своевременное обнаружение дефектов в конструкции скважины позволит провести ремонтно-изоляционные работы и получить необходимую продукцию из пластов.
Техническое состояние эксплуатационных и нагнетательных скважин изучается периодически на протяжении всего времени их использования при разработке месторождений. Состояние цементного кольца определяется методами акустической и гамма-гамма-цементометрии. Наличие затрубной циркуляции в интервалах нарушения цементного кольца устанавливается методом термометрии, кислородным методом и методом меченых атомов.
Определение интервалов затрубной циркуляции флюидов по данным высокочувствительной термометрии
Признаком затрубной циркуляции флюидов между пластами является резкое снижение градиента температур на термограммах против вмещающих пород между соседними пластами.
За верхнюю границу зоны затрубной циркуляции принимается подошва верхнего пласта, залегающего в интервале аномального поведения термограммы по отношению к геотерме, за нижнюю — кровля нижнего пласта. Источник перетока циркулирующего флюида устанавливаются по виду и распределению термограммы относительно геотермы в интервале их расхождения.
Термограмма может быть расположена выше геотермы, ниже геотермы и пересекать геотерму. В первом случае источник поступления флюида определяется по точке А максимальной температуры(рис. 184, I, а,б). Если максимум температуры находится внизу, то переток флюида происходит из нижнего пласта в верхний, если вверху —то из верхнего пласта в нижний. При неопределенном положении точки максимальной температуры сравниваются давления в пластах или величины депрессии на верхний пласт, которая рассчитывается по формуле Δр = Δt/εт где Δt — отклонение от геотермы; εт — коэффициент Джоуля — Томсона для жидкости, насыщающей верхний пласт. Источником перетока является нижний пласт с высоким давлением или с Δр, превышающей реальные различия давлений верхнего и нижнего пластов (рис. 184, II, в). Если термограммы расположены ниже геотермы, источник поступления флюида определяется по точке минимальной температуры В. Если минимум температуры находится внизу, то флюид перетекает из нижнего пласта в верхний и нижний пласт является либо газоносным, либо обводненным нагнетаемыми водами с температурой ниже пластовой. В случае, когда минимум температуры находится вверху, флюид перетекает из верхнего пласта в нижний (рис. 184, II, а, б). Если положение минимума неопределенно, источником перетока служит либо газоносный, либо обводненный закачиваемыми водами пласт. Источник перетока устанавливается по давлению в пластах (рис. 184, II, в).
Когда термограмма пересекает геотерму, источник поступления флюида определяется по расположению термограммы относительно линии, параллельной оси глубин. Если термограмма расположена преимущественно правее этой линии, то переток флюида происходит из верхнего пласта в нижний, если левее, то из нижнего пласта в верхний (рис. 184, III, а, б). В случае, когда в перемычке между пластами градиент температур равен нулю, источник перетока выделяется на основе анализа характера насыщения пластов (рис. 184, III, в). При этом учитывается, что вверх перемещаются газ и нагнетаемые воды с температурой ниже пластовой.
Рекомендуемые материалы
Определение затрубной циркуляции флюидов по данным кислородного метода
Кислородный метод состоит в активации ядер кислорода быстрыми нейтронами, излучаемыми генератором нейтронов, и последующей регистрации жесткого гамма-излучения, возникающего в результате бета-распада изотопа азота 16N Полное название метода — кислородно-активационньтй нейтронный гамма-метод. (КАНГМ) Глубинность кислородного метода невелика (не более 20 см), что позволяет исследовать состав флюидов в колонне и затрубном пространстве при минимальном влиянии окружающих пород. В этом методе используются установки двух типов — однозондовая и двухзондовая. Различают прямо и зонд, у которого детектор расположен относительно источника нейтронов по ходу исследуемой жидкости, и противоположный ему — обращенный зонд.
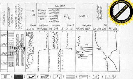
Изучаемым параметром метода являются величинаη= Iкангм/Iингм— отношение скорости счета гамма-излучения в КАНГМ к скорости счета ИНГМ при максимально возможной задержке в однозондовом устройстве, и η =Iро/Iобр — отношение скорости счета гамма-нзлучення прямого зонда к скорости счета гамма-излучения обращенного зонда. Максимальные зна чения относительного параметра η КАНГМ соответствуют критическому дебиту воды. Пример выявления затрубной циркуляции воды по кислородному методу в комплексе с другими геофизическими методами показан на рис. 185.
5.4 Использование z - преобразования - лекция, которая пользуется популярностью у тех, кто читал эту лекцию.

Рис. 184. Определение мест затрубной циркуляции пластовых флюидов по данным метода высокочувствительной термометрии.
/ — песчаник; 2 — направление движения флюида; 3—термограмма; 4 — линия, параллельная оси глубин. Г —геотерма
|
|
Рис. 185. Выявление затрубной циркуляции воды в действующей скважине по комплексу геофизических методов (по Я. Н. Васину) (Лениногорская площадь, скв. 6541).
/ — колонна с цементным кольцом; 2 — нефтеносный пласт; 3 — приток нефти; 4 — приток воды; 5 — водоносный песчаник; в —глина; 7 — алевролит; 8 — нефтеносный песчаник; 9 — известняк. η =Iпр/Iобр






















