Методы расчета электрических цепей
1.8. Методы расчета электрических цепей.
Задача расчета электрической цепи ставится следующим образом. Задана схема электрической цепи, значения ее элементов и параметры источников. Требуется определить токи в ветвях и падение напряжения на элементах. Данная задача решается путем составления и решения системы уравнений, запись которых определяется выбранным методом расчета.
Перед составлением уравнений необходимо указать на схеме положительные направления известных и неизвестных величин.
1.8.1. Метод непосредственного использования законов Кирхгофа.
Данный метод целесообразен в следующих случаях:
- для расчета неразветвленных электрических цепей;
- если известна величина части токов, но неизвестны величины такого же количества источников или элементов цепи;
- для определения падения напряжения между какими-либо двумя точками электрической цепи;
- для проверки правильности расчетов, проведенных любым другим методом.
Рекомендуемые материалы
Проверка может быть также осуществлена путем составления уравнения баланса мощности.
Задавшись положительными направлениями искомых величин, составляют уравнения сначала по первому закону Кирхгофа, максимальное число которых должно быть на единицу меньше числа узлов схемы. Недостающие уравнения следует составить по второму закону Кирхгофа.
В качестве примера составим систему уравнений для определения токов в
Рис 1.17 электрической цепи, схема которой изображена на рисунке 1.17 с известными сопротивлениями и величинами и направлениями источников э.д.с. и напряжений. Поскольку данная цепь имеет пять ветвей с неизвестными токами, необходимо составить пять уравнений. Выбрав положительные направления токов в ветвях, для узлов «а» и «б» составим уравнения по первому закону Кирхгофа, а для контуров «агда», «абга» и «бвгб» при обходе последних по часовой стрелке - уравнения по второму закону Кирхгофа.





1.8.2. Метод эквивалентных структурных преобразований.
В основе различных методов преобразования электрических схем лежит понятие эквивалентности, согласно которому напряжения и токи в ветвях схемы, не затронутых преобразованием, остаются неизменными.
Преобразования электрических схем применяются для упрощения расчетов.
Рассмотрим наиболее типичные методы преобразования.
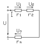
Последовательное соединение элементов.
При последовательном соединении элементов через них протекает один и тот же ток I (рис.1.18). Согласно второму закону Кирхгофа, напряжение, приложенное ко всей цепи
(1.27)
Для последовательного соединения сопротивлений r1,r2...rn (рис. 1.18) с учетом (1.6) будем иметь
(1.28)
Ток в цепи с последовательным соединением элементов равен:

(1.29)
а напряжение на n-ом элементе равно

(1.30)
При последовательном соединении источников напряжения они заменяются
одним эквивалентным источником с напряжением Uэкв, равным алгебраической сумме напряжений отдельных источников.
Рис 1.19 Причем со знаком «+» берутся напряжения, совпадающие с напряжением эквивалентного источника, а со знаком «-» - несовпадающие (рис.1.19).
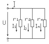
Параллельное соединение элементов.
Соединение групп элементов, при котором все элементы находятся под одним и тем же напряжением, называется параллельным (рис.1.20). Согласно первому Кирхгофа, ток всей цепи I равен алгебраической сумме токов в параллельных ветвях, т.е.

(1.31)
На основании этого уравнения с учетом (1.8) для параллельного соединения резистивных элементов получаем:


где -эквивалентная проводимость. (1.32)
Токи и мощности параллельно соединенных ветвей при U=const (рис. 1.20) не зависят друг от друга и определяются по формулам:
(1.33)
Мощность всей цепи равна :
,
(1.34)
где rэ=1/gэ -эквивалентное сопротивление цепи.
При увеличении числа параллельных ветвей эквивалентная проводимость электрической цепи возрастает, а эквивалентное сопротивление соответственно уменьшается. Это приводит к увеличению тока I. Если напряжение остается постоянным, то увеличивается также общая мощность Р. Токи и мощности ранее включенных ветвей не изменяются.
Рассмотрим частные случаи параллельного соединения резистивных элементов.
а) параллельное соединение двух элементов

(1.35)
б) параллельное соединение n ветвей с одинаковыми сопротивлениями


(1.36)
Эквивалентное преобразование резистивноготреугольника в звезду.
Под соединением треугольником (рис.1.21.а) понимается такое, при котором конец одного элемента соединяется с началом второго, конец второго- с началом третьего, а конец третьего - с началом первого. Узловые точки 1,2,3 подключаются к остальной
Рис 1.21 части электрической цепи. Соединение звездой получается при объединении начал или концов сопротивлений в одну точку (рис.1.21.б).
При расчете электрических цепей оказывается полезно преобразовать треугольник в звезду или совершить преобразование звезды в треугольник.
Замена треугольника эквивалентной звездой должна производиться таким образом, чтобы после указанной замены токи в остальной части цепи, а также напряжения между точками 1 и 2 , 2 и 3,3 и 1 остались без изменения.
С помощью законов Кирхгофа можно получить следующие формулы для определения сопротивлений эквивалентной звезды:
( 1.37)
При замене резистивных элементов, соединенных звездой, эквивалентным треугольником, пользуются следующими формулами

(1.38)

1.8.3. Метод контурных токов.
Метод контурных токов дает возможность упростить расчет электрических цепей по сравнению с методом расчета по законам Кирхгофа за счет уменьшения числа уравнений, которые приходится решать совместно. Этот метод заключается в том, что вместо токов в ветвях определяются на основании второго закона Кирхгофа так Рис 1.22 называемые контурные токи,
замыкающиеся в контурах. На рис.1.22. в виде примера показана двухконтурная цепь, в которой I11 и I22 - контурные токи. Токи в сопротивлениях r1 и r2 равны соответствующим контурным токам; ток в сопротивлении r3 являющемся общим для обоих контуров, равен разности контурных токов I11 и I22, так как эти токи направлены в ветви r3 встречно.
Число уравнений , записываемых для контурных токов по второму закону Кирхгофа, равно числу независимых контуров, то есть для электрической схемы с числом узлов q и числом ветвей p задача нахождения контурных токов сведется к решению системы p-q +1 уравнений. Так, в схеме рис.1.22 q = 2 p = 3; следовательно, число уравнений равно 3-2+1=2 (число уравнений независимых контуров).
Положительные направления контурных токов задаются произвольно. Направление обхода каждого контура принимается обычно совпадающим с выбранным положительным направлением контурного тока; поэтому при составлении уравнения по второму закону Кирхгофа падение напряжения от заданного контурного тока в сопротивлениях, входящих в контур, берется со знаком плюс. Падение напряжения от тока смежного контура в общем сопротивлении берется со знаком минус, если контурные токи в этом сопротивлении направлены встречно, как это, например, имеет место в схеме рис.1.22., где направление обоих контурных токов выбрано по ходу часовой стрелки.
Для заданной электрической схемы с двумя независимыми контурами (рис.1.22) могут быть записаны два уравнения по второму закону Кирхгофа, а
именно:
,
,
здесь (r1 + r3) и (r2 + r3) - собственные сопротивления контуров 1 и 2, r3 -
общее сопротивление контуров 1 и 2. После определения контурных токов, легко найти и токи всех ветвей.
I1 = I11; I2 = I22 ; I3 = I11 - I22 .

Рис 1.23
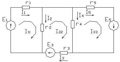
Пример 1.2.
Найти токи в схеме (рис. 1.23) при помощи метода контурных токов.
r1 = r2 = r3 = r4 = r5 = 10 Ом; E1 = E5 = 50 В; E3 = 90 В.
Решение:
Выбираем направление всех контурных токов I11, I22 , I33 по часовой стрелке.
Записываем систему уравнений:



После подстановки численных значений:

, 
выразим I11 и I33 через I22 :
, 
и подставим во второе уравнение системы

получаем в итоге I22 = 7А ; I11 = I33 = 6А.
В соответствии с выбранным положительным направлением токов в ветвях окончательно получим:
I1=I11=6A; I2=I11-I22=6-7= --1A; I3=I22=6A
I4=I22-I33=1A; I5=I33=6A
1.8.4. Метод узловых напряжений.
Метод узловых напряжений заключается в том, что на основании первого закона Кирхгофа определяются напряжения в узлах электрической цепи относительно некоторого базисного узла. Эти искомые напряжения называются узловыми напряжениями, причем положительное направление их указывается стрелкой от рассматриваемого узла к базисному.
Напряжение на какой - либо ветви равно, очевидно, разности узловых напряжений концов данной ветви; произведение же этого напряжения на производимость данной ветви равно току в этой ветви. Таким образом, зная узловые напряжения в электрической цепи, можно найти токи в ветвях.
Если принять потенциал базисного узла равным нулю, то напряжения между остальными узлами и базисным узлом будут равны также потенциалам этих узлов. Поэтому данный метод называется также методом узловых потенциалов.
При наличии одной ветви с э.д.с и бесконечной проводимостью целесообразно принять за базисный узел один из узлов, к которому примыкает данная ветвь, тогда напряжение данного узла становится известным и число неизвестных сокращается на одно.
Число неизвестных в методе узловых напряжений равно числу уравнений, которые надо составить для схемы по первому закону Кирхгофа. Метод узловых напряжений имеет преимущество перед методом контурных токов в том случае, когда число уравнений, записанных по первому закону Кирхгофа, меньше числа уравнений, записанных по второму закону Кирхгофа, или если (q -1) < (p - q + 1 ), или, что то же 2(q-1) <p, где q- число узлов, p -число ветвей.
На рис 1.24 в виде примера изображена электрическая схема, содержащая три узла. Примем потенциал φ3=0 (базисный узел). Составим уравнения для узлов 1 и 2 по первому закону Кирхгофа:
,
(1.39)
Каждые из этих токов можно выразить через узловые потенциалы и э.д.с. ветвей:
;
;

; (1.40)
;
.
Подставив (1.40) в (1.39), сгруппировав члены при φ1 и φ2 и перенеся члены с э.д.с. в правую часть, получим

(1.41)
где


(1.42)

.
Таким образом , множителем при φ1, является коэффициент G11, равный сумме проводимостей всех ветвей, сходящихся в первом узле (1.42). G12 равняется сумме проводимостей всех ветвей, соединяющих узел 1 с узлом 2, взятой со знаком минус. Ток I11 называют узловым током первого узла. Это расчетная величина, равная алгебраической сумме токов, полученной от деления э.д.с. ветвей, подходящих к узлу 1, на величину сопротивлений этих ветвей. Если э.д.с. направлена к узлу, то берется в I11 со знаком плюс, если от узла, то со знаком минус. Так же определяют G22, G21, I22 (см. 1.42).Если между какими-либо двумя узлами нет ветви, то соответствующая проводимость равна нулю. Решив систему (1.41) относительно φ1 и φ2, определим узловые напряжения цепи. Искомые токи определяют либо по закону Ома, либо по второму закону Кирхгофа для участка цепи, содержащей э.д.с.
Частным случаем метода узловых напряжений является метод двух узлов.
При наличии n ветвей между точками a и b применение метода узловых напряжений позволяет ограничиться составлением и решением одного уравнения для определения напряжения Uab между узлами a и b. Задавшись положительным направлением напряжения Uab (см. рис.1.25) и учитывая направления э.д.с в ветвях в соответствии с изложенным выше , получим формулу для определения напряжения Uab:
(1.43.)
где произведения EКgК берутся со знаком плюс , если э.д.с. действует от узла b к a и со знаком минус при обратном направлении . Токи ветвей определяются по выражению , составленному по второму закону Кирхгофа , при выбранном положительном направлении тока .
(1.44.)
Пользуясь методом двух узлов можно произвести замену искомых параллельных ветвей, содержащих источники э.д.с., одной эквивалентной.
Участок цепи (рис.1.25,а) будет эквивалентен цепи на (рис.1.25,б), если при любых значениях тока I , подтекающего из всей остальной, не показанной на рисунке части схемы, напряжение на зажимах a и b (Uab) в обеих схемах будет одинаковым. Составив уравнения для обеих схем (1.25. а и б) и приравняв
Рис 1.25 коэффициенты при Uab и токи, получим выражения для определения Eэкв и gэкв.
(1.45)
(1.46)
.
При подсчетах по формуле (1.45) следует иметь в виду следующее: если в какой-либо ветви схемы э.д.с. отсутствует, то соответствующее слагаемое в числителе (1.44) выпадает, но проводимость этой ветви в знаменателе (1.45) остается.
Пример 1.3.
В электрической цепи рис. 1.26
E1=40 B, E2=20 B, r01=r02=1 Oм, r1=9 Ом, r2=39 Ом, r3=10 Ом,
r4=30 Ом, r5=15 Ом, U1=45 B, U2=30 B
Пользуясь методом узлового напряжения, определить токи в ветвях.
Решение. При указанных положительных направлениях напряжения Uаb и токов в ветвях по формуле (1.43) определим Uаb

Воспользовавшись формулой (1.44), определим токи в ветвях:



, 
1.8.5. Метод наложения.
При расчете по методу наложения ток в любой ветви электрической цепи определяется как алгебраическая сумма токов, вызываемых в данной ветви каждой из э.д.с. в отдельности, в предположении равенства нулю всех остальных э.д.с.
Порядок расчета цепи методом наложения следующий. Из электрической цепи удаляют все источники э.д.с. и напряжений, кроме одного. Сохранив в электрической цепи все резистивные элементы, в том числе и внутренние сопротивления источников, производят расчет электрической цепи. Подобным образом поступают столько раз, сколько имеется в цепи источников. Результирующий ток каждой ветви определяют как алгебраическую сумму токов от всех источников.
Метод наложения весьма удобен для анализа явлений происходящих в электрических цепях при изменении их параметров.
1.8.6. Метод эквивалентного генератора.
Метод эквивалентного генератора используется в случае, когда необходимо найти ток, напряжение или мощность в одной ветви. При этом вся остальная
часть цепи, к которой подключена данная ветвь, рассматривается в виде двухполюсника (рис. 1.27, а). Двухполюсник называют активным, если он содержит
Рис 1.27 источники электрической энергии, и пассивным - в противоположном случае. Будем обозначать активный двухполюсник буквой А, а пассивный - буквой П.
Различают две модификации метода эквивалентного генератора: метод эквивалентного источника напряжения и метод эквивалентного источника тока.
Рассмотрим метод эквивалентного источника напряжения. Этот метод базируется на теореме Тевенина, согласно которой ток в любой ветви линейной электрической цепи не изменится, если активный двухполюсник, к которому подключена данная ветвь, заменить эквивалентным источником (генератором) напряжения. Э.д.с. этого источника равна напряжению холостого хода на зажимах разомкнутой ветви, а внутреннее сопротивление равно эквивалентному входному сопротивлению пассивного двухполюсника со стороны разомкнутой ветви (рис. 1.27, б).
Опуская доказательство этой теоремы, после замены активного двухполюсника эквивалентным источником в соответствии с этой схемой имеем:
(1.47)
Пример 1.4.
В электрической цепи (рис. 1.28, а).
U=100 B, E= 40 B, r1=r4=30 Ом, r2=r3=20 Ом, r=15 Ом, r0=1 Ом
Пользуясь методом зквивалентного генератора определить I и напряжение Uab.
Рис 1.28
Решение. При отключенном сопротивлении r (рис.1.28б) по закону Ома и на основании второго закона Кирхгофа получим:
Вам также может быть полезна лекция "11 Местная и общая реакция организма на хирургическую инфекцию".


После замены источников их внутренними сопротивлениями получим схему, изображенную на рисунке 1.29в, Между точками а и b последовательно соединены три участка цепи: участок с параллельно соединенными резисторами r1 и r3; участок, на котором параллельно соединены резисторы r2 и r4, и участок, содержащий резистор ro. В соответствии с этим, внутреннее сопротивление эквивалентного генератора (сопротивление относительно точек а и b) будет:

По формуле (1.47) и закону Ома получим
























