Энергосбережение при транспорте и распределении тепла
ГЛАВА 4
Энергосбережение при транспорте и распределении тепла
4.1. Расчет потерь тепла в тепловых сетях
Различают два вида потерь в тепловых сетях: с тепловыделением и от утечек теплоносителя, которые определяются конструкцией сети, ее состоянием и условиями эксплуатации.
Потери с тепловыделением. Существующие нормы потерь тепла в трубопроводах определяются значениями среднегодовых температур теплоносителя и окружающей среды.
Значения удельных потерь тепла при максимальных и других заданных температурах теплоносителя и соответствующей температуре окружающей среды определяют по формуле (4.1)
q1 =
, ккал/(ч м), (4.1)
где q1норм — нормы потери тепла на 1 м теплопровода в зависимости от диаметра, способа прокладки и теплоносителя (определяются по прил. 5 и 6) при среднегодовой температуре теплоносителя tcp, ккал/(ч м);
q1 - удельные потери тепла 1 м теплопровода при заданной температуре теплоносителя t, ккал/(ч м);
Рекомендуемые материалы
tокр. ср. г - среднегодовая температура окружающей среды, при которой заданы нормы потерь тепла, °С;
tокр. ср - фактическая среднегодовая температура окружающей среды, °С.
При подземных прокладках в непроходных каналах температура окружающей среды принимается равной температуре воздуха в канале.
При подземной бесканальной прокладке температура окружающей среды равна температуре грунта на глубине заложения трубопровода. При надземной прокладке температура окружающей среды равна температуре наружного воздуха.
Температурный расчетный (максимальный) график подачи теплоносителя от ЦТП и котельных для прямых и обратных магистралей равен соответственно:
tподтн рас = 95 °С и tобртн рас = 70 °С.
Температурный график среднегодовых температур подачи теплоносителя для прямых и обратных магистралей равен соответственно:
tподтн ср = 59 °С и tобртн ср = 47 °С.
Для трубопроводов надземной прокладки температура окружающей среды, при которой заданы нормы потерь тепла, равна среднегодовой температуре окружающей среды за отопительный период.
Для трубопроводов подземной прокладки в непроходных каналах температура окружающей среды, при которой заданы нормы потерь тепла, принимается равной:
tпкокр. ср. г = 
Для трубопроводов подземной не канальной прокладки температура, при которой заданы нормы потерь тепла, равна среднегодовой температуре грунта и составляет для средней полосы России (на глубине 0,8 м):
tпбокр. ср. г =
°С.
Расчетные (минимальные) температуры окружающей среды равняются:
для трубопроводов надземной прокладки
tнокр.рас = -31 °С
для трубопроводов подземной прокладки в непроходных каналах
tнокр.ср = 40 °С; tпкокр. рас = 
для трубопроводов подземной бесканальной прокладки
tпбокр.рас = 1 °С
(средняя зимняя температура грунта на глубине 0,8 м).
С учетом вышеизложенного, формулы для определения потерь тепла тепловыделением приведены в прил. 7.
Для расчета максимальных часовых потерь
используются максимальные удельные потери q1макс, для расчета средних часовых потерь
-средние удельные потери qlcp.
Таким образом, исходными данными для расчета потерь тепла тепловыделением рассматриваемых сетей являются удельные потери тепла и суммарные длины участков трасс с учетом способов прокладки.
Потери тепла с утечкой теплоносителя. Среднечасовая величина утечки за год принимается равной 0,25% от объема воды в трубопроводах тепловой сети и присоединенных к ним местных систем отопления зданий. Расчетная (максимальная) часовая величина утечки, учитывая возможные колебания в течение года в зависимости от режима работы системы, принимается равной 0,5% от всего объема теплоносителя. Объем воды в трубопроводах тепловой сети определяется в зависимости от их протяженности и диаметра по сводной специфики. Удельный объем воды в трубопроводах в зависимости от диаметра приведен в прил. 8. Для трубопровода с другим диаметром удельный объем можно определить по выражению
V1тр =
, м3/км, (4.2)
Ду - условный диаметр, мм.
Удельный объем воды в системах отопления зданий по всему объекту на 1 Гкал/ч суммарного расчетного расхода тепла принимается равным:
для жилых районов - 30 м ;
для промышленных предприятий - 15 м3.
Годовые потери тепла с тепловыделением и утечкой за отопительный сезон, Гкал, рассчитываются по формуле
= (
+
) tот 20 10-6 (4.3)
где tот - продолжительность отопительного сезона.
4.2. Реконструкция тепловых сетей и тепловых пунктов
Регулирование отпуска тепла с применением частотно-регулируемых приводов
Известны системы с регулирующим клапаном на перемычке между подающим и обратным трубопроводами. Новая схема отличается благоприятным режимом работы регулирующего оборудования и низким расходом электроэнергии на работу насосов. Она предназначена для модернизации существующих ЦТП путем введения централизованного регулирования температуры теплоносителя на выходе из ЦТП при зависимом присоединении систем отопления к тепловой сети и использовании частотно - регулируемых приводов (ЧРП).
Имеется несколько типов приводов, которые могут использоваться с насосами в тепловых сетях: частотно-регулируемые и приводы постоянного тока, механические вариаторы, а также двигатели с фазным ротором. Наиболее перспективными на сегодняшний день являются частотно-регулируемые приводы.
Приводы постоянного тока так же, как и двигатели постоянного тока, постепенно уступают свои позиции в системах управления с переменной скоростью. При их использовании снижается надежность оборудования, повышаются эксплуатационные затраты и сметная стоимость оборудования. Механические вариаторы в большинстве случаев могут быть заменены ЧРП, который в состоянии обеспечить заданный момент на валу асинхронного двигателя в интервале от 0 до 100% номинальной скорости двигателя.
Применение двигателей с фазным ротором ограничивает диапазон изменения скорости количеством ступеней переключения обмоток ротора и предполагает дополнительные потери мощности во время пуска, что сужает область использования таких двигателей и не обеспечивает в полной мере эффективности метода изменения скорости в системах с насосами и вентиляторами. При этом затраты на его обслуживание превышают затраты на обслуживание асинхронных двигателей.
Современный ЧРП представляет собой электронное микропроцессорное устройство, преобразующее входное переменное напряжение (одно-или трехфазное) частотой 50 Гц в переменное трехфазное напряжение с синусоидальной формой тока и регулируемой частотой. Быстродействующая микропроцессорная система управления ЧРП позволяет обеспечить нагрузочную характеристику обыкновенного асинхронного двигателя почти идентичную двигателю постоянного тока.
Частотно-регулируемые приводы в современных условиях перекрывают диапазон мощностей от 0,1 до 10000 кВт и предназначены для работы со стандартными асинхронными двигателями. Это дает возможность легко встраиваться в уже существующие системы.
Пример такой системы приведен на рис. 4.1, где частотно-регулируемый привод установлен в ЦТП.

Рис. 4.1. Схема ЦТП с частотно-регулируемым приводом:
1 - корректирующие насосы, управляемые частотно-регулируемым электроприводом и установленные на перемычке между подающим и обратным Трубопроводами; 2 - электронный регулятор температуры, поддерживающий заданный температурный график; 3 - гидравлический регулятор давления
Период работы системы - период осенне-весенней срезки температурного графика. В зимнее время корректирующие насосы отключены.
Для работы системы подогреватели ГВС переводятся на смешанную ему При наступлении весеннего (осеннего) периода, когда температура в тепловой сети превышает требуемую для системы отопления, электронный регулятор через преобразователь частоты включает насос, который добавляет систему столько охлажденного теплоносителя из обратного трубопровода, сколько необходимо для поддержания требуемой температуры. Гидравлический регулятор, в свою очередь, закрывается, сокращая таким образом подачу сетевой воды и выдерживая заданный гидравлический режим.
Предложенная система автоматического регулирования обеспечивает стабильный расход теплоносителя и помогает выдерживать заданный температурный график на систему отопления в период срезки температурного графика в тепловой сети (рис. 4.2).

Рис. 4.2. Расчетная экономия тепла в период срезки температурного графика (в межсезонье)
4.3. Применение новых теплоизоляционных материалов
Тепловые сети - наиболее ответственный и технически сложный участок систем теплоснабжения и всего городского хозяйства. Необходимость соблюдения нормативных потерь тепла, высокие рабочие температуры и давление теплоносителя определяют повышенные требования к теплопотерям и безопасности сетей теплоснабжения.
Применение традиционных материалов (минваты) и традиционных технологий при прокладке и ремонте тепловых сетей приводит к необходимости полной замены труб и теплоизоляции через 10-15 лет и большим потерям при транспорте тепла.
В настоящее время разработаны и применяются в практике теплоснабжения новые энергосберегающие технологии и материалы, которые снижают теплопотери в 2-3 раза по сравнению с нормативными и удлиняют срок эксплуатации до 30 лет. При этом не только улучшаются технологические свойства теплопроводов, но и снижается стоимость прокладки, а также появляется возможность бесканальной прокладки.
|
|
|
|
На графиках (рис. 4.3) даны сравнительные характеристики традиционной тепловой изоляции (минваты) и новых теплоизоляционных материалов: армопенобетона (АПБ) и пенополиуретана (ППУ).
Рис. 4.3. Сравнительная характеристика трубопроводов с различными видами теплоизоляции
Применяемый для теплоизоляции двухкомпонентный пенополиуретан имеет следующие характеристики:
• среднюю плотность по всей длине трубы - не менее 80 кг/м3;
• прочность на сжатие - 0,4-0,6 H/ мм2 ;
• влагопоглощение - не более 10% по объему;
• объемную долю закрытых пор - не менее 88%;
• теплопроводность при 20°С - не более 0,03 Вт/(м К).
ППУ изоляция на стальные трубы наносится в заводских условиях с помощью специальных заливочных машин или методом напыления непосредственно на тело трубы. Стальная труба и слой пенополиуретана надежно защищены от влаги оболочкой из тонкостенной полиэтиленовой трубы. При надземной прокладке применяется оболочка из оцинкованной стали. Места стыков труб изолируются готовыми пенополиуретановыми скорлупами, покрываемыми затем специальной полиэтиэтиленовой термоусаживающейся пленкой или термоусаживающимися манжетами с заливкой в них компонентов ППУ на месте монтажа.
Институтом ВНИПИЭнергопром (ВНИПИТеплопроект) разработана и внедрена эффективная конструкция полимербетонной теплогидроизоляции для теплопроводов различного назначения. Теплопроводы с такой изоляцией могут быть использованы для прокладки подземных (бесканальных и канальных) и надземных тепловых сетей, работающих в условиях воздействия температуры теплоносителя до 150°С.
Полимербетонная теплогидроизоляция является моноконструкцией. В процессе ее изготовления образуется антикоррозионное покрытие (корка на трубе), основной теплогидроизоляционный слой и плотный наружный слой, обеспечивающий защиту изоляции от проникновения влаги, а также конструкции от механических повреждений при транспортировке и монтаже.
Корковые слои и основной теплоизоляционный слой формируются одновременно в одной технологической операции.
Высокие физико-механические и антикоррозионные показатели полимербетонной смеси, а также возможность широкого направленного варьирования свойств обеспечивают надежную работу всего монослоя с трубой в различных гидрологических условиях.
Трудоемкой подготовки и очистки поверхностей труб, необходимой для нанесения антикоррозийных покрытий, при использовании полимербетонной изоляции не требуется.
Основными техническими характеристиками конструкции являются:
• объемная масса, кг/м3 450+50
• пределы прочности, МПа, не менее:
при сжатии 1,5
при изгибе 2,4
• адгезия к стальной трубе, МПа 0,3-0,6
• термостойкость, °С 150-180
• коэффициент теплопроводности, Вт/(м-К) 0,07
Строительство тепловых сетей с изоляцией на основе полимербетонной смеси значительно проще строительства тепловых сетей с изоляцией из автоклавного армопенобетонна, битумоперлита, фенольного поропласта и других материалов, используемых в отечественной и зарубежной практике. Для изоляции труб.
Наиболее перспективной технологией получения теплоизоляционного слоя является заливка его в полость между трубой и внешним покрытием. Конструкция теплопровода с заливочным пенополиуретаном представлена на рис. 4.4.

Рис. 4.4. Конструкция изоляции трубопровода заливочным пенополиуретаном:
1 - теплоизоляционный слой; 2 - дистанционная опора; 3 - отделка торцов;
4 - элемент покрытия; 5 - винт; 6 - герметик; 7 - отверстия для заливки ППУ;
dT, dm - диаметры трубопровода и изоляции, dНЗ - толщина изоляции
Теплопроводы являются сложными инженерными сооружениями, где, кроме основного элемента трубопроводов с большим количеством сварных стыков, теплотрасса имеет компенсаторы, опоры, арматуру и другие элементы теплоизоляция которых представляет собой определенную сложность.
Сегодня эти проблемы решены, что позволяет снизить тепловые потери при транспорте теплоносителя.
Теплоизоляция сварных стыков осуществляется в виде неразъемной муфты, предварительно устанавливаемой на трубопровод до сварки металлического стыка. Материал муфты выполнен из полиэтилена, обладающего способностью к термоусадке. После термоусадки стык дополнительно приваривается к полиэтиленовым оболочкам сопрягаемых элементов.
Схема установки стыков изображена на рис. 4.5.


Рис. 4.5. Схема установки теплоизоляции на стыке
Сварка муфты и полиэтиленовой оболочки производится специальным сварочным трансформатором, а термоусадка муфты - газовой горелкой. Такая технология соединения оболочек предполагает долгий срок службы теплотрассы в целом.
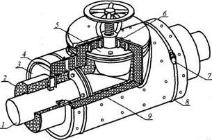
К числу «неудобных» для тепловой изоляции элементов сети относятся вентили. Их утепляют в основном двумя способами: полносборными конструкциями и теплоизоляционными матрацами рис. 4.6 и 4.7.
Для внутриквартальных тепловых сетей сегодня разработаны гибкие трубопроводы ИЗОПЭКС (Санкт-Петербург) и ПРОФЛЕКС (Москва), представляющие собой предварительно изолированную систему, конструкция которой включает в себя несущую трубу из модифицированного полиэтилену изолированную пенополиуретаном и наружной бесшовной гидрозащитной гофрированной полиэтиленовой оболочкой. Конструкция теплопроводов в однотрубном и двухтрубном исполнении представлена на рис. 4.8. Трубопроводы могут поставляться "бухтами". Это обеспечивает простоту и удобство транспортировки. Монтаж характеризуется значительным уменьшением количества или полным отказом от стыков соединений на трассе.

Рис. 4.6. Изоляция фланцевого вентиля полносборными конструкциями:
1 - трубопровод, 2 - изоляция, 3 - диафрагма, 4 - опорное кольцо, 5 - вентиль, 6 - стойки, 7 - замок, 8 - бандаж, 9 - полуфутляр с теплоизоляционным слоем

Рис. 4.7. Конструкция изоляции клапана теплоизоляционными матрацами:
а - общий вид изоляции, б - развертка матрацев; 1 - теплоизоляционная конструкция трубопровода, 2 - проволока латунная, 3,6- крючки, 4 - матрацы, 5 – бандаж
По сравнению со стальными трубами в ППУ изоляции, для прокладки системы ИЗОПЭКС с двумя функциональными трубами ширина траншеи, а следовательно, и объемы земляных работ уменьшаются на 40%. Гибкость трубопроводов обеспечивает согласование практически с любыми условиями трассы. Создается возможность прокладки трубопроводов под существующими трубопроводами или в направлении, поперечном к существующим трубопроводам. Это особенно актуально для стесненных условий городской застройки, насыщенной подземными коммуникациями.
Благодаря гибкости конструкции упрощен монтаж: нет неподвижных щитовых опор, компенсаторов, возможна любая конфигурация трассы, отсутствует сварка.
| Рис. 4.8. Трубы ИЗОПЭКС в одно- и двухтрубном вариантах |
|
|
При проектировании тепловой защиты трубопроводов необходимо учитывать снижение теплотехнических свойств изоляционных материалов в процессе эксплуатации. На рис. 4.9 представлен график увеличения тепловых потерь в зависимости от срока службы теплопроводов. Отсюда видно, что современные теплоизоляционные материалы практически не подвержены старению, их теплоизоляционные качества не меняются со временем, но вместе с тем минераловатные и битумоперлитные материалы после 12-15 лет снижают свои теплотехнические характеристики.
Для выбора материала и конструкции тепловой изоляции рекомендуется пользоваться табл. 4.1, 4.2, где проведено сравнение наиболее употребительных материалов по теплотехническим и эксплуатационным свойствам.

Рис 4.9. График зависимости тепловых потерь бесканальными теплопроводами d = 529 мм с изоляцией различного типа в зависимости от срока эксплуатации (по данным ВНИПИТеплопроект - ВНИПИЭнергопром)
Таблица 4.1. Характеристика различных типов изоляции
| Наименование показателя | Единица измерения | Характеристика изоляции | ||||
| ППУ | АПБ | MB | ППБ | ФП | ||
| Коэффициент теплопроводности | Вт/м К) | 0,033 | 0,05 | 0,05 | 0,07 | 0,058 |
| Приведенные тепловые потери, (Qфакт/Qнорм) | 1,0 | 1,6 | 1,6 | 1,7 | 1,6 | |
| Плотность, не более | кг/м | 95 | 200 | 100 | 400 | 11О |
| Термостойкость нормируемая | °С | 150 | 180 | 300 | 150 | 180 |
| Влагонасыщение | % за 30 сут. | 6 | 70 | 70 | 6 | 70 |
| Прочность на сжатие | МПа | 0,4 | 0,8 | - | 0,5 | 1,2 |
| Средний срок службы | Год | 25-30 | 10-15 | 8-10 | 25-30 | 5-10 |
| Доля от общего количества проложенных сетей в мире (ориентировочно) | % | 80 | - | 20 | - | - |
| Доля от общего количества проложенных сетей в России (ориентировочно) | % | 8 | Только в СПб | 80 | 0,3 | 0,005 |
Условные обозначения:
ППУ - пенополиуретановая изоляция в оболочке из полиэтилена;
АПБ - изоляция из монолитного автоклавного армопенобетона;
MB - подвесная изоляция из минераловатных изделий;
ППБ - изоляция из пенополимербетона;
ФП - изоляция из фенольного поропласта.
Таблица 4.2 Применение различных типов изоляции
| Место применения | Использование изоляции | ||||
| ППУ | АПБ | MB | ППБ | ФП | |
| Надземная прокладка | + | + | + | + | + |
| Прокладка в каналах | + | + | + | + | + |
| Бесканальная прокладка | + | + | - | + | + |
| Повороты при прокладке в каналах | + | + | + | + | + |
| Повороты при бесканальной прокладке | + | - | - | - | - |
| Запорная арматура в камерах | + | + | + | + | + |
| Запорная арматура без камер | + | - | - | - | - |
| Заливка стыков на трассе | + | - | + | + | |
| Рекомендуем посмотреть лекцию "20 Автоматия". Заделка стыков готовыми изделиями | + | + | + | + | + |


























