Автогенераторы
Лекция №14. Автогенераторы.
Автогенератор – устройство, предназначенное для создания колебаний, вид которых, форма, частота, амплитуда и другие параметры не зависят от начальных условий и от внешнего сигнала, а определяются только структурой устройства.
Любой автогенератор (АГ), можно представить как усилитель с обратной связью (ОС), упрощенная схема которого представлена на рисунке:

На этой схеме под действием ПОС коэффициент усиления увеличивается, тогда 
; 
k – коэффициент передачи усилителя без обратной связи
Рекомендуемые материалы
- коэффициент усилителя,
- сдвиг фазы в усилителе
- коэффициент ослабления,
- сдвиг фазы в цепи ОС
При излучении усилителя с ОС показано, что коэффициент передачи с учетом ОС имеет величину
.
Два условия автоколебаний:
1. Фазовое условие
, то есть обратная связь должна быть положительной. Это означает, что при прохождении по кольцу обратная связь сдвигает по фазе на
.
2. Энергетическое условие.
Петлевой коэффициент усиления 
При этом
и при
получается конечное
. Энергия, передаваемая усилителем от источника питания, больше или равна, чем энергии, поглощаемой в цепи ОС. Колебания раскачиваются от малых флуктуаций при их многократном прохождении по петле ОС вплоть до ограничения их амплитуды мощностью источника питания или нелинейными эффектами, препятствующие отбору энергии от него.
Структурная схема автогенератора:

Активный элемент - транзистор, микросхема, усилитель и т.п. служащие для передачи энергии от источника колебаний Колебательная цепь - пассивная, состоящая из R, L, C и определяющая вид колебаний.
Три классические схемы LC-автогенераторов
В этих схемах колебательной цепью служит контур LC, определяющий частоту колебаний.
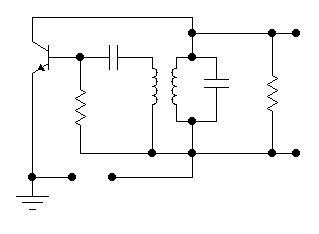
А). Схема с трансформаторной обратной связью.















Активный элемент – транзистор или диод.
Колебательная цепь – LC контур.
Цепь OC – трансформатор с коэффициентом взаимоиндукции M, определяющим
и энергетическое условие.
ПОС делается за счет направления намотки катушек и определяет фазовое условие.
E – источник питания.
R – служит для установки рабочей точки транзистора.
Разделительная ёмкость
препятствует попаданию постоянного напряжения E на базу через
,
, чтобы переменный ток не замечал ёмкость
.
сопротивление нагрузки и выходное напряжение на нём.
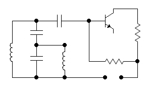
Б). Схема с автотрансформаторной обратной связью.















В отличие от схемы А, переменное базовое напряжение обратной связи снижается с индуктивности
, представляющей части полной индуктивности колебательного контура,
.
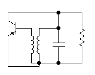
В). Схема с ёмкостью обратной связью.















Связи снимается с ёмкости С1, представляющей часть полной ёмкости колебательного контура
.
служит для того, чтобы замкнуть эмиттер на батарею по постоянному току. Должно быть
чтобы не было замыкания по переменному току.
Данные генераторы вырабатывают гармонические колебания, определяемые контуром.
Уравнение колебаний и условие самовозбуждения АГ на примере схемы А.
Пренебрежём влиянием на переменный ток элементов R и
, служащих для установки рабочей точки, а также сопротивлением батареи для переменного тока. Тогда получим следующую схему АГ по переменному току i(t) и переменному напряжению u(t). Получим:












(1)
(2)
Продифференцируем (1)
и используем (2):

Переходя к круговой частоте колебаний контура
(
) и декременту затухания
(
), получим:
(3)
Если транзистора нет, то
: решение известно:
, получаются затухающие колебания:

Учтем транзистор, используя проходную характеристику
и выделяя постоянную и переменную часть напряжения и тока:



Используя около рабочей точки разложение в ряд
Тейлора: 
Получим:

(4), где
- крутизна;
Переменное напряжение на базе определяется коэффициентом взаимоиндукции M>0 и направлением навивки L, L1 определяющим знак:
, так как
, то
(5)
Используя (4), имеем:

Получим из (3):
(6) - уравнение колебаний
Введем эквивалентный декремент
:
.
Тогда уравнение колебаний АГ примет вид:
(7)
Решение уравнения (7) имеет вид:

Рассмотрим разные случаи:
1).
- генератор не самовозбуждения. Это или ООС, знак “+”, или ПОС, знак “-”, при
, то есть потери преобладают над усилением по петле.
2).
. Это ПОС – знак “-”, при
, есть самовозбуждение, то есть усиление по петле компенсирует потери.
Итак, два условия самовозбуждения принимают вид:
1). ПОС – фазовое условие, знак “-” определяется направлением навивных катушек трансформатора L, L1.
2).
- энергетическое условие, определяемое соотношением усиления транзистора (крутизной проходной характеристики S), коэффициентом взаимоиндукции М и потерями в контуре, то есть декрементом
. При выполнении условий самовозбуждения вместо затухающих получаем нарастающие колебания.
Максимальная амплитуда колебаний ограничивается нелинейными явлениями в транзисторе, которые обуславливают нелинейность его характеристики
. Если учесть в разложении Тейлора около рабочей точки
не только линейный член, но и более высокие степени, то имеем:

И в выражение (4)войдет крутизна
, зависящая от переменного напряжения базы:

И вместе с тем от переменного напряжения нагрузки
, как было показано для усилителей мощности, эта крутизна уменьшается с ростом переменного напряжения. Поэтому энергетическое условие колебаний выполняется только до некоторого максимального значения переменного напряжения
, которое и определяет максимальную выходную мощность и КПД автогенератора.
Анализ режимов работы АГ с помощью диаграмм Ламерея.
Вернёмся к структурной схеме автогенератора. Колебания генерируются на частоте
, определяемой колебательной цепью, в частности для LC-генераторов
, то есть
.
Для LC автогенератора напряжение на входе
, нелинейно связано с напряжением на выходе
, поэтому и комплексные амплитуды
и
также связаны нелинейно. Зависимость
называется амплитудной характеристикой (АХ) усилителя.
Удобно строить АХ относительно выходной
и входной
мощностей.

Величина отношения:

Представляет коэффициент усиления по мощности.
![]() | |||
![]() | |||
Прямая линия обратной связи отображает зависимость от
м
ощности
, передаваемой на вход с выхода усилителя через линейную цепь обратной связи.
,
где
- коэффициент передачи цепи ОС по мощности.
На диаграмме Ламерея изображаются обе характеристики вместе – АХ усилителя и линия ОС. С помощью этой диаграммы можно рассмотреть установление колебаний. Предполагается, что фазовое условие возникновения колебаний выполнено.
Пусть в некоторый момент t1 входе генератора из-за флуктуаций тока в цепи или по другим причинам возникла мощность
После усиления на выходе появится мощность
, которая частично будет передана на вход через цепь ОС и приведёт к появлению
в момент t2. Далее процесс продолжается
В зависимости от вида АХ и параметра
возможны разные режимы.
1. Мягкий режим самовозбуждения.
Получается при выпуклой АХ.
Будем регулировать ОС, изменяя
:
мало, т.е.

по касательной к АХ при 

Если
, то самовозбуждения нет, т.к.
получается
.
Генератор самовозбуждения при
. Переход в стационарную точку возможен при сколь угодно малой начальной мощности
.
2. Жесткий режим самовозбуждения АГ.
Получается при АХ с перегибом.

В таком режиме для самовозбуждения надо задать конечную начальную амплитуду (мощность) от внешнего источника.
При
переход к 
При
переход к 

При
точка стационарна, но неустойчива. Малое отложение (флуктуация) переводит либо в 0, либо в 
После установления колебаний внешний источник можно отключить – генератор продолжает работать.
Гистерезис возможен при АХ с перегибом.
При малом
(слабая ОС) нет самовозбуждения.
При увеличении ОС до
колебания не возникают,
если нет внешнего источника.
Рекомендация для Вас - 12 Гипоксия внутриутробного плода и асфиксия новорожденных.
При уменьшении ОС до
получается мягкое
самовозбуждение от малых флуктуаций.
При уменьшении ОС до
эти колебания остаются
(как при жестком самовозбуждении с конечной начальной амплитудой).
При уменьшении ОС до
срыв колебаний.
























