Усилитель промежуточной частоты- два принципа построения
29. Усилитель промежуточной частоты – два принципа построения. Виды полосовых фильтров для УПЧ.
УПЧ отличаются от УРЧ большим коэффициентом усиления, следовательно они многокаскадные, полосовой фильтр более селективный, усилители ПЧ не перестраиваются. По сравнению с УРЧ требования к собственному электрическому шуму ниже.
Существует 2 основных подхода к построению схем УПЧ:
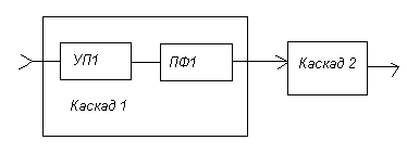
1) УПЧ реализуется в виде нескольких каскадов и каждый каскад содержит свой узкополосный фильтр.

Чем больше каскадов, тем больше коэф-т усиления и выше избирательность. Такие усилители называются УПЧ с покаскадным наращиванием избирательности и усиления.
Недостатки подхода: при воздействии дестабилизирующих факторов на усилительный прибор изменяется настройка ПФ в каскаде, т.к. меняются реактивные и активные вх. и вых. сопротивления усилительного прибора. При этом нарушается согласованная работа полосовых фильтров, следовательно уменьшается селективность усилителя, поэтому более перспективным является второй подход.
2)
Усилитель состоит из высокоселективного ФСИ и многокаскадного, относительно широкополосного усилителя.

Рекомендуемые материалы

Несмотря на возможные значительные изменения АЧХ ШУ под воздействием дестабилизирующих факторов, в итоге АЧХ УПЧ меняется намного меньше, чем в 1-ом подходе.
Недостатком УПЧ с ФСИ является большой КШ, что связано с большим затуханием сигнала в многозвенном ФСИ, поэтому для снижения КШ перед ФСИ устанавливают 1,2 каскада предварительного усиления.
Кроме того, количество усилительных приборов в данном УПЧ больше, т.к. Ш каскад усиления имеет коэффициент усиления, чем узкополосный.
Разновидности ФСИ применяемые в УПЧ:
Наиболее часто используется пьезо-керамические фильтры. Т.к. перестройка этих фильтров невозможна, то они выпускаются заранее настроенные на стандартные значения ПЧ. Достоинством фильтра являются малые габариты, большая добротность, что обеспечивает высокую степень прямоугольности АЧХ, что характеризуется коэффициентом прямоугольности.

=0,1…0,01
Следующая особенность – при достаточно больших расстройках нарушается монотонность зависимости затухания от величины расстройки.
Более высокую добротность имеют кварцевые фильтры. Они обладают более узкой полосой, большей селективностью и устойчивостью к воздействию дестабилизирующих факторов. Стоимость выше.
Используются также электро-механические фильтры, в которых резонансные явления реализуются в механических системах. Достоинство фильтра – возможность работы в НЧ.
В последнее время широко распространены фильтры на ПАВ (поверхностные акустические волны). Они сочетают высокую добротность с возможностью реализации ЧХ различной формы. Недостаток ПАВ – невозможность реализации в НЧ.
LC фильтры имеют по сравнению с предыдущими возможности перестройки и создания АЧХ различного вида. Могут работать в широком диапазоне частот. Недостаток: малая стабильность, большие габариты. Часто используются в системах с пьезо-керамическими и кварцевыми фильтрами.
Активные RC фильтры (ARC). Достоинство: нет катушек индуктивности. Недостаток: относительно НЧ, малая добротность.
Дискретные фильтры, реализуются на приборах с зарядовой связью. Позволяют перестраивать фильтры программным способом и обладают высокой степенью стабильности.
Цифровые фильтры – полностью цифровая реализация допускает как программное, так и аппаратное решение. Основной недостаток – только НЧ.
Главное условие использования ФСИ – необходимо при проектировании приемника задаться стандартным значением ПЧ.
УПЧ с покаскадно наращиваемой избирательностью и усилением: если необходимо обеспечить совместную работу LC фильтров и пьезокерамики, то приходится использовать каскады УПЧ с покаскадно наращиваемой изб и усилением. Кроме того, использование такого вида УПЧ оправдано при низких требованиях, предъявляемых к избирательности приемника. Основные виды реализации:
Вам также может быть полезна лекция "Период боярского правления".
1) УПЧ с одинаково настроенными одиночными контурами. Достоинство – низкая стоимость, недостаток – большой коэффициент прямоугольности.
2) Использование 2-х контурных полосовых фильтров. Достоинство – меньший коэффициент прямоугольности, но стоимость выше.
3) Каскады на расстроенных контурах:
- с попарно расстроенными
- с тройками расстроенных контуров
УПЧ на расстроенных двойках – половина каскадов настроена на одну частоту, половина – на другую (аналогично на тройках).





















