Типовые схемы установки заготовок в приспособлениях
3. Типовые схемы установки заготовок в приспособлениях.
3.1 Установка деталей на наружную цилиндрическую поверхность.

При установке валика в призму погрешность базирования будет зависеть от угла призмы a и допуска на диаметр D.
Предположим, что на призму поочередно установили два вала из партии: один с диаметром Dmax, другой с Dmin. Определим:
- расстояние
между верхними образующими валов;
- расстояние
между нижними образующими валов;
- расстояние
между их осями.
![]() |
Эти расстояния и будут погрешностями базирования соответствующих размеров при установке их по схемам рис. 6.


Рекомендуемые материалы


![]() |
можно определить из равенства:

![]() |
При угле призмы a = 90° погрешность базирования будет:

При установке по схемам, показанным на рис. 6 (a = 180°) погрешности базирования будут:

Таким образом, наименьшая погрешность базирования возникает при выполнении обработки по схеме рис. 6-б.
3.2 Установка заготовок на центровые гнезда и конические фаски.
В этом случае при установке в жестких центрах возможны погрешности в радиальном и осевом направлениях.

На первом переходе погрешность в радиальном направлении создается погрешностью зацентровки, т.е. смещением оси центровых гнезд относительно оси заготовки. Приближенно эту погрешность можно определить по формуле:
,
где Т – допуск на диаметральный размер заготовки.
Эта погрешность проявляется в виде биения заготовки. На последующих переходах погрешность уменьшается и вместе с другими составляющими погрешности укладывается в поле допуска.
В осевом направлении погрешность создается за счет колебаний размера левого центрового гнезда, являющегося и упорной базой.
,
где y – длина конуса центрового отверстия;
Dy – разность между наибольшей и наименьшей длиной конуса центрового гнезда у партии заготовок.
Для обеспечения постоянного положения заготовки в осевом направлении применяется установка деталей по схеме приведенной на рис. 8-б.
Погрешности базирования для осевых размеров.

Установка на жесткий передний и выдвижной задний центры:
Погрешности базирования:

![]() |
Установка на плавающий передний и выдвижной задний центры:
Погрешности базирования:
,
где Т – допуск на длину заготовки;
Тц – допуск на глубину левого центрового отверстия.
3.3 Базирование по плоскости и отверстию с применением установочных пальцев.
Эти схемы делятся на три группы:
- по торцу и отверстию;
- по плоскости, торцу и отверстию с осью параллельной плоскости;
- по плоскости и двум перпендикулярным к ней отверстиям.
При базировании деталей по торцу и отверстию в зависимости от условий обработки возможны 2 случая:
- основной базирующей поверхностью является отверстие;
-
![]() |
основной базирующей поверхностью является торец.
Когда базирование детали осуществляется на длинное отверстие с установкой на высоком цилиндрическом пальце отверстие является основной базой, несущей 4 опорные точки, торец – одну; у детали составлена одна степень свободы – возможность вращаться вокруг пальца. Аналогичной является схема базирования на жесткой токарной оправке (рис. 11-б).
![]() |
В случае, когда за основную базу принимаю торец детали (деталь устанавливают на плоскость, а отверстие является дополнительной базой) установочные пальцы должны быть низкими.
Например для обработки отверстия Æd ^ плоскости Б за главную базу принимаем плоскость Б, т.к. требуется обеспечить ^ оси обрабатываемого отверстия к этой плоскости. В результате базирования заготовка лишается трех степеней свободы (вращения вокруг осей Y и X и движения вдоль оси Z). Так как деталь круглая и одна степень свободы может остаться, то вторая база должна лишать деталь 2-х степеней свободы: перемещений по осям X и Y. Таким элементом является цилиндрический палец с короткой опорной поверхностью. Высота пальца выбирается из условия отсутствия заклинивания при установке на него детали:
,
где n – отклонение от перпендикулярности торца и оси базового отверстия.
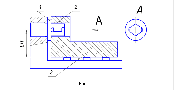
При базировании детали по плоскости, торцу и отверстию для полного прилегания плоскости к опорам и выдерживания размера L+T необходимо палец выполнять ромбической или срезанной формы.

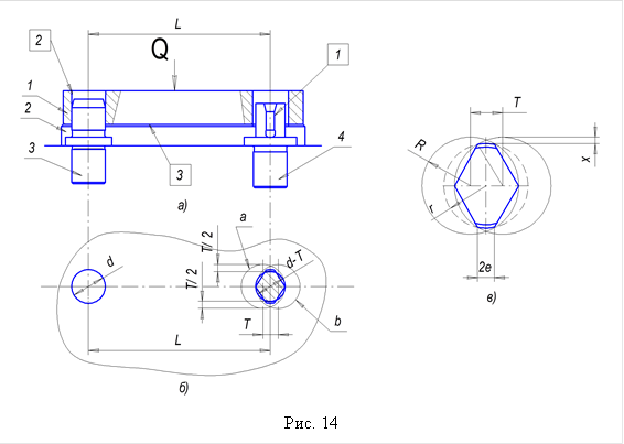
Установка заготовки на 2 цилиндрических отверстия с параллельными осями и перпендикулярную к ним плоскость.
Эта схема используется при обработке деталей малых и средних размеров типа корпусов, плит, рам и картеров. Ее достоинства: простая конструкция приспособления и возможность достаточно полно выдержать принцип постоянства баз на различных операциях технологического процесса.

Базовую плоскость заготовки подвергают чистовой обработке, а отверстия разворачивают по 7 квалитету (Н7). установочными элементами служат опорные пластины и 2 низких жестких пальца.
Заготовку 1 ставят на пластины 2 и пальцы 3 и 4. При допуске T на расстояние L между осями базовых отверстий одно из них (рис. 14-б) может занимать два предельных положения. Очевидно, что область, образованная пересечением окружностей а и б, относится ко всем заготовкам данной партии. если правый палец будет цилиндрическим, то его диаметр должен быть равен
d-T; в этом случае при базировании возможно возникновение покачивания заготовки на левом пальце от среднего положения на величину
. Более целесообразна ромбическая (срезанная) форма пальца с цилиндрической ленточкой шириной 2е. Величина покачивания х составляет (рис.14-в):

Пример: r = 50 мм, е = 10 мм, Т = 0,1 мм
мм
При цилиндрической форме пальца (диаметр = d-T) покачивание составит 0,1 мм.
Погрешность при установке детали на 2 пальца (цилиндрический и ромбический).

Эта погрешность характеризуется максимальным и минимальным смещением заготовки от ее среднего положения в направлениях, перпендикулярных к осям цилиндрического и ромбического пальцев.
Минимальное смещение оси цилиндрического пальца:
- минимальный радиальный зазор в посадке отверстия на палец.
Максимальное смещение оси цилиндрического пальца:
,
где Т1 – допуск на диаметр базового отверстия;
Т’1 – допуск на диаметр цилиндрического пальца;
Т’1из – допуск на его износ.
Минимальное смещение оси ромбического пальца:
- минимальный радиальный зазор в посадке отверстия на палец.
Максимальное смещение оси цилиндрического пальца:
,
где Т2 – допуск на диаметр базового отверстия;
Т’2 – допуск на диаметр ромбического пальца;
Т’2из – допуск на его износ.
По величинам смещений находят погрешность установки для выполняемых размеров.
Ещё посмотрите лекцию "2.3 Образование и воспитание в XVIII веке" по этой теме.
Наибольший угол поворота a заготовки от ее среднего положения равен:

с учетом максимальных смещений пальцев в отверстиях :

Для уменьшения угла a расстояние L следует брать наибольшим. При прямоугольной в плане базовой плоскости базовые отверстия располагают на концах ее диагонали.
| Из приведенных схем видно, что установка детали на высокий цилиндрический палец отнимает у нее 4 степени свободы, на низкий цилиндрический палец – 2, на высокий срезанный – 2, на низкий срезанный – одну степень свободы. |




























