Двухтактные ум
4.4. Двухтактные ум
Двухтактные УМ ввиду возможности использования режимов АВ, В, С и D характеризуются лучшими энергетическими показателями. На рисунке 4.5 приведена схема двухтактного УМ с трансформаторной связью.

При работе данного УМ в режиме класса В, цепь резистора
отсутствует. Трансформатор
осуществляет согласование входа УМ с источником сигнала, трансформатор
согласует выходное сопротивление УМ с сопротивлением нагрузки. Трансформатор
выполняет еще и функции фазоинвертора (см. на рисунке 4.5 фазировку его обмоток).
Усиление сигнала в рассматриваемом УМ происходит в два такта работы устройства. Первый такт сопровождается усилением положительной полуволны гармонического сигнала с помощью транзистора
, второй - усилением отрицательной полуволны гармонического сигнала с помощью
.
Графический и энергетический расчет двухтактного трансформаторного УМ двухтактного достаточно полно представлены в классических учебниках по усилительным устройствам, например, [5,6]. Энергетический расчет показывает, что КПД такого УМ реально достигает порядка 70%, что примерно в 1,5 раза больше чем у однотактных УМ.
При выборе типа для УМ следует учитывать то обстоятельство, что на коллекторе закрытого транзистора действует напряжение, равное примерно
, что объясняется суммированием
и напряжения на секции первичной обмотки
.
Вследствие того, что каждый транзистор пропускает ток только для одной полуволны гармонического сигнала, режим класса В характеризуется лучшим использованием транзистора по току.
Поскольку токи в секциях обмоток трансформаторов протекают в разных направлениях, отсутствует подмагничивание их сердечников. Отметим так же, что в двухтактном УМ исключена (при симметрии плеч УМ) паразитная ОС по источнику питания и в выходном сигнале отсутствуют четные гармонические составляющие.
Рекомендуемые материалы
Как уже отмечалось выше, отсутствие тока покоя в УМ класса В приводит к появлению значительных НИ. Вследствие нелинейности входных ВАХ, выходной сигнал в двухтактном УМ класса В имеет переходные искажения типа "ступеньки" (рисунок 4.6).

Уменьшение НИ возможно путем перехода к режиму класса АВ (см. рисунки 4.2 и 4.6). Т.к. токи покоя в режиме класса АВ малы, то они практически не влияют на энергетические показатели УМ.
Поскольку трансформатор является весьма "неудобным" элементом при выполнении УМ в виде ИМС и вносит существенные искажения в выходной сигнал усилителя, УМ с трансформаторами находят ограниченное применение в современной схемотехнике УУ.
В современной электронике наиболее широко применяются бестрансформаторные двухтактные УМ. Такие УМ имеют хорошие массогабаритные показатели и просто реализуются в виде ИМС.
Возможно построение двухтактных бестрансформаторных УМ по структурной схеме, показанной на рисунке 4.7.

Здесь ФИ - фазоинверсный каскад предварительного усиления (драйвер), УМ - двухтактный каскад усиления мощности.
В качестве драйвера может использоваться каскад с разделенной нагрузкой (рисунок 4.8).

Можно показать, что при
,
.
Несмотря на такие достоинства, как простота и малые частотные и нелинейные искажения, каскад с разделенной нагрузкой находит ограниченное применение из-за малого
и разных
, что приводит к несимметричности АЧХ выходов в областях ВЧ и НЧ.
Гораздо чаще применяются ФИ на основе дифференциального каскада (ДК) (рисунок 4.9).

ДК будут рассмотрены далее, пока же отметим, что через
будет протекать удвоенный ток покоя транзисторов VT1 и VT2 и, следовательно, номинал резистора
в схеме фазоинверсного каскада уменьшается вдвое по сравнению с расчетом каскада с ОЭ.
При рассмотрении, например, левой половины фазоинверсного каскада видно, что в цепи эмиттера транзистора VT1 (включенного с ОЭ) присутствует
и параллельно ему входное сопротивление транзистора VT2 (включенного с ОБ),
.
Обычно берут
(или заменяют
эквивалентом высокоомного сопротивления в виде источника стабильного тока, который будет рассмотрен в дальнейшем вместе с ДК), поэтому можно подставить вместо
в выражение для глубины ПООСТ (см. подраздел 3.2)
:

Следовательно, можно считать, что в фазоинверсном каскаде присутствует ПООСТ с глубиной, равной двум. Принимая во внимание, что относительно эмиттера VT2 транзистор VT1 включен по схеме с ОК, нетрудно показать, что при идентичности параметров транзисторов
, т.е. коэффициенты передачи по напряжению плеч фазоинверсного каскада на основе ДК равны половине коэффициента передачи каскада с ОЭ.
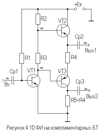
Довольно широко применяется ФИ на комплиментарных транзисторах, вариант схемы которого представлен на рисунке 4.10.

Использование комплиментарной пары транзисторов VT1 и VT2, имеющих разную проводимость, но одинаковые параметры (например, КТ315-КТ361, КТ502-КТ503, КТ814-КТ815 и др.) позволяет инвертировать фазу входного сигнала на 180° на первом выходе.
Кроме рассмотренных выше каскадов, в качестве фазоинверсных также применяются каскады с ОЭ, включенные согласно структурной схемы, показанной на рисунке 4.11. Отметим, что ФИ, построенный по такой схеме, имеет разбаланс АЧХ и ФЧХ выходов.

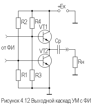
В качестве выходного каскада УМ, подключаемого к выходам ФИ, может использоваться каскад, одна из разновидностей которого приведена на рисунке 4.12.

В данном каскаде возможно использование режимов классов В, АВ, С. К достоинствам каскада следует отнести возможность использования мощных транзисторов одного типа проводимости. При использовании двухполярного источника питания возможно непосредственное подключение нагрузки, что позволяет обойтись без разделительного конденсатора на выходе, который обычно имеет большую емкость и габариты и, следовательно, труднореализуем в микроисполнении.
В целом, в УМ, выполненных по структурной схеме, представленной на рисунке 4.7, не достижим высокий КПД вследствие необходимости применения в ФИ режима класса А.
Гораздо лучшими параметрами обладают двухтактные бестрансформаторные УМ, выполненные на комплиментарных транзисторах. Такие УМ принято называть бустерами. Различают бустеры напряжения и тока. Поскольку усиление напряжения обычно осуществляется предварительными каскадами многокаскадного усилителя, а нагрузка УМ, как правило, низкоомная, то наибольшее распространение получили выходные каскады в виде бустера тока.
На рисунке 4.13 приведена схема простейшего варианта бустера тока класса В на комплиментарных транзисторах и двухполярным питанием.

При подаче на вход бустера положительной полуволны входного гармонического сигнала открывается транзистор VT1 и через нагрузку потечет ток. При подаче на вход бустера отрицательной полуволны входного гармонического сигнала открывается транзистор VT2 и через нагрузку потечет ток в противоположном направлении. Таким образом, на
будет формироваться выходной сигнал.
Включение транзисторов с ОК позволяет получить малое выходное сопротивление, что необходимо для согласования с низкоомной нагрузкой для передачи в нее максимальной выходной мощности. Большое входное сопротивление позволяет хорошо согласовать каскад с предварительным усилителем напряжения. За счет 100% ПООСН
.
Благодаря использованию двухполярного источника питания возможна гальваническая связь каскада с нагрузкой, что делает возможным применение токовых бустеров в усилителях постоянного тока. Кроме того, это обстоятельство весьма благоприятно при реализации бустера в виде ИМС.
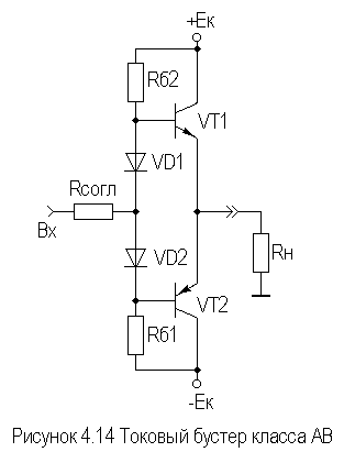
Существенным недостатком рассматриваемого бустера является большие НИ (
), что и ограничивает его практическое использование. Свободным от этого недостатка является токовый бустер класса АВ, схема которого приведена на рисунке 4.14.

Начальные токи покоя баз транзисторов здесь задаются с помощью резисторов
и
, а также диодов
и
. При интегральном исполнении в качестве диодов используются транзисторы в диодном включении. Напомним, что падение напряжения на прямосмещенном диоде
, а в кремниевых ИМС с помощью диодов осуществляется параметрическая термостабилизация (см. подраздел 2.6). Сопротивление
вводится для лучшего согласования с предыдущим каскадом усилителя.
При положительной полуволне входного гармонического сигнала диод
подзапирается и на базе
будет "отслеживаться входной потенциал, что приведет к его отпиранию и формированию на сопротивлении нагрузки положительной полуволны выходного гармонического сигнала. При отрицательной полуволне входного гармонического сигнала работает
и
, и на нагрузке формируется отрицательная полуволна выходного гармонического сигнала.
Для увеличения выходной мощности могут быть использованы бустеры на составных транзисторах, включенных по схеме Дарлингтона (рисунок 4.15), у которой коэффициент передачи по току равен произведению коэффициентов передачи тока базы транзисторов
и
причем возможна однокристальная реализация данной структуры, например, составной транзистор КТ829.

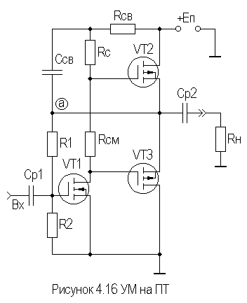
Из полевых транзисторов в УМ более пригодны МОП- транзисторы с индуцированными каналами n- и p- типа, имеющими такой же характер смещения в цепи затвор-исток, как и у биполярных, но имеющих более линейную входную ВАХ, приводящую к меньшему уровню ВАХ. Схема УМ на ПТ указанного типа приведена на рисунке 4.16.
Вместе с этой лекцией читают "Эмоциональная типология Хейманса - Ле Сенна".

В данном каскаде введена положительная ОС по питанию путем включения резистора
последовательно с
. В точку a выходное напряжение подается через конденсатор
и служит "вольтодобавкой", увеличивающей напряжение питания предоконечного каскада в тот полупериод, в который ток транзистора
уменьшается. Это позволяет снять с него достаточную амплитуду напряжения, необходимую для управления оконечным истоковым повторителем, повышает выходную мощность и КПД усилителя. Аналогичная схема "вольтодобавки" применяется и в УМ на БТ.
Широкое применение находят УМ, у которых в качестве предварительных каскадов применены операционные усилители. На рисунках 4.17а,б приведены соответствующие схемы УМ режимов класса В и АВ.

Данные примеры иллюстрируют еще одно направление в разработке УМ - применение общей ООС, служащей, в частности, для снижения уровня НИ.
Более подробное описание схем УМ содержится в [1,9].





















