Сельсины
2. Сельсины
Сельсинами (от слов self sinchroniring – самосинхронизирующийся) называют индукционные машины, обеспечивающие синхронный и синфазный поворот или вращение двух или нескольких осей, механически не связанных между собой. Одна из таких машин механически соединена с ведущей осью и называется датчиком, а другая – с ведомой осью и называется приёмником.
Сельсины имеют две обмотки: возбуждения и синхронизации. Различают одно- и трёхфазные сельсины, обмотка синхронизации у обоих - трехфазная. В системах автоматики наибольшее распространение получили однофазные сельсины, которые бывают контактными и бесконтактными.
Однофазный сельсин представляет собой асинхронную машину, в которой обмотка возбуждения создает пульсирующий поток, индуцирующий в трех фазах обмотки синхронизации ЭДС. Величина этих ЭДС зависит от угла поворота датчика (ротора)
. При повороте ротора взаимоиндуктивность между обмоткой возбуждения и каждой из фаз обмотки синхронизации плавно изменяется по закону косинуса, вследствие чего ЭДС, индуцируемая в этих фазах пропорциональна косинусу угла датчика. Все три индуктируемые ЭДС имеют одну и ту же временную фазу.
Различают два режима работы сельсинов: индикаторный и трансформаторный.
Индикаторный режим используется при отсутствии другого исполнительного двигателя. Синхронизирующий момент между валами сельсина- датчика и сельсина- приемника создается при наличии некоторого пространственного угла
=
-
, называемого углом рассогласования. Появляющиеся при этом ЭДС обеспечивают протекание тока по обмоткам синхронизации датчика и приемника. В результате в сельсине- приемнике возникает момент, старающийся повернуть его вал на угол равный углу поворота датчика. Из – за наличия механической нагрузки на валу приемника угол рассогласования, как правило, больше нуля.
В трансформаторном режиме к ведомой оси приложен значительный момент сопротивления. Поэтому угол рассогласования
отрабатывается в этом случае с помощью исполнительного двигателя. Появляющееся в обмотке возбуждения выходное напряжение подается через усилитель на обмотку исполнительного двигателя. Сельсины могут работать в режиме поворота и в режиме вращения. В первом случае имеем статическую ошибку системы синхронной связи, а во втором ошибка рассогласования определяет динамическую точность системы.
Требования, предъявляемые к сельсинам: статическая и динамическая точность передачи угла; удельный синхронизирующий момент, т.е. момент, приходящийся на 10 поворота ротора; максимальный синхронизирующий момент при наибольшем угле рассогласования; максимальная скорость вращения сельсинов и время успокоения ротора приемника при скачке поворота ротора датчика.
В зависимости от класса точности статическая ошибка сельсинов составляет ±0,25..2,50.
Рекомендуемые материалы
Устройство сельсинов. Однофазные сельсины, по существу, являются асинхронными машинами малой мощности. Они бывают явнополюсными (индикаторные) и неявнополюсными (трансформаторные). В явнополюсных сельсинах однофазная обмотка возбуждения располагается на явно выраженных полюсах ротора или статора. Обмотка синхронизации всегда выполняется распределенной и располагается в пазах статора или ротора; фазы её соединяются в звезду.
Сельсины выполняются двухполюсными, для того, чтобы обеспечить самосинхронизацию в пределах одного оборота.
Число контактных колец и щеток зависит от места расположения обмоток: сельсины с обмоткой возбуждения на роторе имеют два контактных кольца; с обмоткой возбуждения на статоре – три контактных кольца. В некоторых типах сельсинов применяются электрические или механические демпферы, обеспечивающие быстрое затухание собственных колебаний ротора при переходе его из одного положения в другое.
Для повышения надежности в настоящее время широко применяются бесконтактные сельсины с однофазной обмоткой возбуждения и трехфазной обмоткой синхронизации, расположенными на статоре, вследствие чего отпадает необходимость в скользящих контактах. Недостатком бесконтактных сельсинов является худшее использование материалов из – за больших потоков рассеяния и тока холостого хода. При одинаковых синхронизирующих моментах вес бесконтактного сельсина примерно в 1,5 раза больше, чем контактного.
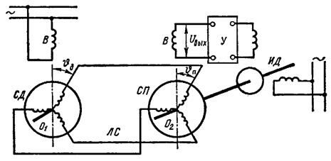
Трансформаторный режим однофазных сельсинов. Рассмотрим работу однофазных
сельсинов на примере контактных сельсинов с обмоткой возбуждения на статоре. Полученные выводы в одинаковой мере могут быть распространены как на контактные сельсины с обмоткой возбуждения на роторе, так и на бесконтактные сельсины.

Рис. 8. Схема включения сельсинов при работе в трансформаторном режиме.
Переменный ток, проходящий по обмотке возбуждения сельсина- датчика (рис. 8), создает в нем пульсирующий магнитный поток, который индуктирует ЭДС в трех фазах обмотки синхронизации. Токи, протекающие от действия этих ЭДС в обмотках синхронизации сельсина – приемника создадут свой пульсирующий магнитный поток. Направление оси этого потока зависит от углового положения ротора приемника. Если при этом в сельсине – приемнике возникает продольная составляющая потока, то она индуцирует в его обмотке возбуждения ЭДС, являющуюся выходным напряжением, подаваемым после усиления на исполнительный двигатель, который поворачивает ведомую ось О2 ротора приемника. Когда ось магнитного потока, создаваемого ротором сельсина – приемника станет перпендикулярной оси обмотки возбуждения, выходное напряжение станет равным нулю и вращение ведомой оси прекратится.
Следовательно, для работы системы необходимо, чтобы ток в роторе сельсина – приемника создавал продольную составляющую магнитного потока. В согласованном положении роторов продольная составляющая магнитного потока сельсина – приемника отсутствует.

Рис. 9. Ротор и статор сельсина-датчика при
(а) и
(б).
Обмотка возбуждения В сельсина – датчика создает магнитный поток ФВ, синусоидально распределенный вдоль окружности статора и ротора и пульсирующий с частотой сети. Величина ЭДС, индуктируемая этим потоком, в каждой фазе обмотки ротора датчика зависит от ее положения относительно оси обмотки возбуждения. Если ось первой фазы ротора – датчика совпадает с осью обмотки возбуждения (рис. 9а) то
(2.1)
В общем случае, когда ось первой фазы ротора сдвинута относительно обмотки возбуждения на угол
, получим
(2.2)
Так как одноименные фазы соединены последовательно, то проходящий по ним ток:
(2.3)
где
- наибольшее действующее значение тока в фазе обмотки ротора;
- общее сопротивление последовательно включенных фаз датчика и приемника.
Очевидно, что
, поэтому нейтральный провод не используется.
Считая, что НС отдельных фаз распределены в пространстве синусоидально, получим:
(2.4)
где
F2m=0,9I2mw2 – максимальное значение НС, создаваемой одной фазой обмотки ротора.
Для определения результирующей НС всех трех фаз датчика сложим их составляющие FДd и FДq по продольной оси d (оси обмотки возбуждения) и по поперечной оси q.
(2.5)
(2.6)
Таким образом, результирующая НС ротора датчика может быть представлена пространственным вектором
, который при любом угле
направлен по продольной оси и имеет постоянную величину, равную
.
Намагничивающие силы соответствующих фаз ротора сельсина – приемника будут отличаться от НС фаз ротора датчика только знаком, т. к. ток в фазах обмотки ротора приемника направлен противоположно току в фазах обмотки ротора датчика. Поэтому результирующая НС сельсина – приемника также может быть представлена пространственным вектором
, величина которого не зависит от угла поворота роторов датчика и приёмника и всегда равна
.
Продольная и поперечная составляющие этой силы:
(2.7)
(2.8)
Знак “-” в этих выражениях указывает, что вектор результирующей НС
поворачивается в противоположную сторону по отношению к НС ротора датчика.

Рис. 10. Векторы МДС ротора в датчике
(а) и приемнике
(б) при повороте ротора датчика на угол
.
Так, например, если установить ротор приемника в положение
и повернуть ротор датчика на угол
=600 по часовой стрелке (рис. 10а), то вектор НС
повернется относительно ротора приемника на угол
=
-
=600 , но в противоположном направлении, т.е. против часовой стрелки(рис. 10б).
Продольная составляющая НС ротора в датчике
компенсируется НС, созданной компенсационным током, поступающим из сети в обмотку возбуждения (аналогично обычному трансформатору). В приемнике же НС ротора создает пульсирующий магнитный поток, продольная составляющая которого
индуктирует в выходной обмотке (обмотке возбуждения) ЭДС:
, (2.9)
где
E1m – действующее значение ЭДС в выходной обмотке в случае, когда вектор НС совпадает с осью этой обмотки.
Обычно удобнее иметь при согласованном положении приемника и датчика нулевой сигнал. Поэтому ротор и статор сельсина приемника при согласованном положении ведущей и ведомой осей предварительно смещают на 900 относительно ротора или статора сельсина – датчика. В этом случае выходной сигнал изменяется по закону
(2.10)
При выборе сельсина, предназначенного для трансформаторного режима работы, важно знать величину удельного выходного напряжения, т.е. величину Uвых, приходящую на 10 угла рассогласования:
(2.11)
Эта величина обычно приводится в паспорте сельсина. Для того, чтобы зависимость выходного сигнала Uвых от угла рассогласования
была по возможности близкой к синусоидальной, сельсины, предназначенные для работы в трансформаторном режиме, выполняют с неявно выраженными полюсами. Этим достигается существенное уменьшение высших гармоник в кривой ЭДС и повышение точности при передаче угла.
Индикаторные режимы работы однофазных сельсинов. В этом режиме на валу сельсина – приемника имеется незначительный момент сопротивления, поэтому для поворота ротора приемника вслед за поворотом ротора датчика требуется небольшой вращающий момент, который может быть получен от самого сельсина – приемника без дополнительных усилительных устройств.
Схема включения сельсинов для индикаторного режима имеет вид (рис. 11):

Рис. 11. Схема включения сельсинов при работе их в индикаторном режиме.
Пульсирующие магнитные потоки, создаваемые обмотками возбуждения датчика и приемника, индуктируют в трех фазах обмоток синхронизации ЭДС. Если между роторами датчика и приемника имеется некоторый угол рассогласования
, то по обмоткам синхронизации будут протекать токи, которые, взаимодействуя с потоком возбуждения, создают в датчике и приемнике синхронизирующие моменты. Эти моменты имеют противоположные направления и стремятся свести к нулю угол рассогласования. Обычно ротор датчика заторможен, поэтому его синхронизирующий момент воспринимается механизмом, поворачивающим ведущую ось О1; синхронизирующий же момент приемника поворачивает его ротор в ту же сторону и на тот же угол, на который поворачивается ротор датчика.
В трех фазах обмотки синхронизации датчика потока возбуждения Фв индуцирует ЭДС:
(2.12)
Так как обмотка возбуждения приемника присоединена к той же сети однофазного тока, то в фазах его обмотки синхронизации будет индуцироваться ЭДС:
(2.13)
В виду того, что ЭДС в одноименных фазах датчика и приемника направлены по контуру, образованному проводами линии связи, встречно, токи в фазах датчика и приемника:
(2.14)
Представим ток в фазах обмоток синхронизации в виде двух составляющих:
(2.15)
где составляющая со «штрихом» обусловлены наличием ЭДС EД в обмотках датчика, а «два штриха» – ЭДС En в обмотках приемника. Это позволяет при определение НС в датчике и приемнике воспользоваться результатами, полученными для дифференциального режима работы сельсинов.
Составляющие токов
и
создают в датчике НС
, (2.16)
направленную по продольной оси, а в приемнике НС-
, (2.17)
продольная и поперечная составляющие которой равны
(2.18)
Составляющие же токов
и
создают в приемнике НС
, (2.19)
направленную по продольной оси, а в датчике НС
,продольная и поперечная составляющая которой равны:
(2.20)
. 
Рис. 12. Составляющие векторов НС ротора FД и FП в датчике (а) и в приемнике (б), обусловленные действием ЭДС ЕД и ЕП.
При этом результирующие НС (рис. 12) будeт иметь следующие составляющие:
В датчике
; (2.21)
в приемнике
(2.22)
При
=0 НС в датчике и приемнике будут равны нулю, т. к. ЭДС в фазах обмоток синхронизации датчика и приемника взаимно компенсируется и ток в этих фазах отсутствует.
При наличии угла рассогласования появляются токи и НС ротора, величины которых в датчике и приемнике одинаковы:
(2.23)
.
Рис. 13. Положение векторов НС ротора FД и FП в датчике (а) и в приемнике (б) при повороте ротора датчика на угол
.
На рис. 13 показаны токи и НС датчика и приемника при угле рассогласования датчика
=600 и приемника-
=00. НС ротора датчика FД смещается относительно поперечной оси в сторону поворота датчика на угол
. В приемнике НС Fn смещается на такой же угол
, но в обратном направлении, и поперечная составляющая Fnq направлена противоположно поперечной составляющей FДq НС ротора датчика.
Продольные составляющие FДd и Fnd НС ротора датчика и приемника создают в обеих обмотках возбуждения компенсационные токи (аналогично трансформатору), НС которых компенсирует действие НС FДd и Fnd. Поперечные же составляющие FДq и Fnq, оставшиеся нескомпенсированными, взаимодействуют с потоком статора, создавая в датчике и приемнике синхронизирующие моменты.
.
Рис. 14. Векторная диаграмма для ротора сельсина-приемника.
Векторная диаграмма для ротора сельсина (рис. 14) подобна векторной диаграмме для ротора асинхронного двигателя. Поперечная составляющая
НС ротора совпадает по фазе с током ротора
и отстает от вектора потока возбуждения
на угол y=900+j. Величину и направление синхронизирующего момента можно определить также, как и в обычной асинхронной машине, считая, что момент создается активной составляющей ротора. Это наглядно показано на рис. 15,

Рис. 15. Схема возникновения синхронизирующего момента в датчике (а) и в приемнике (б).
где крестиками и точками показано направление составляющих тока ротора, соответствующих некомпенсированным поперечным НС FДq и Fnq. Из рис. 15 следует, что синхронизирующие моменты в датчике и приемнике направлены в противоположные стороны и стремятся повернуть оба ротора в согласованное положение. На ротор датчика действует момент Мc.Д., стремящийся возвратить ротор в исходное положение, а на ротор приемника - момент Мc.n, увлекающий его в сторону поворота ротора датчика.
Мгновенное значение синхронизирующего момента:
(2.24)
где С и С1 – постоянные.
Следовательно, при заданном угле рассогласования
синхронизирующий момент изменится в соответствии с изменением угла wt.
Среднее значение синхронизирующего момента:
(2.25)
Принимая sinj=const и обозначая
,получим
. (2.26)
Таким образом, средняя величина синхронизирующего момента пропорциональна синусу угла рассогласования. Для того, чтобы сельсины обладали свойством самосинхронизации в пределах одного оборота, их обычно выполняют двухполюсными так, что геометрический угол поворота ротора
соответствует «электрическому» углу.
Из рис. 16а, следует, что синхронизирующий момент равен нулю при углах рассогласования
=0 и
=180, т. е. рассматриваемая система передачи угла на сельсинах имеет в пределах одного оборота две точки согласованного положения ротора датчика и приемника. Однако, в действительности согласованное положение соответствует
=0, т.к. при
=1800 имеет место неустойчивое равновесие: при малейшем отклонении ротора в ту или иную сторону от этой точки возникает синхронизирующий момент стремящийся ликвидировать угол рассогласования
и сделать его равным нулю.

Рис. 16. Зависимости синхронизирующего момента от угла рассогласования в сельсинах с неявновыраженными (а) и явновыраженными (б) полюсами
Величина максимального синхронизирующего момента Mm зависит от произведения
F2m sinj. Так как
а
, то момент
(2.27)
где
A и B – постоянные;
UB – напряжение, подаваемое на обмотку возбуждения сельсинов.
Z2,r2 и x2 – суммарное, активное и индуктивное сопротивления последовательно включенных фаз датчика и приемника (для сельсинов с явновыраженными полюсами (рис. 16б) берут значения Z2 и x2 приведенные к поперечной оси сельсина).
Взяв производную момента Mm по x2 и прировняв её нулю, можно определить значение x2, при котором этот момент имеет наибольшую величину:
,
отсюда x2= r2.
Таким образом, для получения наибольшей величины Mm необходимо иметь равные индуктивное и активное сопротивления ротора сельсина.
Важной характеристикой сельсина является удельный синхронизирующий момент (момент, приходящийся на 10 угла рассогласования).
(2.28)
Часто этим термином обозначают также крутизну S нарастания синхронизирующего момента в начальной части характеристики M=¦(
), т.е.
. (2.29)
Момент
представляет собой тангенс угла наклона b характеристики M=¦(
) в её начальной части. Чем больше величина
и
, тем при меньшем угле рассогласования
будет преодолен момент от сил трения, действующих на ротор и, следовательно, тем меньшей будет статическая погрешность сельсина.
Для увеличения удельного синхронизирующего момента при малых углах рассогласования сельсины, предназначенные для работы в индикаторном режиме, выполняются, как правило, с сосредоточенной обмоткой возбуждения и явно выраженными полюсами на статоре. Благодаря этому появляется дополнительный реактивный момент Мр, который усиливает результирующий удельный синхронизирующий момент примерно на 10..20 %.
Возникновение реактивного момента можно объяснить притяжением ротора, являющегося электромагнитом, к выступающим полюсам статора (рис. 17).
.
Рис. 17. Схема возникновения реактивного момента.
Погрешность в сельсинах. Погрешность при работе сельсинов в индикаторном и трансформаторном режимах вызываются электрической, магнитной и механической асимметрией датчика и приемника, обусловленными технологическими причинами, влиянием высших гармоник в кривой НС ротора, влиянием сопротивления линии связи, изменением напряжения питающей сети и др. Кроме того, при работе сельсинов в трансформаторном режиме погрешность в работе сельсинов может быть вызвана тормозным моментом на валу приемника.
Устранить технологические погрешности можно, обеспечив высокую точность штамповки листов ротора и статора и сборки их пакетов, строгую концентричность цилиндрических поверхностей ротора и статора (равномерность воздушного зазора, тщательную балансировку ротора и пр.). Уменьшить высшие гармоники в кривой НС ротора можно применением синусных (точных) обмоток. При работе сельсинов в трансформаторном режиме весьма важно, чтобы при
=0 было мало остаточное напряжение в выходной обмотке (нулевой сигнал). В современных сельсинах благодаря высокому качеству изготовления и использованию точных обмоток удается уменьшить нулевой сигнал до 0,2..0,3%.
В тех случаях, когда датчик удален на значительное расстояние от приемника, сопротивление линии связи становится соизмеримым с собственным сопротивлением обмоток синхронизации. Это приводит к уменьшению тока в обмотках синхронизации датчика и приемника, вследствие чего уменьшается выходное напряжение
приемника при работе сельсинов в трансформаторном режиме и величина синхронизирующего момента Мс при работе в индикаторном режиме. Аналогично влияет и падение напряжения в скользящих контактах.
Для уменьшения влияния контактов на работу сельсинов и снижения трения в их подвижных частях стремятся по возможности уменьшить число скользящих контактов.
С этой целью обмотку синхронизации, в большинстве случаев, располагают на статоре, а возбуждения – на роторе. Тогда изменение переходного сопротивления контактов мало сказывается на точности работы системы передачи угла; выход их из строя не приводит к полному нарушению работы системы (в этом случае сельсин – приемник работает как синхронный реактивный двигатель). Недостатком сельсинов с обмоткой возбуждения на роторе является то, что ток через скользящие контакты проходит у них постоянно, в то время как у сельсинов с обмоткой возбуждения на статоре контакты пропускают ток только в момент отработки угла. Однако токи возбуждения сельсинов обычно малы, поэтому надежность работы сельсинов с обмоткой возбуждения на роторе будет значительно выше, чем при расположении её на статоре.
Если сельсины работают в индикаторном режиме, то при значительных расстояниях между датчиком и приемником напряжение, подводимые к их обмоткам возбуждения, могут несколько отличаться по величине и фазе. В этом случае даже при согласованном положении роторов датчика и приемника по обмоткам синхронизации будет проходить ток и возникает определенная погрешность. Для её устранения в цепь возбуждения одной из машин включают дополнительное активно-индуктивное сопротивление, с помощью которого выравнивают по величине и фазе напряжения, подводимые к обмотке возбуждения.
При работе сельсинов в трансформаторном режиме выходная обмотка приемника обычно включается на высокоомный вход усилителя. В этом случае ток в обмотке очень мал и можно сказать, что Uвых@Eвых. Однако, если сопротивление нагрузки Zн не очень велико, то ток нагрузки
создает определенную погрешность. Так как
, (2.30)
где
Z1 – сопротивление обмотки статора, то выходное напряжение
; (2.31)
Таким образом, с увеличением нагрузки выходное напряжение (при одном и том же угле рассогласования) уменьшается. Кроме того, при большой нагрузке возникает реакция выходной обмотки, приводящая к таким же искажениям зависимости Uвых=¦(
), как и в поворотных трансформаторах.
При работе сельсинов в индикаторном режиме тормозной момент на валу приемника создает довольно существенную погрешность. Так как тормозной момент, создаваемый нагрузкой, в рассматриваемом режиме обычно весьма мал; основное влияние на точность передачи угла оказывает трение в подшипниках приемника и трение щеток о контактные кольца. Погрешность, вызванная моментом трения Мтр сельсина – приемника, характеризует его зону нечувствительности D
тр, в пределах которой ротор приемника может занимать любое положение при одном и том же положении датчика.
Величина этой зоны определяется отношением
; (2.32)
чем больше величина
и
, тем при меньшем угле рассогласования будет преодолен момент трения Мтр и тем меньше будет погрешность в передаче угла. При работе сельсинов в трансформаторном режиме момент трения, приложенный к ведомой оси, не оказывает влияния на точность передачи угла, так как этот момент воспринимается исполнительным двигателем.
Ток в фазе ротора при индивидуальном питании от датчика одного приемника
, (2.33)
а при групповом питании нескольких приемников
. (2.34)
Так как максимальный синхронизирующий момент пропорционален НС
, то есть току, протекающему по обмотке ротора, то при питании нескольких приемников от одного датчика максимальный момент приемника уменьшается в отношении
(2.35)
То есть погрешность каждого приемника будет больше, чем при индивидуальном питании. Чтобы не допустить увеличение погрешности обычно при групповом питании в качестве датчика используют сельсин с уменьшенным сопротивлением, то есть применяют для этой цели сельсин большей мощности.
В режиме непрерывного вращения сельсинов помимо рассмотренных выше трансформаторных ЭДС в фазах обмотки ротора, датчика и приемника возникают ЭДС вращения, которые по мере роста скорости вращения n уменьшают синхронизирующий момент. Величину динамического синхронизирующего момента в режиме вращения
можно найти, используя метод симметричных составляющих. Однако при практических расчетах часто используют формулу Эйлера
(2.36)
где
- относительная скорость вращения ротора сельсина. Согласно (2.36) на рис. 18 показана зависимость
.

Рис. 18. Зависимость динамического синхронизирующего момента от относительной скорости
.
Обычно при
динамический синхронизирующий момент
приблизительно равен статическому
. Поэтому, если требуется осуществить синхронное вращение нескольких осей при больших абсолютных значениях скорости, то обмотку возбуждения целесообразно питать от источника переменного тока повышенной частоты (чтобы относительная скорость
была небольшой).
В зависимости от величины допускаемой погрешности сельсины подразделяются на три класса точности (1,2 и 3). При работе сельсинов в индикаторном режиме погрешность датчика значительно меньше, чем у приемника, так как на последнюю погрешность сильно влияет момент трения. При работе в трансформаторном режиме момент трения приемника воспринимается исполнительным двигателем, поэтому погрешность сельсинов в этом режиме меньше, чем в индикаторном.
2.1. Сельсины с одной обмоткой синхронизации.
Для индикаторной передачи угла могут быть использованы сельсины с одной обмоткой на роторе, называемые одноосными (рис.19).

Рис. 19. Схема включения одноосных сельсинов.
Если оси обмоток ротора датчика и приемника образуют с осью обмотки статора углы, равные соответственно
и
n, то ток в этих обмотках:

Подставляя значения
Д-
n=
;
2
Д-
n=
+
Д;
Д+
n=2
Д-
n,
получаем

(3.1)
Намагничивающая сила, создаваемая обмоткой ротора, будет пропорциональна току I2:
(3.2)
Синхронизирующий момент можно определить, как и в сельсине с трехфазной обмоткой по выражению:
. (3.3)
Так как в данном случае поперечные составляющие НС ротора датчика и ротора приемника:
то формулы для синхронизирующих моментов датчика и приемника будут иметь вид:
(3.4)
Из этих выражений следует, что величина синхронизирующего момента сельсина приемника зависит не только от угла рассогласования, но и от положения ротора приемника. При
n=0 и
n=1800 синхронизирующий момент Мс=0 при любом угле рассогласования, т. к. в этом случае поперечная составляющая НС ротора приемника Fnq=0. При
Д=-
n в обмотках роторов приемника и датчика будут индуктироваться равные ЭДС, вследствие чего ток в этих обмотках и синхронизирующий момент так же будут равны нулю. Эти свойства одноосного сельсина ограничивают его применение только теми случаями, когда угол
n изменяется в пределах от 0 до 1800. Характерной особенностью одноосного сельсина является то, что синхронизирующие моменты датчика и приемника не равны между собой. Это позволяет использовать такой сельсин в качестве усилителя момента, передаваемого от датчика к приемнику
2.2. Дифференциальные сельсины.
Дифференциальный сельсин используется в тех случаях, когда требуется поворачивать ведомую ось О2 на угол, равный сумме или разности углов поворота двух ведущих осей О1 и O1/ (рис. 20).
Люди также интересуются этой лекцией: Прием гостей и паломников в эпоху Средневековья.

Рис. 20. Схема включения дифференциального сельсина.
В этом случае с ведущими осями механически связаны два сельсина – датчика СД1 и СД2, а с ведомой осью – дифференциальный сельсин ДС. Сельсины – датчики выполнены обычным образом, т. е. имеют однофазную обмотку возбуждения и трехфазную обмотку синхронизации. Конструкция же дифференциального сельсина подобна трехфазному асинхронному двигателю: он имеет на статоре и роторе по три распределенных обмотки, оси которых сдвинуты между собой на 1200; обмотка статора присоединена к обмотке синхронизации датчика СД1, а обмотка ротора – к обмотке синхронизации датчика СД2.

Рис. 21. Векторы НС ротора (а) и статора (б) в дифференциальном сельсине при повороте роторов датчика.
В рассматриваемой схеме при любых углах поворота
1 и
2 роторов датчиков СД1 и СД2 в цепях их обмоток синхронизации протекают токи, определяемые ЭДС, индуктированными в фазах соответствующих обмоток. В дифференциальном сельсине, выполняющим роль приемника, эти токи создают НС статора F1 и ротора F2, которые также как и при работе сельсинов в трансформаторном режиме, смещены относительно оси первой фазы статора и ротора (от которой ведется отсчет) соответственно на угол
1 и
2. Если
1=
2 намагничивающие силы занимают одинаковое положение в пространстве и существуют только радиальные силы притяжения между статором и ротором. При
1¹
2 между осями намагничивающих сил статора и ротора образуется угол
(рис.21б), равный
1 -
2, если роторы датчиков повернуты в одну сторону, и
1 +
2 – при повороте роторов датчиков в противоположные стороны. В результате этого появляется вращающий момент Мс, под действием которого ротор дифференциального сельсина поворачивается в сторону оси НС статора F1, т.е. происходит отработка угла
=
1 ±
2.


















