Цифро-аналоговые и аналогово-цифровые преобраователи
Лекция №19
Цифро-аналоговые и аналогово-цифровые преобраователи (ЦАП иАЦП).
ЦАП
Обычно для ЦАП применяется 2 схемы:
1) осн-е на двоично-взвешенных резисторах на входе ОУ (операционный усилитель)
2)осн-е на матрице реисторов R-2R
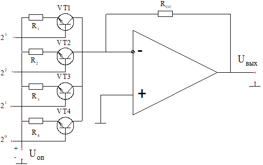
ЦАП со ввешенными реисторами.
Базовый элемент ОУ.
Рекомендуемые материалы

![]() |
8,10,12….рарядные ОУ
Суммирующий ОУ

![]() |
R1=R
R2=2R
R3=4R
R=8R
Цифровые входы 0 или 1 подаются на баы ключей. Если на входе 1, то транистор открыт и по цепи чере открытый транзистор в существующую точку пост-ет ток, если 0 – транзистор закрыт, тока не поставляет.
Для преобразования двоичного кода в аналоговый сигнал формируют токи пропорциональные весом разряда и существуют те из токов, которые соответствуют не нулевым разрядам. Величина выходного напряжения равняется (пусть на входах везде)
1) Uвых=-Uоп(
+
+
+
)= -Uоп
, где п-разряд
Выходное напряжение пропорционально цифровому ходу на входе.
Резисторы должны быть очень точны, особенного старшего раряда. Относительный ход тока относительно ст-го разряда должен быть не более 1 меньшего разряда.
<
Большое значение имеет температурный коэффициент искажения.
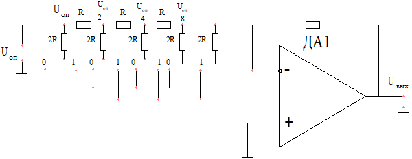
ЦАП с цепочкой R-2R
Нет разброса резисторов, имеются резисторы только двух номиналов R и 2R.

![]() |
Особенность матрицы резисторов в том, что сопротивление резисторов равно R.
Iвх=
+
+
+ 
Uвых=-
A
АЦП
АЦП преобразует аналоговое входное напряжение в пропорц. ему вход. Существует несколько методов АЦП:
1) метод последовательного приближения
2) параллельный метод
3) метод двойного интегрирования
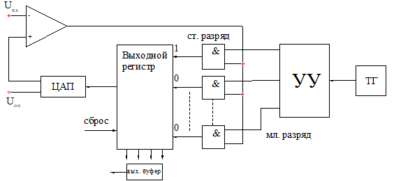
Метод последовательного приближения.
Построен на базе ОУ, работает как компаратор.

![]() |
n- размерность
tпр=
, где fтг- частота тактового генератора = 1МГц
n=8
tпр=
fдискр
Метод имеет среднее быстродействие, при сравнении небольших аппаратных затратах.
Параметры АЦП и ЦАП:
1) число разрядов до 24
2) разрешенная способность – линейное изменение выходного напряжения при изменении входа на 1, то есть эта цена одного бита.
Uвх=10В
n=8
1028=10256=40мВ
Следовательно, цена одного бита 40мВ
3) время преобразования – время от момента подачи входного сигнала, до момента, когда на выходе устанавливается цифровой сигнал.
Обычно АЦП имеет специальный сигнал – конец преобразования на выходном буфере.
Наибольшую погрешность дает АЦП, если он мало разрядный.
Основные погрешности АЦП.


1. Методические погрешности:
· Погрешности дискретизации
Вам также может быть полезна лекция "2 Основные электрические параметры резисторов".
· Погрешность интегральной нелинейности: за счет различных факторов и характеристик ОУ, характеристика отличается от линейной.

![]() |
· Погрешность диф-ой нелинейности




























