Особенность автоколлимационного метода
1. Особенность автоколлимационного метода
Особенностью автоколлимационного метода является его высокая чувствительность к незначительным поворотам зеркала, так как при повороте зеркала на какой-нибудь угол лучи отклоняются на удвоенную величину поворота. Пусть на зеркало 1—1 (рис. 4) под углом и падает луч АВ.
Наклоним зеркало 1—1 на угол
, не меняя направления луча АВ. В этом случае нормаль СВ переместится на угол
, заняв новое положение
. Угол падения луча АВ при повороте зеркала на угол
:

Рис.4 Схема отклонения отраженного луча при повороте зеркала
Угол отражения:
,
где
- угловая величина отклонения отраженного луча
после наклона зеркала на угол
, откуда 
+-ор (трубка Забелина) и положение блика определяется точным отсчетом по сетке автоколлиматора (Рис. 5).
Рекомендуемые материалы

Рис. 5. Центрирование линз с контролем по биению автоколлимационного блика.
1-патрон, 2-шеллачная смола, 3-объектив трубки Забелина, 4-сама трубка Забелина, 5-микроскоп. 6- окуляр микроскопа, 7- сетка микроскопа, 8- экран микроскопа, - 9 –объектив микроскопа, 10 – зеркало, 11 –тест –объект, 12 –конденсор, 13- лампочка, 14 - алмазный инструмент,
-центры кривизны сферических поверхностей А и Б линзы.
Трубка устанавливается в пиноль по конусу и юстируется для совмещения оси трубки и оси шпинделя. Для этого на торец патрона приклеивается зеркало и, вращая регулировочные винты трубки (на семе не показаны), совмещают перекрестие сетки 7 и тест-объекта 11.
На Рис. 5, а центрируется выпуклая линза, а на Рис. 5, б двояковогнутая. В обоих случаях центр кривизны поверхности Б находится на оси шпинделя, т.к. по этой поверхности линза лишается трех степеней свободы, контактная пара третьего класса Р3{ x, y z}. Наводка трубки делается только на центр Оа.
Затем базирующая поверхность шлифуется также как и в предыдущем методе.
Точность метода зависит от точности измерительного средства. Если учесть, что аберрации приборов типа коллиматоры и автоколлиматоры исправлены, то точность метода будет зависеть от точности сеток, точности наведения и считывания, что будет рассмотрено ниже.
1.1. Центрирование линз в самоцентрирующем патроне

а)

б)
Рис. 6. Схема центрирования линз в самоцентрирующем устройстве.
1-ведущий патрон, 2-линза, 3-ведомый патрон, 4-ось вращения шпинделя, 5-алмазный инструмент (круг),
-центры кривизны сферических поверхностей А и Б в двух позициях –до и после установки, б) Лишаемые степени свободы: по базе Б - x, y, z, по базе А - 
Наиболее производительным способом является центрирование линз в самоцентрирующем патроне на станках типа ЦС-100, ЦС-10А, ЦС-150Б.
Самоцентрирующий патрон состоит из двух одновременно вращающихся половинок – левого и правого патронов. Они установлены на шпинделях станка таким образом, что оси их кромок совпадают с осью вращения шпинделей. Биение кромок патронов не должно превышать 1-2 мкм.
Линза, помещенная между патронами, под действием пружины будет сдвигаться(поворачиваться). в направлении от её толстого края к тонкому до тех пор, пока оптическая ось линзы совместится с осью вращения шпинделя.
Установка линзы осуществляется так: рабочий аккуратно прикладывает линзу к левому патрону, лишая ее трех перемещений – x,y,z (см. Рис. 6 схему базирования). В этот момент оптическая ось (
) находится под углом к оси шпинделя (
) а центр кривизны поверхности Б находится на оси шпинделя.. После этого рабочий нежно отпускает пружину правого патрона и происходит поворот линзы и ее оптической оси и она совмещается с осью шпинделя. Линза на базе Б подводимой опорой 3 лишается двух поворотов
.
Для точности установки большое значение имеет угол сдвигания линзы
(см. Рис. 6, а), являющийся для двояковыпуклых и двояковогнутых линз суммой углов зажимания
и
поверхностей линзы, а для менисков – положительной разностью этих углов.
Угол сдвигания линзы образуется касательными к радиусам кривизны поверхностей линзы, проведенными через точку соприкосновения с кромкой патрона. Углы между указанными радиусами кривизны и осью линзы являются углами зажимания
и
.
Опытным путем установлено, что линзы с углом сдвигания
хорошо устанавливаются и центрируются с точностью 0,01 мм. Линзы с углом сдвигания
устанавливаются хуже и центрируются с точностью 0,02-0,03 мм. При дальнейшем уменьшении угла сдвигания точность центрирования снижается. Линзы с углом сдвигания меньше 15-20 этим способом не центрируют.
После установки линзы включают шпиндель и плавно подводят алмазный круг. Скорость вращения шпинделя и подача зависят от твердости стекла, толщины линзы и абразивных свойств круга. Режимы обработки подбираются опытным путем. Усилие пружины подвижного шпинделя 20-80 Н (2-8 кг) и увеличивается с увеличением диаметра линзы до 295 Н.
Точность центрирования зависит от состояния кромки патрона, точности его установки и диаметра, радиусов кривизны линзы и составляет 0,01-0,05 мм.
Способ прост и высокопроизводителен.
1.2. Центрирование линз по прибору

Рис. 7. Схема центрирования линз по прибору.
1. –Микроскоп; 2 – Линза; 3 – Смола; 4 – Оправка; 5 – Стол; 6 – Коллиматор; 7 – Сетка.
В состав прибора входит (см. Рис. 7) коллиматор 6, поворачивающееся гнездо 5, коническая оправка 4 и измерительный прибор, например, микроскоп 1.Сущность этого способа центрирования заключается в следующем. Оправку с предварительно наклеенной центровочной шеллачной смолой 3, линзой 2 вставляют в гнездо 5. Микроскоп наводят на центр верхней сферы. Подогревают смолу до размягчения и передвигают линзу по кольцу оправки, добиваясь такого ее положения, при котором изображение креста сетки 7 коллиматора при вращении оправки будет неподвижным.
После этого оправку снимают с прибора и помещают в гнездо специальной стойки, где она охлаждается. Затем шлифуют цилиндрическую поверхность линзы на центрировочном станке типа ЦС-50. Оправку по конусу устанавливают в шпиндель станка[1] и осуществляют шлифование алмазным кругом при частоте вращения 2800 об/мин, линзы 57-200 об/мин.
Недостатком этого способа является необходимость иметь достаточно большое количество оправок для каждой группы диаметров линз.
Точность центрирования 0,01-0.02 мм.
Рассмотрим более подробно сущность этого способа. В литературе не приводится, что за прибор служит для измерения. Пусть таким прибором будет обычный измерительный микроскоп II (см. Рис. 8). На рисунке показан ход лучей от коллиматора до сетки микроскопа и глаза.
Очевидно, что центр нижней сферы всегда на оси патрона 5, а значит и микроскопа (эти оси должны быть совмещены при юстировке прибора). Линза при контакте с оправой лишена трех степеней свободы – трех перемещений (x, y, z). Линзу нельзя сместить (сдвинуть) относительно оправки, а можно только повернуть, ведь остались все повороты. Центр О верхней сферы расположен внизу и не на оптической оси. Чтобы его увидеть в окуляре микроскопа, нужно фокус его объектива совместить с этой плоскостью. Очевидно, что положение этой плоскости будет зависеть от геометрических параметров линзы (r и d) и f1.

Смещение положения фокуса с оптической оси вычисляется по формуле

На сетке микроскопа будем видеть
,
где
,
– угол наклона линзы,
– увеличение микроскопа.

Рис. 8. Центрирование с помощью коллиматора и микроскопа.
I – коллиматор; II – микроскоп; 1 - лампа, 2 - конденсор, 3 - тест-объект, 4 –объектив, 5 – оправка, 6 – центрируемая линза, 7 – объектив, 8 – сетка, 9 – окуляр, 10 – объектив,
11 – сетка, 12 – окулярная призма, 13 – окуляр
Так как фокус линзы и фокус объектива микроскопа не совпадают, то в процессе требуется наводка микроскопа, т.е. в конструкции прибора требуется механизм перемещения корпуса микроскопа.
Оценим точностные возможности прибора с измерительными средствами из коллиматора и микроскопа.
Погрешностью коллиматора будет, если выходящий пучок не является строго параллельным. Оценим эту погрешность в обратной задаче – в фокусе объектива стоит сетка, тогда величина смещения на сетке определит сходимость пучка. Интервал l между двумя штрихами сетки коллиматора, если задана угловая цена деления его
, может быть произведен по формуле
.
Для определения частичной погрешности коллиматора, второе название этой погрешности – инструментальная погрешность, продифференцируем эту формулу и найдем передаточную функцию. Для упрощения процедуры обычно делают разложение в ряд Тейлора или логарифмируют. В данном случае проще логарифмирование:
,
тогда
,
так как
,
то
,
тогда
.
Пренебрегая ввиду крайней малости последним членом уравнения и заменив дифференциал погрешностью, получим
.
Очевидно, что чем больше будет фокусное расстояние объектива коллиматора, тем меньше будет погрешность. Поэтому длиннофокусные коллиматоры дают большую точность. Но длиннофокусные коллиматоры и больше размером.
Промышленные коллиматоры выпускают с фокусными расстояниями 600, 1000, 1200, 1600 и т.д. Рекомендуется
брать 3-5 раз больше фокусного расстояния контролируемого объекта.
Если
мм, то можно контролировать линзы с
мм.
Таким образом, в этом методе (Рис. 8) центр нижней сферы детали 6 всегда располагается на оси патрона 5, поэтому нужно устанавливать только центр O2 верхней поверхности, что существенно упрощает процесс.
Очевидно, что качество контроля будет зависеть от качества приборов, в том числе и от согласования элементов в приборе, а также от согласования системы элементов с этими приборами. Понятно, что это простые вещи, но в комплексе требования к линзе (контролируемой), сеткам, тест-объектам и т.д. не рассматриваются, поэтому данный анализ весьма актуален.
Ниже показано, что точность процесса в основном зависит от точности наводки и считывания и приведено обоснование и выбор этих требований.
1.3. Требования к микроскопу
Основными оптическими характеристиками микроскопа являются: увеличение
, числовая апертура
, линейное поле
, вид иммерсии (для иммерсионных микроскопов), разрешающая способность.
Рассмотрим формирование изображения системой микроскопа, состоящей из объектива и окуляра (Рис. 9). Предмет расположен за передним фокусом объектива (вблизи него), в передней фокальной плоскости микроскопа. Увеличенное изображение предмета строится объективом в передней фокальной плоскости окуляра (глаз работает без аккомодации).

Рис. 9. Оптическая схема отсчетного микроскопа.
Видимое увеличение микроскопа равно произведению увеличения объектива на увеличение окуляра:
, (1)
где
;
; (2)
-оптический интервал или оптическая длина тубуса.
Величина
мм в зависимости от фокусного расстояния объектива.
Тубус микроскопа (Рис. 10), в нижнюю часть которого ввертывается объектив, а в верхнюю окуляр, имеет согласованные посадочные размеры с оправами объективов и окуляров.

Рис. 10. Схема тубуса упрощенного микроскопа.
Положение объективов при установке на приборе фиксируется нижним срезом тубуса микроскопа. Оправа окуляра опирается на верхний срез тубуса. Расстояние от нижнего до верхнего среза тубуса, называется механической длиной тубуса, которая стандартизована и равна 160 мм для микроскопов, работающих в проходящем свете. Остальные стандартные величины показаны на рисунке.
В комплект микроскопа входят наборы объективов и окуляров, позволяющие получать различные значения видимого увеличения микроскопа. На оправе объектива гравируется его линейное увеличение и числовая апертура, а на оправе окуляра – видимое увеличение.
Увеличения объективов изменяется в геометрической прогрессии со знаменателем 1,6. Это соответствует ряду Ra5 (ГОСТ 6636-69).
Номинальные значения видимых увеличений окуляров рекомендуется выбирать из ряда Ra10 и соответствуют кратности 4; 6,3; 10; 12,5; 16; 20; 25.
Ограничение пучка лучей зависит от вида микроскопа. В отсчетных микроскопах ограничение осуществляется апертурной диафрагмой, устанавливаемой в задней фокальной плоскости объектива (Рис. 9), что обеспечивает телецентрический ход главных лучей в пространстве предметов. Это ослабляет влияние параллакса на точность измерений.
Полевая диафрагма установлена в плоскости действительного изображения, т.е. в передней фокальной плоскости окуляра. В отсчетном микроскопе там установлена измерительная шкала.
Диаметр полевой диафрагмы определяется величиной изображения, даваемого объективом:
. (3)
Линейное поле микроскопа можно найти из соотношения:
. (4)
Выходной зрачок микроскопа является изображением апертурной диафрагмы через окуляр. Его положение определяется отрезком
:
. (5)
Диаметр выходного зрачка можно вычислить по формуле:
. (6)
Если диаметр выходного зрачка микроскопа равен диаметру зрачка глаза наблюдателя, то субъективная яркость изображения глаза будет максимальной. В этом случае увеличение называется нормальным:
. (7)
Линейный предел разрешения микроскопа зависит от вида освещения.
Для прямого освещения имеет
. (8)
Для косого освещения
, (9)
где
,
А – числовая апертура,
– показатель преломления среды в пространстве предметов.
Если
, то объектив называется иммерсионным, а при
«сухим».
Для иммерсионного объектива имеем
.
С учетом выполнения условия синусов из предыдущей формулы получим:
. (10)
Из условия полного использования глазом разрешающей способности микроскопа, получается
, получим следующее соотношение для полезного увеличения микроскопа:
.
Применение микроскопов с увеличением больше полезного, не выявляет новых подробностей предмета, но при этом требуется более точная фокусировка, т.к. глубина изображаемого пространства уменьшается.
Глубина резко изображаемого пространства складывается из аккомодационной, геометрической и волновой глубин:
,
где
,
,
.
При расчете величины
надо учитывать ряд особенностей:
1. Если в микроскопе применяется окуляр с сеткой, то
.
2. При максимальном использовании увеличения микроскопа допустимое снижение качества изображения определяется в основном волновой аберрацией децентрировки.
3. При наблюдении грубых объектов волновую глубину
можно не учитывать.
1.4. Окулярные сетки
Сетки, применяемые в большинстве оптико-механических измерительных приборах, устанавливаются в плоскости изображения и играют существенную роль в процессе измерения. Толщина штриха, форма и направление штрихов, их количество, точность расчета шкалы сетки, точность определения цены деления и т.п. влияют на точность наводки и отсчета, а, следовательно, на точность всего процесса измерения. К сетке предъявляются строгие требования в отношении чистоты стекла (отсутствие свилей, пузырей) и чистоты обработки (отсутствие царапин и выколок), поскольку дефекты будут видны наблюдателю, что ухудшит условие измерения.
По назначению сетки делят на три группы:
1. визирные, для наведения прибора на измеряемый объект или марку, а также для ориентирования визирной линии прибора по определенному направлению;
2. измерительные, со шкалами или марками, по которым непосредственно производится измерение;
3. комбинированные, выполняющие функции обеих перечисленных групп.
Визирные сетки применяются в коллиматорах, зрительных трубах, визирных микроскопах. При выборе толщины штриха нужно учитывать следующие обстоятельства.
Толщина штриха должна быть достаточно велика, чтобы его было хорошо видно при наведении на объект или марку. С другой стороны, чем тоньше штрих, тем наводка будет более точной. При этом надо учитывать условия, по которому видимая ширина штриха должна быть не меньше разрешающей силы глаза (0,075 мм), так как иначе будет плохо виден. И, наконец, надо иметь ввиду, что для изготовления тонкого штриха порядка 2-4 мкм необходимо прецизионное оборудование. Наиболее употребительная ширина штриха 5-10 мкм.
Расчет толщины штриха сетки коллиматора при наблюдении через микроскоп производится следующим образом:
Угловой размер
толщины штриха S определяется из выражения:
,
где
- фокусное расстояние объектива коллиматора,
с другой стороны
,
где
– толщина изображения штриха на сетке микроскопа,
– фокусное расстояние объектива микроскопа.
Приравняв эти выражения, получим
,
откуда
.
Видимая через окуляр толщина штриха составит
, (11)
где
– увеличение окуляра,
.
Фокусное расстояние окуляра
определяется из формулы
,
откуда
,
где
– видимое увеличение объектива микроскопа, тогда
.
Подставив найденные значения
и
в формулу (11), получим
.
Визирные сетки измерительных микроскопов служат для наводки на измерительные шкалы или измеряемые объекты. Сетка с двойными штрихами наводится на деления шкалы точнее, чем сетка с одиночным штрихом.
Погрешность наведения по одиночному штриху методом наложения соответствуют примерно половине толщины штриха. Погрешность наведения двойного штриха на одиночный не превышает
толщины штриха при оптимальном подборе элементов штрихов. Оптимальными соотношениями размеров могут считаться следующие:
,
причем обычно
мм, где 0,006 – технологически минимальная толщина штриха.
1.5. Точность наведения и считывания
Из погрешностей, присущих процессу измерения, следует выделить две группы погрешностей, характерных для работы с оптико-механическими измерительными приборами. Это погрешности наведения (визирования) и погрешности отсчета (считывания).
На точность наведения влияет характер объекта (четкость контуров и штрихов, качество поверхности), качество оптики и сетки визирного микроскопа и пр. Кроме того, важную роль играет характер освещения объекта.
Современное состояние отечественного оптико-механического приборостроения позволяет получать весьма высокую точность отсчитывания долей интервала шкалы. Эта точность настолько высока, что удовлетворяет самым высоким требованиям измерительной техники. Ограничением является точность самого интервала, нанесенного на основную шкалу – линейную или круговую (лимб).
Отсчетное устройство, как было указано, служит для точного определения части интервала основной шкалы. Нецелесообразно добиваться чрезмерной точности отсчета, поскольку сам интервал имеет погрешность, обусловленную несовершенством технологии нанесения шкал.
Технология нанесения шкал (на стекле или металле) позволяет в настоящее время получать линейные миллиметровые шкалы с точностью до 0,5-1 мк и круговые с точностью до
. Чем больше диаметр лимба, тем точнее могут быть нанесены на нем деления. При необходимости производить точные измерения эти шкалы компарируются и снабжаются аттестатами для введения поправок по каждому измеряемому интервалу. Использование аттестата позволяет производить измерение с точностью, превышающей точность изготовления шкалы.
В механических регистраторах основная шкала и отсчетное устройство (индекс, нониус и т.д.) находятся, как правило, в одной плоскости и наблюдатель определяет их относительное смещение невооруженным глазом или через оптическую систему (лупу, микроскоп). Например, микрометренные пары в инструментальном микроскопе, лимб и нониус[2] в гониометре с металлическим лимбом.
В оптических и оптико-механических регистраторах шкала и отсчетное устройство обычно находятся в разных плоскостях и сводятся в одну при помощи оптической системы (например, отсчетным микроскопом). Оптическая система при этом дает увеличенное изображение основной шкалы, что позволяет более точно и удобно (более простыми средствами) определять доли интервалов.
В субъективных отсчетных системах в процессе измерения участвует глаз наблюдателя. Конечная измерительная операция в этих системах определяет точность отсчета (но не всего измерения).
Определение величины смещения штрихов (марок) при отсчете или совмещении их могут производиться следующими способами:
1. наложением штрихов индекса или отсчетной шкалы на штрихи основной шкалы;
2. отсчетом десятых долей интервала между штрихом-индексом и штрихами основной шкалы;
3. совмещением штриха-индекса и штриха основной шкалы, смещенных вдоль штриха (так называемое нониальное совмещение);
4. симметричным расположением штриха-индекса между двумя штриховыми (биссекторами) основной шкалы, или наоборот.
При выборе того или иного способа совмещения штрихов и отсчета необходимо учитывать оптические свойства глаза, играющие существенную роль в процессе измерения. При диаметре зрачка глаза 2 мм и угле разрешающей силы
глубина резкости составляет ~0.6 диоптрии. С увеличением зрачка глубина резкости уменьшается, с уменьшением зрачка глубина увеличивается. В линейной мере эта величина будет различной для разных расстояний от глаза до наблюдаемого объекта.
Глубина уменьшается, если глаз будет вооружен лупой и микроскопом.
Этим определяется чувствительность по направлению линии наблюдения. Чувствительность в плоскости, перпендикулярной этому направлению, определяется разрешающей силой глаза. При определении разрешающей силы глаза необходимо учитывать освещение объекта наблюдения. При недостаточном освещении разрешающая сила падает. Избыточное освещение не дает заметного улучшения разрешения, но вызывает быстрое утомление глаза. Для отсчитывания по мелкой шкале достаточно освещение в 50-75 лк.
Применив для глаза формулу, определяющую предельный угол разрешающей силы зрительной трубы
,
где D – диаметр зрачка глаза, и приняв диаметр глаза равным 2 мм, получим уже знакомую нам величину предельного угла разрешения для глаза
.
Как показали экспериментальные данные, увеличение зрачка глаза, которое происходит непроизвольно при уменьшении освещенности, не превышает разрешающую силу глаза, что объясняется особенностью его строения. Так, например, с увеличением зрачка увеличиваются оптические аберрации глаза. При несоблюдении штрихов, марок и других элементов, применяющихся в отсчетных системах, разрешающая сила глаза может меняться в зависимости от условий, при которых производятся наблюдения.
Рассмотрим некоторые случаи совмещения штрихов и наводки на объект. Наложение штриха-индекса на штрихи основной шкалы производится с точностью, соответствующей разрешающей силе глаза (
).
При наведении на край контура объекта точность наведения лежит тоже в пределах разрешающей силы глаза. Точность может быть повышена в несколько раз, если контур прямолинеен, а наводимый штрих пунктирный (подобно сетке штриховой головки инструментального микроскопа). Наводка производится таким образом, чтобы половина толщины каждого пунктирного штриха была внутри контура, а половина вне его. Отсчет долей интервала между штрихом-индексом и штрихом основной шкалы производится с точностью одной десятой интервала. Наилучшая точность оценки доли интервала производится при угловой величине интервала порядка
, что соответствует 1,5 мм при наблюдении на расстоянии 250 мм. Практически хорошие результаты дают шкалы с интервалом 1-2 мм. Применение интервала более 2 мм приводит к увеличению габаритов отсчетной системы, что почти всегда нежелательно.

а) б) в)
Рис. 11. Совмещение штрихов индекса и штриха основной шкалы.
а) Наведение пунктирного штриха на изображение контура объекта;
б) нониальное совмещение штрихов;
в) биссекториальное совмещение штрихов.
Видимая толщина штрихов шкалы и индекса должна быть порядка 0,1 интервала (т.е. от 0,1 до 0,2 мм), длина штриха порядка 0,6 интервала. Опытный наблюдатель может отсчитать долю интервала даже несколько точнее, чем 0,1. При этом толщина штриха указателя не должна превышать 0,1-0,12 величины интервала. Нониальное совмещение штрихов индекса и штриха основной шкалы (Рис. 11,б) позволяет повысить точность измерения по сравнению с предыдущими случаями в 5-6 раз (т.е.
вместо
). В линейной мере при наблюдении с расстояния 250 мм точность совмещения будет порядка 0,012 мм (
). Торцы штрихов должны быть четкими и ровными. Нониальное совмещение штрихов применяется в отсчетных системах с нониусами (штангенинструмент, механические угломеры, теодолиты с механическим лимбом и др.).
Биссекториальное совмещение штрихов (Рис. 11, в) дает тоже хорошую точность. При правильном подборе толщины штрихов и интервала биссектора точность отсчета будет больше, чем при нониальном совмещении. Штрих-индекс выполняется в виде биссектора, а ближайший штрих шкалы вводится в этот биссектор[3]. Видимая ширина штриха при этом должна быть не менее 0,25 мм, а длина – не менее 3-4 мм.
Для обеспечения видимости объект измерения (штрих, точка) должен наблюдаться под углом, большим порога видимости. Порог видимости характеризуется наименьшим углом, при котором объект становится видимым невооруженным глазом. Этот угол зависит и от освещенности объекта. Яркая точка, излучающая направленный пучок света (звезда, нить накаливания и т.д.), видна под весьма малым углом
. При рассматривании тонких штрихов необходимо принимать во внимание явление иррадиации, заключающееся в том, что светлые объекты на темном фоне кажутся увеличенными, а темные на светлом – уменьшенными по сравнению с их фактическими размерами.
Черный штрих на светлом поле виден при толщине не менее 0,004-0,005 мм (угловая величина при наблюдении с расстояния 250 мм –
). Светлый штрих на темном фоне виден и при меньшей ширине. Глаз обнаруживает излом линии, если стрела прогиба достигает величины 6-10 мк; несимметричное расположение точки между двумя другими замечается глазом с расстояния наилучшего видения при величине нессиметрии (разности интервалов) порядка 0,055 мм и расстоянии между крайними точками 0,65 мм.
Опытный наблюдатель при благоприятных условиях может уверенно отсчитывать по индексу с точностью до двадцатой доли интервала. Оценка же десятых долей интервала достигается легко. Однако точность оценки десятых долей интервала снижается за счет субъективной избирательности. Эта избирательность в той или другой степени присуща всем наблюдателям. При оценке наблюдатель отдает предпочтение одному числу десятых интервала за счет других. Погрешность, вносимая наблюдателем благодаря указанному свойству, является практически величиной постоянной для него. Это обстоятельство заставляет иногда предпочитать метод совмещения штрихов, вместо глазомерной оценки. В случае применения метода совмещения штрихов возникает своя субъективная ошибка, заключающаяся в том, что одни наблюдатели прекращают совмещение штрихов преждевременно (до того, как они полностью совпали), другие, наоборот, прекращают совмещение с запозданием (когда совмещаемые штрихи несколько переходят через положение совмещения). Для исключения этой погрешности следует производить наводку штрихов с одной стороны, затем с другой и брать среднее.
Точность наведения в значительной степени зависит и от освещенности и от контрастности объекта. Острота зрения наблюдателя увеличивается пропорционально освещенности изображения, но только до определенного предела; контрастность определяется отношением разности освещенностей двух смежных частей объекта (например, штрих и интервал) к большей освещенности. Чем эта разность больше, тем контрастность выше.
Следует иметь ввиду, что ни одна оптическая система не может повысить освещенность и улучшить контрастность изображения по сравнению с освещенностью объекта.
Большое влияние на ухудшение контрастности изображения оказывают наличие рассеянного (паразитного) света, образованного лучами, отраженными от оправ, стенок и поверхностей оптических деталей. Поэтому при проектировании оптических приборов принимают меры, уменьшающие количество рассеянного света: устанавливают специальные диафрагмы, улавливающие рассеянные лучи, окрашивают в черный цвет глубокоматовой эмалью У-411 внутренние полости и фаски оптических деталей, наносят специальные риски на внутренние поверхности и т.п.
В последнее время широко применяется «просветление оптики» (нанесение тонких пленок на поверхности оптических деталей), уменьшающее отражательную способность поверхностей оптических деталей, что ведет к уменьшению рассеянного света.
Точность измерения зависит также и от условий адаптации глаза. Если глазу приходится часто приспособляться к различной яркости, то он быстро утомляется и начинает плохо различать мелкие детали изображения. Рекомендуется применять освещенность бумаги для записи отсчетов, близкую по величине к освещенности изображения, а не большую, как это часто имеет место. Еще лучше, если запись будет вестись вторым наблюдателем, чтобы первый только производил отсчеты, не отрывая глаз от наблюдения за изображением.
Для меньшей утомляемости глаза желательно при освещении объекта и отсчетных шкал применять негустые зеленые светофильтры. Эти фильтры в значительной мере устраняют вторичный спектр, окрашивающий изображение в голубоватый цвет.
Величина освещенности поля зрения не должна быть ни чрезмерно большой, ни очень малой. Наблюдатель должен выбрать такую величину освещенности, чтобы изображение было отчетливо видно, но чтобы чрезмерная яркость его не утомляла и не раздражала глаз.
Для изменения освещенности изображения современные оптико-механические измерительные приборы снабжаются реостатами, с помощью которых можно менять световой поток ламп накаливания, применяемых для освещения объектов и отсчетных устройств.
Увеличение отсчетной системы для оценки долей интервала по индексу, как было указано, должно быть достаточно большим, чтобы видимый интервал в последнем звене отсчетной системы был не менее 1 мм. С другой стороны, необходимо учитывать, что минимальная толщина штриха t при современной технологии ограничена величиной 2 мк. Но такую толщину трудно получить, поэтому целесообразнее при расчетах исходить из величины 3-4 мк. При видимом интервале 2 мм видимая толщина штриха
мм.
Поэтому увеличение оптической системы не следует делать больше, чем
.
Обычно увеличение отсчетной системы не превышает
.
Если в оптическую отсчетную систему входит микроскоп, то погрешность отсчета будет зависеть от точности наводки микроскопа на штрих в продольном относительно его оси (точность фокусировки) и поперечном направлениях. Точность эта будет зависеть в основном от апертурного угла u объектива микроскопа.
Для длины волны
мм эти точности могут быть определены по следующим формулам:
для продольной наводки чувствительность
определяется из соотношения
мк,
а для поперечной наводки
мк[4].
В следующей таблице (Таблица 1) приведены некоторые числовые значения чувствительности микроскопа.
Таблица 1.
|
| 0,05 | 0,10 | 0,20 |
|
| 80 | 20 | 5 |
|
| 1 | 0,5 | 0,25 |
Применяемые в настоящее время измерительные лупы позволяют измерять интервалы шкал с точностью до нескольких микрон. С помощью микроскопов интервалы измеряются с точностью до десятых долей микрона. Увеличение измерительных луп колеблется в пределах
, а измерительных микроскопов
.
В приборах с возможностью поворота на 90° используются сетки со шкалами. Правильное положение штрихов шкалы зависит от рабочего положения прибора (рисунок 25), т.е. от того, какое положение (вертикальное или горизонтальное) он принимает.

Рисунок 25 – Положение сетки окуляра в зависимости от положения прибора
Сетки с перекрестием
Применения:
- юстировка зеркал и оптических систем;
- точное измерение углов в комбинации с окулярным микрометром;
- измерение радиусов цилиндрических поверхностей;
- измерение ошибки центрирования;
- идеальны для измерений углов при использовании ПК.
Рекомендации:
- окулярные сетки – двойное перекрестие;
- коллиматорные сетки – одиночное перекрестие.


Рисунок 26 – Виды сеток:
А – темное перекрестие на светлом фоне
Б – светлое перекрестие на темном фоне
В – двойное перекрестие
Размеры:
- для сеток с одиночным перекрестием при диаметре 12 мм толщина штриха 0,01 мм, 0,02 мм и 0,04 мм; при диаметре 25 мм – 0,02 мм и 0,05 мм;
- для двойного перекрестия при диаметре 12 мм ширина прозрачного промежутка между линиями 0,02 мм, 0,04 мм и 0,06 мм.
Сетки с градуированной угловой шкалой


Рисунок 27 – Окулярные сетки


Рисунок 28 – Коллиматорные сетки
Применения:
- измерения углов наклона с использованием зеркал, прикладываемых к объекту измерений;
- измерение углов оптических компонентов, таких как призмы, окна и пр.
Рекомендации:
- окулярные сетки – сетки с градуированной угловой шкалой;
- коллиматорные сетки – одиночное перекрестие.
Сетки с градуированной угловой шкалой рассчитываются под конкретные условия измерений (фокусное расстояние прибора и отклонение зеркала будут влиять на градуирование шкалы).
Смещение изображения на сетке на 10 мкм соответствует углу:
Таблица 4
| Фокусное расстояние | Угол наклона |
| 50 мм | 21¢¢ |
| 90 мм | 11¢¢ |
| 140 мм | 7,4¢¢ |
| 200 мм | 5,2¢¢ |
| 300 мм | 3,4¢¢ |
| 500 мм | 2,1¢¢ |
| 600 мм | 1,7¢¢ |
| 1100 мм | 0,9¢¢ |
Сетки с угловыми допусками

Рисунок 29 – Сетка с угловыми допусками
Применения:
- быстрая проверка клиньев и плоскопараллельных пластин;
- юстировка оптических систем;
- измерение радиусов кривизны.
Рекомендации:
- окулярные сетки – сетки с концентрическими окружностями;
- коллиматорные сетки – отверстие (диафрагма) с перекрестием.
1.6. Параллакс
Параллаксом называют несовпадение двух одновременно наблюдаемых плоскостей. В измерительной технике это могут быть плоскости, в которых лежат шкала и индекс (или их изображения) или плоскости, в которых лежат изображение измеряемого объекта и штрихи визирной сетки.
Параллакс (Рис. 12) возникает при смещении вдоль линии наблюдения
плоскости P со шкалой относительно плоскости Q с индексом (нониусом).

Рис. 12. Определение величины параллакса.
Параллакс может возникнуть как при наблюдении невооруженным глазом, так и при использовании оптической системы (лупа, микроскоп). Как видно из Рис. 12, в зависимости от положения глаза наблюдателя
и
в пределах расстояния
, величина отсчета меняется в пределах величины
. Если глаз находится на расстоянии L от плоскости Q, а смещение плоскостей P и Q равно l, то погрешность отсчета, вследствие влияния параллакса, будет
,
откуда
.
Если принять величину L равной расстоянию 250 мм, величину смещения глаза a = 25 мм и смещение плоскостей l = 0,2 мм, то
мм.
Параллакс практически обнаруживается при покачивании глаза в поперечном относительно линии наблюдения направлении по кажущемуся смещению указателя относительно шкалы.
Если изображение шкалы дальше от глаза, чем индекс, то смещение шкалы будет происходить в направлении, обратном направлению перемещения глаза. В случае же, если шкала будет ближе к глазу, чем индекс – оба эти направления совпадут. Таким образом, при покачивании глаза в плоскости зрачка выхода оптической системы можно не только определить наличие и величину параллакса, но и определить, в каком направлении вдоль оси сместились индекс и изображение.
Уменьшение погрешности, вызываемой параллаксом, может быть достигнуто с одной стороны уменьшением величины l, с другой стороны – фиксацией положения глаза наблюдателя (например, применением наглазника или маленькой диафрагмы со стороны окуляра).
В оптических системах параллакс устраняется юстировкой, в результате которой изображение основной шкалы проектируется точно в плоскость индекса (или шкалы) отсчетного устройства
1.1.1. Влияние виньетирования
На рисунке 23 приведено несколько положений плоского зеркала, установленного перед объективом автоколлиматора на различных расстояниях
. Как только зеркало отдаляется от соприкосновения с объективом, начинается виньетирование автоколлимационного изображения. При небольшом поле зрения трубы световой параллельный пучок с диаметром
, равный сечению входного отверстия объектива трубы, можно рассматривать как сумму световых трубок – параллельных пучков, общая площадь которых равна площади сечения общего параллельного пучка или площади входного отверстия объектива. Лучи световой трубки, перпендикулярной к зеркалу, не виньетируются (штриховые линии на рисунке 23); у наклонных трубок виньетирование возрастает с увеличением угла между нормалью к зеркалу и осью симметрии трубки по мере отдаления
от зеркала.

Рисунок 23 – Схемы к определению величины виньетирования
Рассмотрим виньетирование пучка лучей (рисунок 23), исходящего из какой-либо точки С сетки. Пусть точка С удалена от оптической оси на расстоянии
. Главный луч этого пучка выходит из объектива под углом
к оптической оси.
Как видно из построения на рисунок 23, часть пучка лучей, соответствующая части диаметра пучка
, равной
, после отражения от зеркала в объектив не вернется.
Тогда
,
и
,
откуда
.
Оценивая величину виньетирования как срезание диаметра пучка и обозначая через
(в %) срезанную часть диаметра, получаем
.
Из формулы видно, что виньетирование возрастает по мере увеличения расстояния
до зеркала и обратно пропорционально диаметру
свободного отверстия объектива. Виньетирование приводит к тому, что в поле зрения автоколлимационной трубы наблюдается постепенное исчезновение краев автоколлимационного изображения по мере удаления зеркала.
Исчезновения краев практически наступает, когда пучок лучей, отраженный от зеркала, перекрывает менее 0,25 радиуса отверстия объектива. Это явление объясняется необходимостью определенного минимума контраста, зависящего от соотношения яркости изображения автоколлимационного блика и фона в поле зрения трубы.
Определим связь между величиной видимого размера автоколлимационного изображения, увеличением, диаметром входного отверстия автоколлиматора и расстоянием до зеркала.
Обозначим:
– видимый размер автоколлимационного изображения;
– увеличение трубы;
– диаметр входного отверстия объектива;
– расстояние до зеркала.
Величине
соответствует на сетке трубы размер
,
– увеличение окуляра. В свою очередь величине
соответствует наклон главного луча к визирной оси:
,
где
– фокусное расстояние объектива;
.
Тогда
.
Поскольку
,
то
.
Из рисунка 23 видно, что полное виньетирование наступает, когда крайний луч наклонной световой трубки с диаметром, равным световому диаметру объектива, пересекает оптическую ось трубы. Это наступает при определенном расстоянии до зеркала
.
Расстояние
находят из формулы
,
где
- входное отверстие объектива в мм.
При малых углах 
.
Тогда

или
,
где значения
и
даны в мм.
.
1.7. Применение автоколлимационного микроскопа и микроскопа с экраном
Нами предложена и рассмотрена схема центрирования с использованием автоколлимационного микроскопа, а также схема измерительного микроскопа с экраном.
В автоколлимационном микроскопе (Рис. 13) световой пучок от лампы накаливания 1, пройдя конденсор 2, отразившись от светоделительной пластины 3 и зеркала 4, освещает сетки 5 и 6, разнесенные вдоль оси на глубину резкости объектива коллиматора 7. Сетки 5 и 6 представляют собой кресты: один – прозрачный на темном фоне, другой – непрозрачный на светлом фоне. Изображения этих сеток с помощью объектива 7, призмы 8, плоскопараллельной пластины 9 и микрообъектива 10 проецируется в предметную плоскость микроскопа, в которую последовательно помещают либо центр кривизны, либо вершину измеряемой поверхности.
Отраженный световой поток проходит через микрообъектив 10, отражается от пластины 9 и диагональной грани призмы 11, проходит объектив 12, призму-куб 13, призму 14 и попадает в окуляр 15, через который оператор видит автоколлимационное изображение крестов сеток 5 и 6. В передней фокальной плоскости окуляра помещена сетка 16, на которую нанесен отсчетный индекс в виде горизонтальной линии и контрольная окружность малых размеров, которая выполняет функцию реперной точки для центрирования измеряемой линзы.

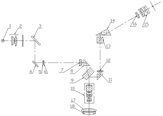
Рис. 13. Схема автоколлимационного микроскопа.
1 – осветитель, 2 – конденсор, 3 – светоделительная пластина, 4 – зеркало, 5 и 6 – сетки, 7 – объектив, 8 – призма, 9 – плоскопараллельной пластины, 10 – микрообъектив, 11 – призма, 12 – объектив, 13 – куб-призма, 14 – призма, 15 – окуляр, 16 – сетка, 17 – центрируемая линза, 18 – оправка.
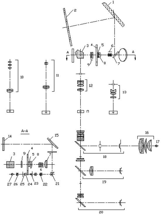
Оптическая схема экранного измерительного микроскопа (Рис. 14) состоит из визирной и трех отсчетных частей. Изображения измеряемого объекта, а также основных и отсчетных шкал проектируются на экраны. В отсчетных системах используются оптические микрометры.
Контуры измеряемого объекта наблюдаются на визирном экране (при нижнем освещении) или рассматриваются через бинокулярную насадку (при верхнем освещении). Отсчет перемещения кареток производится по изображению основных и отсчетных шкал.
Свет от лампы 17 постоянным конденсором 16 и сменной осветительной системой 18, 19 или 20 направляется на сменный объектив 10, 11, 12 или 13 (увеличения
,
,
и
соответственно), освещая измеряемый объект П. 
Рис. 14. Схема экранного измерительного микроскопа.
"6 Договор об отчуждении исключительного права" - тут тоже много полезного для Вас.
Изображение объекта проектируется объективом через призму 3 и защитные стекла 9 в плоскость стеклянной пластинки 5 со штриховыми линиями. Пластинка может поворачиваться маховиком в пределах
. Совместное изображение объекта и штрихов сетки через коллектив 8 проектируется объективом 6 при помощи зеркал 7 и 1 на визирный экран 2. Угломерная отсчетная оптическая система показана на той же фигуре.
Свет от лампы 27 через конденсор 26, светофильтр 25 и коллектив 24 направляется на стеклянный лимб 4 (цена деления
) штриховой угломерной головки. Лимб жестко связан со штриховой сеткой и поворачивается вместе с ней. Объектив 23 проектирует освещенный участок лимба в плоскость неподвижной отсчетной (минутной) шкалы. Совместное изображение обеих шкал проектируется объективом 22, через призму 21 и зеркало 15 на отсчетный угломерный экран 14.
[1] Конические поверхности оправки и шпинделя станка совпадают.
[2] Нониусы круговых шкал иногда называют верньерами.
[3] Иногда штрих основной шкалы делают биссекториальным, а штрих-индекс – одиночным
[4] Имеется в виду нониальный или биссекторный способ наведения.






















