Экологическая и энергетическая характеристика производства
ТЕМА 4.
Лекция 13.
(Тематическая контрольная работа №2)
Экологическая и энергетическая характеристика производства.
Общая характеристика.
Предприятия общественного питания занимаются технологической переработкой пищевого сырья, пришедшего строгий санитарный контроль, т.е. экологически безопасного сырья.
Вспомогательными материалами является питьевая вода, пластмассовая, картонная и бумажная тара и упаковка.
Промежуточными продуктами являются экологически чистые полуфабрикаты пищевой продукции (овощные, мясные, фруктовые и т.д.). Готовая продукция проходит строгий санитарный контроль и является экологически чистой.
Рекомендуемые материалы
Сточные воды характеризуются высокой степенью загрязнения неорганическими (песок, соль) и органическими (крахмал, жир, сахар, поверхностно-активные вещества и т.д.)
Газовоздушные выбросы характеризуются повышенной температурой, наличием повышенного содержания углекислого газа, аммиака, водяных паров, метана и т.д.
Твёрдые отходы – это пищевые отходы, остатки упаковочного материала, тара (пластмассовая, вышедшая из строя, и картонная – на макулатуру), стекло (разбитая посуда и бутылки) и т.д. Твёрдые отходы вывозятся централизованно на городские свалки.
Жидкие отходы после механической очистки (песколовки, металлические сита, отстойники) отправляются в канализацию.
На предприятиях общественного питания последовательно проводится ряд технологических расчётов для определения необходимой площади производственных, торговых, подсобных, складских и административно-бытовых помещений. Исходными данными для технологических расчётов являются тип предприятия и его мощность (число посадочных мест).
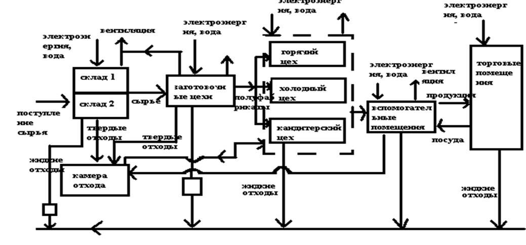
Принципиальная технологическая схема производства и реализации продукции на предприятии общественного питания.

Материальный баланс предприятия.
1. Пищевое сырьё определяется технологическими расчётами по следующим методикам: по физиологическим нормам питания, по меню расчётного дня, по укрупненным показателям и т.д. Продовольственное сырьё поступает на склад, где должна поддерживаться определённая температура, влажность воздуха и обеспечиваться кратность обмена воздуха с помощью вентиляции. Потери сырья связаны с его предварительной очисткой и переборкой, а также потерей массы вместе с влагой, уносимой из холодильной камеры и при размораживании (дефростации) продукции. Отходы собираются в камере отходов, жидкие отходы отправляются в канализацию. Потери при размораживании мяса – 2,5%, процент отходов при разделке – 26%. По мере прохождения по технологической цепи сырьё всё более теряет свою массу, в виде твёрдых отходов или в процессе горячей обработки через вентиляцию (пары, продукты разложения). Вентиляция на предприятиях общественного питания требует постоянного контроля и очистки. В последнее время в цехах устанавливаются утилизаторы твёрдых отходов, которые их измельчают, смешивают с водой и сбрасывают в канализацию.
Водоснабжение. Применяется прямоточное водоснабжение. Вода используется для работы холодильных камер, обработки пищевой продукции, мытья посуды и оборудования, уборки помещений, приготовления пищи.
Эффективность использования воды К определяется по формуле:
К=(Q3 – Qc)/Q3,
где Q3 и Qc – расход забираемой из водопровода воды и расход сточных вод. Для пищевой промышленности К≈0,45.В последнее время используется специальная подготовка воды ( удаление посторонних примесей), необходимой для приготовления пищи, пищевого льда, чая, кофе, питьевой воды.
Энергобаланс состоит из приходной и расходной части. Приходная часть принимается по показателям счётчиков электроэнергии, которые установлены на распределительных или вводных щитах. Предприятия общественного питания могут быть подключены к газопроводу, учёт объема потреблённого газа проводится по газовым счётчикам. Учёт горячей и холодной воды проводится по счётчикам горячей и холодной воды.
Расходная часть. Основные потребители электроэнергии:
· Технологическое оборудование,
· Системы освещения,
· Системы вентиляции и кондиционирования.
Расход электроэнергии на работу технологического оборудования:
W=Nн*Ки*t,
где W – расход, кВт час; Nн – номинальная мощность электродвигателей, источников нагрева, кВт; Ки – коэффициент использования мощности; t – время, за которое оценивается работа оборудования.
Расход теплоты на отопление, Гкал
Qотоп = qо*V*(Твн – Тос)*t*10‾6,
где qо – объёмная отопительная характеристика объекта ккал/м²*град; V – объём объекта, м³; Твн и Тос – температура внутри и вне объекта, ºС; t – время работы отопительного оборудования, час.
Расход тепла на вентиляцию, Гкал
Qвент = qВ*V*(Твн – Тос)*10‾6*t,
где qВ = m*cB(VB/V); m – кратность воздухообмена, г/час; сВ – объёмная удельная теплоёмкость воздуха, ккал/м³*град, V – вентилируемый объём, м³.
Сточные воды предприятий общественного питания относятся к хозяйственно-бытовым.
По основным веществам, загрязняющим окружающую среду выбросами вентиляции они могут быть отнесены к IV и III классу опасности (СО2, углеводороды – IV, сажа – III).
Предприятия общественного питания относятся к 4-ой категории опасности по выбросам в атмосферу. Твёрдые отходы предприятий общественного питания относятся к твёрдым бытовым отходам,(ТБО).
Предприятия заключают договора на вывоз ТБО и обезвреживание:
· непосредственно отходов,
· полимерных материалов,
· люминесцентных ламп.
Снижение энергозатрат на производство продукции и услуг.
Мероприятия по снижению энергозатрат подразделяются на организационные и технические.
1. ОРГАНИЗАЦИОННЫЕ.
· ознакомление персонала с правилами эксплуатации оборудования;
· периодическое техническое обслуживание оборудования (заключение договоров, назначение ответственных сотрудников за состояние конкретного вида оборудования);
· поощрение за экономию энергоресурсов.
2. ТЕХНИЧЕСКИЕ.
· правильный выбор мощности оборудования для его более полной загрузки;
· обеспечивать качество подаваемой энергии;
· применять современные экономичные системы освещения, периодически мыть окна;
· периодически проводить очистку и ремонт вентиляции;
· установить счётчики горячей и холодной воды, газа;
· утеплить здание, улучшить его гидроизоляцию;
· не эксплуатировать тепловое оборудование на холостом ходу, использовать посуду, соответствующую размеру конфорки;
· начинать приготовление пищи на электроплитах с максимальной мощности, постепенно снижаю её по мере необходимости.
Контрольные вопросы.
Вместе с этой лекцией читают "60. Молекулярная организация сократительного аппарата".
1. Охарактеризуйте источники загрязнения окружающей среды предприятиями Вашей специальности.
2. Сформулируйте определение энергобаланса.
3. Обоснуйте роль экологического налога для рационального природопользования.
4. Раскройте сущность организационных мероприятий по ресурсо- и энергосбережению.
5. Объясните как снизить материальные и энергетические затраты на производство продукции техническими мерами.
6. Оцените экологический вред при утилизации люминесцентных ламп.






















