Автоматическое включение резервного питания и оборудования
2. Автоматическое включение резервного питания и оборудования
2.1. Назначение АВР
Высокую степень надежности электроснабжения потребителей обеспечивают схемы питания одновременно от двух и более источников питания (линий, трансформаторов), поскольку аварийное отключение одного из них не приводит к нарушению питания потребителей. Несмотря на эти очевидные преимущества многостороннего питания потребителей, большое количество п/ст, имеющих два и более источников питания, работают по схеме одностороннего питания. Одностороннее питание имеют также секции шин собственных нужд (СН). Применение такой менее надежной, но более простой схемы электроснабжения во многих случаях оказывается целесообразным для снижения токов КЗ, уменьшения потерь электроэнергии в питающих трансформаторах, упрощения РЗ, создания необходимого режима по напряжению, перетокам мощности и т.п. При развитии электрической сети одностороннее питание часто является единственно возможным решением, так как ранее установленное оборудование и РЗ не позволяют осуществить параллельную работу источников питания. Используются две основные схемы одностороннего питания потребителей при наличии двух или более источников.
В первой схеме один источник включен и питает потребителей, а второй отключен и находится в резерве. Соответственно этому первый источник называется рабочим, а второй резервным (рис. 23. а)). Во второй схеме все источники включены, но работают раздельно на выделенных потребителей. Деление осуществляется на одном из выключателей (рис. 23. в)).

Рис. 23.
Недостатком одностороннего питания является то, что аварийное отключение рабочего источника приводит к прекращению питания потребителей, т.е. к аварии. Этот недостаток может быть устранен быстрым автоматическим включением резервного источника или включением выключателя, на котором осуществлено деление сети. Для выполнения этой операции широко используются специальные автоматические устройства, получившие наименование автоматов включения резерва (АВР). При наличии АВР время перерыва питания потребителей в большинстве случаев определяется лишь временем включения выключателей резервного источника и составляет 0,3–0,8 с. Рассмотрим принцип использования АВР на примере схем, приведенных на рис. 23.
а) Питание п/ст А осуществляется по рабочей линии w1 от п/ст Б. Вторая линия w2, приходящая от п/ст В, является резервной и находится под напряжением (выключатель Q3 нормально отключен). При отключении линии w1 автоматически от АВР включается выключатель Q3 линии w2, чем вновь подается питание потребителем п/ст А. Схемы АВР могут иметь одностороннее или двустороннее действие. При одностороннем АВР линия w1 всегда должна быть рабочей, а линия w2 – всегда резервной. При двустороннем АВР любая из этих линий может быть рабочей и резервной.
б) Питание электродвигателей и других потребителей СН каждого агрегата э/ст осуществляется обычно от отдельных рабочих трансформаторов (Т1 и Т2). При отключении рабочего трансформатора автоматически от АВР включается выключатель Q5 и один из выключателей Q6 (при отключении Т1) или Q7 (при отключении Т2) – резервного трансформатора Т3.
в) Трансформаторы Т1 и Т2 являются рабочими, но параллельно работать не могут и поэтому со стороны низшего напряжения включены на разные системы шин. Шиносоединительный выключатель Q5 нормально отключен. При аварийном отключении любого из рабочих трансформаторов автоматически от АВР включается выключатель Q5, подключая нагрузку шин, потерявших питание, к оставшемуся в работе трансформатору. Каждый трансформатор в рассматриваемом случае должен иметь мощность, достаточную для питания всей нагрузки п/ст. В случае, если мощность одного трансформатора недостаточна для питания всей нагрузки п/ст, при действии АВР должны приниматься меры для отключения части наименее ответственной нагрузки.
г) П/ст В и Г нормально питаются радиально от п/ст А и Б соответственно. Линия w3 находится под напряжением со стороны п/ст В, а выключатель Q5 нормально отключен. При аварийном отключении линии w2 устройство АВР, установленное на п/ст Г, включает выключатель Q5, чем питание п/ст Г переводится на п/ст В по линии w3. При отключении линии w1 п/ст В и вместе с ней линия w3 остаются без напряжения. Исчезновение напряжения на трансформаторе напряжения TV также приводит в действие устройство АВР на п/ст Г, которое включением выключателя Q5 подает напряжение на п/ст В от п/ст Г.
Рекомендуемые материалы
Опыт эксплуатации показывает, что АВР является весьма эффективным средством повышения надежности электроснабжения. Успешность действия АВР составляет 90–95%. Простота схем и высокая эффективность обусловили широкое применение АВР на э/ст и в электрических сетях.
2.2. Основные требования к схемам АВР
В эксплуатации находится большое количество АВР разных типов, которые имеют свои специфические особенности. Однако все устройства АВР должны удовлетворять следующим основным требованиям:
1. Схема АВР должна приходить в действие в случае исчезновения напряжения на шинах потребителей по любой причине, в том числе при аварийном, ошибочном или самопроизвольном отключении выключателей рабочего источника питания, а также при исчезновении напряжения на шинах, от которых осуществляется питание рабочего источника. Включение резервного источника питания допускается также при КЗ на шинах потребителя.
2. Для того чтобы уменьшить длительность перерыва питания потребителей, включение резервного источника питания должно производиться, возможно, быстрее, сразу же после отключения рабочего источника.
3. Действие АВР должно быть однократным, чтобы не допускать нескольких включений резервного источника на не устранившееся КЗ.
4. Схема АРВ не должна приходить в действие до отключения выключателя рабочего источника, чтобы избежать включения резервного источника на КЗ в не отключившемся рабочем источнике. Выполнение этого требования исключает также в отдельных случаях несинхронное включение двух источников питания.
5. Для того чтобы схема АВР действовала при исчезновении напряжения на шинах, питающих рабочий источник, когда его выключатель остается включенным, схема АВР должна дополняться специальным пусковым органом минимального напряжения.
6. Для ускорения отключения резервного источника при его включении на не устранившееся КЗ должно предусматриваться ускорение защиты резервного источника после АРВ. Это особенно важно в тех случаях, когда потребители, потерявшие питание, подключаются к другому источнику, несущему нагрузку.
Ускоренная защита обычно действует по цепи ускорения без выдержки времени. В установках же СН, а также на п/ст, питающих большое число электродвигателей, ускорение осуществляется до 0,5 с. Такое замедление ускоренной защиты необходимо для предотвращения её неправильного срабатывания в случае кратковременного замыкания контактов токовых реле в момент включения выключателя под действием толчка тока, обусловленного сдвигом по фазе между напряжением энергосистемы и затухающей ЭДС тормозящихся электродвигателей.
2.3. Принцип действия АВР

Рис. 24.
Рассмотрим принцип действия АВР на примере двухтрансформаторной п/ст, схема которой приведена на рис. 24. а). Питание потребителей нормально осуществляется от рабочего трансформатора Т1. Резервный трансформатор Т2 отключен и находится в автоматическом резерве.
При отключении по любой причине выключателя Q1 трансформатора Т1 его вспомогательный контакт SQ1.2 (см. рис. 25.) разрывает цепь обмотки промежуточного реле KL1. В результате якорь реле KL1, подтянутый при включенном выключателе, при снятии напряжения отпадает с некоторой выдержкой времени и размыкает контакты.

Рис. 25.
Второй вспомогательный контакт SQ1.3 выключателя Q1, замкнувшись при отключении Q1, подает плюс через ещё замкнутый контакт KL1.1 на обмотку промежуточного реле KL2, которое своими контактами производит включение выключателей Q3 и Q4 резервного трансформатора, воздействуя на контакторы включения YAC3 и YAC4. По истечении установленной выдержки времени реле KL1 размыкает контакты и разрывает цепь обмотки KL2. Если резервный трансформатор будет включен действием АРВ на не устранившееся КЗ и отключится РЗ, то его повторного включения не произойдет. Таким образом, реле KL1 обеспечивает однократность действия АРВ и поэтому называется реле однократности включения. Реле KL1 вновь замкнет свои контакты и подготовит схему АВР к новому действию лишь после того, как будет восстановлена нормальная схема питания п/ст и включен выключатель Q1. Выдержка времени на размыкание контактов реле Kl1 должна быть больше времени включения выключателей Q3 и Q4 для того, чтобы они успели надежно включиться.
Выше было рассмотрено действие АВР при отключении выключателя Q1 рабочего трансформатора. Наряду с этим следует иметь в виду возможность отключения выключателя Q2 со стороны высшего напряжения рабочего трансформатора. В этом случае потребители п/ст С также потеряют питание. Для того чтобы обеспечить действие АВР и в этом случае, при отключении Q2 от его вспомогательного контакта SQ2.2 подаётся импульс на катушку отключения YAT1 выключателя Q1. После отключения Q1 АВР запускается и действует, как рассмотрено выше.
Кроме рассмотренных случаев отключения выключателей Q1 или Q2 рабочего трансформатора, потребители также потеряют питание, если по какой-либо причине останутся без напряжения шины ВН п/ст В. Схема АВР при этом не подействует, так как оба выключателя рабочего трансформатора останутся включенными. Для того чтобы обеспечить действие АВР и в этом случае, предусмотрен специальный пусковой орган минимального напряжения, в который входят реле KV1, KV2, KV3 и KL3. При исчезновении напряжения на шинах п/ст В, а следовательно, и на шинах п/ст С в реле минимального напряжения, подключенные к трансформатору напряжения TV1, замкнут свои контакты и подадут плюс оперативного тока на обмотку реле времени KT1 через контакт реле KV3. Реле KТ1 при этом запустится и по истечении установленной выдержки времени подаст плюс на обмотку выходного промежуточного реле KL3, которое отключит выключатели Q1 и Q2 рабочего трансформатора. После отключения Q1 АВР подействует, как рассмотрено выше.
Реле напряжения KV3 предусмотрено для того, чтобы предотвратить отключение Т1 от пускового органа минимального напряжения в случае отсутствия напряжения на шинах ВН А резервного трансформатора Т2, когда действие АВР будет заведомо бесполезным. Реле напряжения KV3, подключенное к трансформатору напряжения TV2 шин А, при отсутствии напряжения размыкает свой контакт и разрывает цепь от контактов реле KV1 и KV2 к обмотке реле времени KT1.
2.4. Автоматическое включение резервных трансформаторов
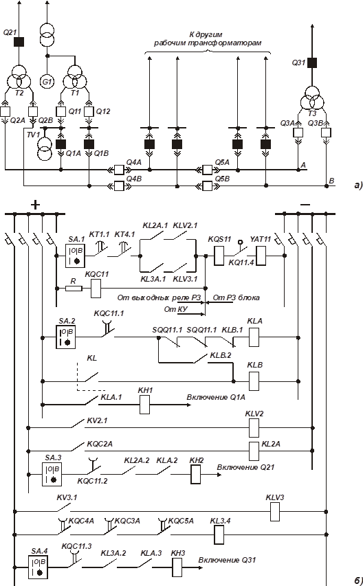
На рис. 26. приведена схема АВР ТСН блочных ТЭС. Рабочий трансформатор (рис. 8.20. а)) Т1 имеет расщепленные обмотки и подключен отпайкой к генератору G1. Два резервных трансформатора Т2 и Т3 присоединены к магистралям резервного питания 6 кВ А и В. Выключатели ВН резервных трансформаторов Q21 и Q31 нормально отключены, а выключатели стороны НН Q2A и Q2B, Q3A и Q3B включены. В рассматриваемой схеме имеется возможность замены рабочего трансформатора любого энергоблока любым из двух резервных. Т2 и Т3. В зависимости от того, какой из резервных трансформаторов используется, включаются выключатели Q4A, Q4B или Q5A, Q5B (секционные выключатели устанавливаются через два энергоблока).
В схеме на рис. 26. б) показано АВР выключателей, обеспечивающих восстановление питания секции СН, питающейся нормально от рабочего трансформатора Т1 через выключатель Q11. В случае аварийного отключения Т1 будут включены выключатель Q1A, а также выключатели Q21 или Q31 резервных трансформаторов Т2 или Т3. Команды на включение выключателей подаются реле KLA (рис. 26. б), которое срабатывает при замыкании вспомогательного контакта SQQ11.1 отключившегося выключателя Q11 через размыкающийся контакт KQC11.1, обеспечивающий однократность действия АВР. Плюс на включение выключателя Q1A подается непосредственно контактом KLА.1 через указательное реле КН1, а на включение выключателей Q21 или Q31 – через контакты KLА.2 и KLА.3 соответственно.

Рис. 26.
Для выбора направления действия схемы АВР на рис. 26. б) предусмотрены специальные промежуточные реле (KL2A и KL3A), контролирующие, от какого резервного трансформатора питаются вводы резервного питания к секции СН соответствующего энергоблока (в рассматриваемом случае энергоблока G1).
В схемах АВР выключателей Q1A и Q21 (рис. 26. а)), показанных на рис. 26. б), при использовании для резервирования Т» замкнуты контакты KV2.1 реле напряжения, контролирующего наличие напряжения на питающей стороне трансформатора Т2, контакты реле положения «Включено» KQC2A выключателя Q2A. Поэтому под напряжением находятся реле KLV2, KL2A и контакты их в схемах АВР (рис. 26. б) замкнуты. При использовании же для резервирования Т3 под напряжением будут находится реле KLV3 и KL3A (рис. 26. б).
Действие АВР запрещается в случае отключения выключателя Q11 вручную (при этом размыкаются контакты KQQ11.1, см. рис. 26. б) и в случае повреждения на шинах или присоединениях НН, когда могут подействовать резервные РЗ питающего трансформатора (при этом через замкнувшийся контакт выходного промежуточного реле резервных РЗ трансформатора KL (рис. 26. б)) сработает реле блокировки KLB, которое контактом KLB.1 разомкнет цепь обмотки реле KLA, а через контакт KLB.2 будет самоудерживаться до размыкания контакта KQC11.1 и возврата схемы АВР).
При исчезновении напряжения на шинах секции 6 кВ, когда выключатель рабочего трансформатора Q11 остается включенным, вступит в действие пусковой орган минимального напряжения АВР, схема которого приведена на рис. 27. Для отключения выключателя Q11 и последующего пуска АВР необходимо срабатывание двух реле минимального напряжения (KV1 и KV4 на рис. 27) и реле времени KT1 и КТ4. В качестве реле KV1 и KV4 используются соответствующие реле первой ступени РЗ минимального напряжения, предназначенной для отключения неответственных электродвигателей в режиме самозапуска. На реле KV4 выполняется уставка срабатывания 70 В, и оно срабатывает одновременно с реле KV1 при исчезновении напряжения на шинах, обеспечивая пуск АВР. Для исключения ложного срабатывания пускового органа АВР и РЗ минимального напряжения электродвигателей при отключении автоматического выключателя SF, установленного во вторичных цепях TV1 (рис. 27.), плюс на контакты реле напряжения подается через его вспомогательный контакт SQF, замкнутый при включенном автоматическом выключателе.

Рис. 27.
Предусмотренные в схеме на рис. 27. блокировки не исключают возможности ложного срабатывания пускового органа АВР в случае перегорания предохранителя в средней фазе на сторона ВН TV1, когда могут одновременно сработать оба реле напряжения (KV1 и KV4). Для предотвращения в этом случае ложного срабатывания пускового органа схемы АВР плюс на его схему подается через размыкающий контакт фильтр-реле напряжения обратной последовательности KVZ (типа РНФ-1М), установленного в схеме РЗ минимального напряжения электродвигателей, подключенных к данной секции шин СН.
В цепи отключения соответствующего выключателя рабочего трансформатора от пускового органа схемы АВР включены замыкающие контакты промежуточных реле KL2 или KL3 (см. рис. 26. б)), замкнутые при наличии напряжения на резервном источнике питания. Промежуточные реле KL2 (KL3) приходят в действие от контактов максимальных реле напряжения KV2.1 (KV3.1) и служат для размножения контактов последнего с целью использования их в цепях других рабочих трансформаторов.
Реле времени КТ1 и КТ4 замыкают цепь отключения выключателя Q11 через замыкающие контакты реле KLV2.1 (KLV3.1) и KLA.1 (KL3A.1) в зависимости от того, какой трансформатор – Т2 или Т3 – используется для резервирования рабочего трансформатора.
2.5. Сетевые АВР
В распределительных сетях широкое применение находят АВР, обеспечивающие при своем срабатывании восстановление питания нескольких п/ст сети, – так называемые сетевые АВР. Схема такого АВР приведена на рис. 28. Устройство АВР двустороннего действия обеспечивает восстановления питания участков сети, расположенных слева и справа от п/ст В, в случае нарушения питания от п/ст А и Д. соответственно. Пуск АВР осуществляется контактами реле напряжения KV1 и KV2, подключенными к трансформаторам напряжения TV1 и TV2. В цепи обмотки реле времени КТ1 пускового органа АВР включены замыкающие контакты автоматовSF1 и SF2, предотвращающих ложное срабатывание пускового органа в случае неисправностей цепей напряжения, а также замыкающие контакты реле напряжения KV3 и KV4, контролирующие наличие напряжения со стороны резервного источника.

Рис. 28.
В схеме пускового органа АВР предусмотрено второе реле времени КТ2 для возможности осуществления двух различных уставок по времени в случае отключения питания от п/ст А и Д.
Однократность действия рассматриваемой схемы АВР обеспечивается двухпозиционным реле KQ. Это реле типа РП-9 переменного тока имеет две обмотки, которые включены со встречной полярностью. Срабатывание реле и переключение его контактов происходят за один из полупериодов поданного на обмотки напряжения переменного тока, когда в якоре реле направление управляющего потока противоположно направлению поляризующего потока, создаваемого постоянными магнитами.
В нормальном режиме замкнут контакт KQ.1 и подготовлена цепь выходного промежуточного реле KL. После срабатывания реле KL, подающего импульс на включение Q1, и замыкания контактов реле положения «Включено» KQC.1, фиксирующего включение Q1, реле KQ срабатывает и переключает свои контакты, размыкая KQ.1 в цепи обмотки KL. Возврат реле KQ и подготовка схемы АВР к новому действию осуществляется нажатием кнопки SB. Эту операцию выполняет персонал оперативно-выездной бригады, прибывающей на п/ст при поступлении сигнала о срабатывании АВР.
Действие сетевого АВР увязывается с АПВ линий, что обеспечивает наибольшую эффективность действия автоматики. РЗ в рассматриваемой сети должна выполняться с учетом возможности питания промежуточных п/ст как от одного, так и от другого источника.
2.6. Расчет уставок АВР
Реле однократности включения
Выдержка времени промежуточного реле однократности включения tОВ от момента снятия напряжения с его обмотки до размыкания контактов должна с некоторым запасом превышать время включения выключателя резервного источника питания:
tОВ = tВКЛ + tЗАП,
где: tВКЛ - время включения выключателя резервного источника питания (если
выключателей два, то выключателя, имеющего большее время включения);
tЗАП - время запаса, принимается равным 0,3–0,5 с.
Пусковой орган минимального напряжения
Напряжение срабатывания реле минимального напряжения при выполнении пускового органа по схеме на рис. 24, выбирается так, чтобы пусковой орган срабатывал только при полном исчезновении напряжения и не приходил в действие при понижениях напряжения, вызванных КЗ или самозапуском электродвигателей. Для выполнения этого условия напряжение срабатывания реле минимального напряжения (напряжение, при котором возвращается якорь реле) должно быть равным:
(10)
где: UОСТ.К. - наименьшее расчетное значение остаточного напряжения при КЗ;
UЗАП. - наименьшее напряжение при самозапуске электродвигателей;
kН - коэффициент надежности, принимаемый равным 1,1–1,2;
nH - коэффициент трансформации трансформатора напряжения.
Для определения наименьшего остаточного напряжения производятся расчеты при трехфазных КЗ и расчет самозапуска электродвигателей. Принимается меньшее значение напряжения срабатывания из полученных по формулам (10).
В большинстве случаев обоим условиям удовлетворяет напряжение срабатывания, равное:
UC.P. = (0,25 ¸ 0,40) UНОМ, (11)
где: UНОМ – номинальное напряжение электроустановки.
Поэтому обычно можно принимать напряжение срабатывания согласно формуле (11). В схемах пусковых органов минимального напряжения должны применяться термически стойкие реле напряжения типа РН-53/60 Д, которые имеют пределы уставок 15–60 В и допускают длительное включение под напряжение 110 и 220 В.
Информация в лекции "33 Алкогольные напитки" поможет Вам.
Реле контроля наличия напряжения на резервном источнике питания
Напряжение срабатывания этого реле определяется из условия отстройки от минимального рабочего напряжения по формуле:
, (12)
где: Uраб.мин. - минимальное рабочее напряжение;
kH - коэффициент надежности, принимаемый равным 1,2;
kВ - коэффициент возврата реле.






















