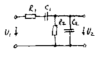
Генератор с мостом вина
2020-06-032021-03-09zzyxelСтудИзба
Генератор с мостом вина




для компенсации потерь в мосте Вина.
Если R1=R2=R, C1=C2=C:
; 
Усилительный каскад должен иметь коэффициент усиления
и нулевой фазовый сдвиг. Т. к. у ОУ линейная ОС , то вводят нелинейную ОС , которая при больших (в области установившихся амплитуд)
.


























