Трубопроводы насосной станции первого и второго подъемов
Трубопроводы насосной станции первого и второго подъемов
Трубопроводы насосной станции подразделяются на всасывающие и напорные, внутристанционные и наружные. Разные условия работы заставляют по-разному проектировать всасывающие и напорные трубопроводы.
Всасывающие внестанционные трубопроводы. Наилучшим условием для нормальной работы насосов является обеспечение каждого насоса индивидуальной всасывающей трубой. Однако это возможно только при использовании вертикальных центробежных, осевых и небольшого числа (до четырех) горизонтальных насосов. При числе горизонтальных центробежных насосов более четырех на насосных станциях раздельного типа значительно увеличиваются габариты водозаборного сооружения, усложняется устройство всасывающих коммуникаций, что приводит к удорожанию строительства гидроузла в целом. В этом случае можно принимать количество внестанционных всасывающих труб меньше числа насосов с устройством общего коллектора, к которому подключаются рабочие и резервные насосы.
Количество внестанционных всасывающих линий на насосных станциях первой и второй категории надежности должно быть не менее двух. При выключении одной линии остальные внестанционные всасывающие трубопроводы должны быть рассчитаны на пропуск полного расчетного расхода для станций первой и второй категорий и 70% расчетного расхода для третьей категории.
Расчетный расход одного всасывающего водовода определяется по формуле (12):
, (12)
а для насосных станций третьей категории по формуле (13):
, (13)
где Qн.с – максимальная подача насосной станции;
Рекомендуемые материалы
n – количество всасывающих водоводов.
При конструировании всасывающих линий необходимо учитывать следующие требования:
· всасывающая линия должна быть герметичной и исключать проникновение воздуха внутрь трубы, так как наличие растворенного газа резко влияет на подачу и напор насоса, а также ухудшается его запуск в работу;
· конструкция всасывающей линии должна исключать возможность образования в ней «воздушных мешков»;
· трубопровод должен иметь постоянный уклон в сторону насоса не менее 0,005;
· если всасывающий трубопровод состоит из труб разного диаметра, то между ними необходимо делать косые переходы;
· для уменьшения потерь напора всасывающие трубопроводы должны иметь минимально возможную длину с минимумом арматуры и фасонных деталей;
· всасывающие трубопроводы как в пределах насосной станции, так и вне ее выполняются из стальных труб на сварке с применением фланцевых соединений для присоединения к арматуре и насосам.
На рисунке 14 приведены примеры неправильного и правильного расположения всасывающих трубопроводов.

Рис. 14. Неправильное (а) и правильное (б) расположение всасывающих труб
1 – воздушный мешок;
2 – прямой переход;
3 – косой переход.
Приемные концы всасывающих труб в камерах водоприемных сооружений должны размещаться таким образом, чтобы обеспечивать свободный и равномерный подвод воды. Для снижения сопротивления при входе потока к всасывающим трубопроводам привариваются приемные конусы (воронки), диаметр которых принимается Двх = (1,25…1,5) d, где d диаметр всасывающей трубы (рис. 15). Центральный угол конуса воронки устраивают 8…160. Во избежание воронкообразования и засасывания воздуха обрез приемной воронки погружается на глубину не менее 0,6 м. В случае, если указанную глубину обеспечить нельзя, то на концах приемных конусов необходимо устраивать экраны – металлические пластины размером не менее 2Двх.

Рис. 15. Расположение всасывающей трубы в приемной камере
Всасывающие трубы осевых и вертикальных насосов, имеющих сложную форму, выполняются из металла и поставляются совместно с насосами, либо изготавливаются из бетона при сооружении подводного блока насосной станции.
Напорные внутристанционные трубопроводы предназначаются для подачи воды от насосов к водоводам. Чаще всего количество отходящих от насосной станции водоводов, меньше числа насосов. Поэтому их объединяют в один общий коллектор. Диаметр напорного коллектора принимают из условия пропуска по нему 100% расчетного расхода насосной станции. Все внутристанционные трубопроводы выполняются из стальных труб на сварке.
На всасывающей стороне насоса устанавливают задвижку и эксцентрический переход, а на напорной – прямой переход, обратный клапан, который препятствует обратному току перекачиваемой среды в случае прекращения подачи энергии к электродвигателю насоса, необходимое количество задвижек, водомеры (индивидуально на каждый насос или суммарный в начале водовода), гасители энергии гидравлического удара (при необходимости) и контрольно - измерительную аппаратуру.
Общий напорный коллектор, как и всасывающий, устраивают либо в машинном зале, либо в специальной камере переключений, примыкающей к зданию насосной станции. Количество задвижек должно обеспечивать работу станции согласно ее категории надежности при отключении на ремонт любого насоса или участка водовода. Вся арматура устанавливается на подставке высотой не менее 200 мм.
Диаметры всасывающих и напорных трубопроводов определяют в соответствии с расчетными расходами и рекомендуемыми СНиП скоростями (табл. 2.)
Таблица 2. Рекомендуемые скорости движения воды во всасывающих и напорных трубопроводах насосной станции.
| Диаметры труб, мм | Скорости движения воды в трубопроводах, м/с. | |
| Во-всасывающем | В напорном | |
|
| 0,6…1 | 0,8…2,0 |
| 300…800 | 0,8…1,5 | 1,0…3,0 |
| более 800 | 1,2…2,0 | 1,5…4,0 |
Диаметры внутристанционных трубопроводов должны соответствовать стандартным диаметрам выпускаемой запорно-регулирующей арматуры, которая размещается на них.
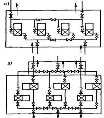
Трубопроводы внутри насосной станции могут располагаться над поверхностью пола с устройством мостков (переходов) над трубопроводами; в мелких каналах, когда маховик задвижки возвышается над полом; в глубоких каналах; на кронштейнах у стен; в подвалах. Различные компоновочные решения прокладки напорных внутристанционных трубопроводов изображены на рисунке 16 и 17.

Рис. 16. Горизонтальная (а) и вертикальная (б) компоновки напорных внутристанционных трубопроводов
Наружные напорные водоводы. Число напорных водоводов от станций первой и второй категории надежности действия принимается не менее двух. Если при двух водоводах их диаметры оказываются более 1400 мм, то число водоводов увеличивают.
Расчетный расход одного напорного водовода равен:
, (14)
Ещё посмотрите лекцию "52 Антитрестовское законодательство США" по этой теме.
где Qн.с – расчетная подача насосной станции;
n – количество напорных водоводов.
Для прокладки наружных напорных водоводов применяют преимущественно неметаллические трубы: асбестоцементные при диаметрах до 500 мм включительно и напорах, не превышающих 120 м, железобетонные при диаметрах свыше 500 мм и напорах до 90 м пластмассовые. При больших напорах, в условиях предприятий и населенных мест со сложными подземными коммуникациями напорные водоводы могут проектироваться стальными или чугунными.
Выбор материала труб и его диаметра производят на основании технико-экономических расчетов с учетом стоимости труб, производства работ и эксплуатационных затрат на электроэнергию. Данный расчет весьма трудоемок и, как правило, проводится с использованием ЭВМ.

Рис. 17. Коллекторные переключения на всасывающих и напорных трубопроводах


250

















