Многокаскадные усилители
Многокаскадные усилители
При создании усилителей наряду с одиночными каскадами широко используются многокаскадные усилители с местными и общими ОС. Используются 2 – х каскадные и 3 – х каскадные усилители.
2 – х каскадные:
ОЭ – ОЭ *
ОБ – ОБ
ОБ – ОК *
ОБ – ОЭ *
ОЭ – ОБ
ОЭ – ОК *
ОК – ОБ
Рекомендуемые материалы
ОК – ОЭ *
* - применяются чаще всего.
Примеры реализации
Такие каскады могут быть построены как на однотипных транзисторах, на комплиментарных транзисторах, в этом случае наиболее просто достигается межкаскадное согласование. Кроме того, усилители могут иметь параллельное питание и последовательное питание на каскады.
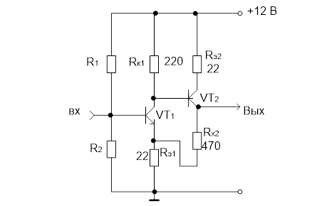
Пример
ОЭ – ОЭ

В этой схеме VT1 и VT2 комплиментарные, VT1 – n-p-n, VT2 – p-n-p.
В лекции "2 Препараты гормонов щитовидной железы" также много полезной информации.
Каждый из них ОЭ.Т. е. они комплиментарные, это обеспечивает возможность согласования режима их работы и связи по постоянному току непосредственно. В этом усилителе имеют место следующие ООС:
v Местная ООС по току для VT1 с помощью Rэ1;
v Местная ООС по току для VT2 через Rэ2;
v Общая ООС через Rк2, Rэ1.
Ku @ 1/b = Rк2/Rэ1 @ 20
Из – за наличия местной и общей ООС эта схема является температурно устойчивой, широкополосной. Имеет повышенное Rвх.






















