Требования к качеству и свойствам воды в системах оборотного водоснабжения
1.4. Требования к качеству и свойствам воды в системах оборотного водоснабжения
Требования к качеству и свойствам воды, подаваемой для производственных целей, устанавливают в каждом конкретном случае в зависимости от применяемых в технологии оборудования, сырья и материалов. Общими являются следующие требования к технической воде /4/:
1. В открытых системах вода должна быть безвредной для здоровья обслуживающего персонала и не обладать отрицательными органолептическими свойствами. Поэтому содержание в I л воды кишечных палочек не должно превышать 1000.
2. Техническая вода может использоваться только для охлаждения машин и агрегатов или продукта через стенку по схеме, приданной на рис. 1.2,а. Температура воды не должна быть выше допустимой; так, для среднеевропейской полосы она должна быть ниже 28-30°. Поэтому оборотную воду охлаждают в градирнях или других сооружениях.
3. Содержание взвешенных веществ крупностью до 0,05 мм в воде не должно превышать допустимых значений, зависящих от скорости воды в охлаждаемом оборудовании, приведенных в табл.1.2.
Таблица 1.2
Допустимая концентрация взвеси (крупностью до 0,05 мм) в охлаждающей оборотной воде
Рекомендуемые материалыFREE Маран Программная инженерия Техническое задание -34% ЛЮБАЯ практика в Синергии! -58% Помощь с закрытием всего семестра! Скорость движения воды в теплообменных аппаратах, м/с | Допустимая концентрация взвеси в охлаждающей воде мг/л | |
| нормально | кратковременно | |
| До 0.01 0.01-0.2 0.2-0.5 0.5-1.0 | 5 10-20 30-50 50-80 | 20 50 100 200 |
4. Оборотная вода, используемая для охлаждения, должна быть термостабильной, т.е. из нее не должно выделяться более 0,2 г/ (м ч) карбоната кальция CaCO2, других солей и механических примесей (слой отложений не более 0,08 мм в месяц). В противном случае вода должка предварительно обрабатываться.
5. Вода не должна вызывать точечной и язвенной коррозии, а также равномерной коррозии металла со скоростью, превышающей 0,09 г/(м
ч) (слой до 0,1 мм в год) и разрушения бетона. Допустима равномерная скорость коррозии углеродистой стали, не превышающая 0,45 г/(м
ч), (слой до 0,5 мм в год) при отсутствии признаков точечной и язвенной коррозии. Следует выбирать стойкие материалы для оборудования, трубопроводов и сооружений, предусматривать их защиту покрытиями или производить соответствующую обработку воды.
6. Вода не должна способствовать развитию биологических обрастаний теплообменных аппаратов и охладителей оборотной воды со скоростью, большей 0,07 г /(м
ч) (слой до 0,05 в месяц) по сухому весу в воздухе. При необходимости воду периодически обрабатывают хлором, а охладители воды - раствором медного купороса.
Вода, используемая для охлаждения оборудования и продукта в теплообменных аппаратах, относится к воде I категории. Вода П категории используется в качестве среды, поглощающей и транспортирующей примеси по схеме рис.1.2,б при непосредственном контакте с продуктом (обогащение полезных ископаемых, гидрозоло-удаление и др.). Она может содержать взвешенные вещества в концентрации не более допустимой и крупностью не выше установленного предела во избежании осаждения их по пути движения воды. Норма допустимой концентрации взвешенных веществ в воде, подаваемой потребителям, устанавливается отдельно для каждого производства. Перед каждым циклом использования воды в системе оборотного водоснабжения эта вода должна быть очищена и, при необходимости, охлаждена. Вода Ш категории используется как среда, поглощающая и транспортирующая механические примеси и одновременно служащая охладителем продукта по схеме рис.1.2,в. В ней могут иметь место процессы растворения (выщелачивания) солей, органических веществ и газов. Количество и технологические свойства воды в таком случае должны отвечать требованиям, указанным выше для воды I и П категории.
Следует отметить, что качество и технологические свойства (термостабильность и коррозионность) воды, используемой для охлаждения или обогащения продукта при непосредственном контакте с ним, формируется в основном этим продуктом, а также условиями использования воды и от качества и свойств природной воды практически не зависят.
Особо чистая вода используется для приготовления технологических производственных растворов. Она не должна содержать осаждающихся взвешенных и других веществ, вредных для производства или образующих с растворяемыми веществами вредные примеси.
Примерные общие требования к качеству пресных вод, используемых для охлаждения продукта и оборудования, очистки газов и обогащения полезных ископаемых, приведены в табл.1.3.
1.5. Критерии рациональности использования воды
Эффективность использования вода на промышленных предприятиях оценивается тремя показателями.
I. Техническое совершенство системы водоснабжения оценивается количеством использованной оборотной воды ,%,
| (1.10) |

где
- количество вода, используемой соответственно в обороте, забираемой из источника и поступающей в систему с сырьем.
2. Рациональность использования вода, забираемой из источника, оценивается коэффициентом использования
(1.11)
3. Потери воды и безвозвратное потребление в системе оборотного водоснабжения, %, определяются по формуле

где
- количество вода, используемой в производстве последовательно.
1.6. Очистка и обработка вода систем оборотного водоснабжения
Необходимость очистки и обработки воды в системах оборотного водоснабжения определяется:
- требованиями, предъявляемыми потребителями к качеству и свойствам вода;
.- данными лабораторных анализов природной и оборотной воды, предназначенной к использованию;
- результатами исследования технологических свойств вода (термостабильность, биогенность и коррозионность), на моделях или в производственных условиях;
- опытом эксплуатации аналогичных систем, использующих воду данного (или аналогичного) источника водоснабжения.
Таблица 1.3
Требования к качеству пресных вод, используемых дли охлаждения очистки газов и обогащения полезных ископаемых
| Показатели | Вода 1 категории при температурах охлаждения продукта или стенки теплообменника, С | Вода 2 категории | Вода 3 категории | |||
| До 80 | 80-400 | >400 | ||||
| Температура, С, не более | 25-38 | 28-40 | 40-45 | Не нормируется | 25-30 | |
| Содержание взвешенных веществ, мг/л | 20-30 | 20-30 | 20-30 | 1000 при гравитационных процессах, 50 при флотации | 150-200 | |
| Содержание масел и смолообразных продуктов (эфирорастворимых), мг/л, не более | 10-20 | 10-20 | 10-20 | Не нормируется | ||
| Запах, в баллах, не более | 3 | 3 | 3 | 3 | 4 | |
| Цветность, градусы платинокобальтовой шкалы | Не нормируется | |||||
| рН | - | - | 7.2-8.5 | - | - | |
| Жесткость общая, мэкв/л | Не нормируется | 7 | 5 | Не нормируется | ||
| Жесткость карбонатная, мэкв/л | 2,5-3 | 2-2,5 | 1,5 | То же | ||
| Щелочность общая, мэкв/л | 3.5-4 | 3-3.5 | 2-2.5 | > | ||
| Общее содержание солей, мг/л | 2000 | 1300 | 800 | > | ||
| Содержание, мг/л: Хлоридов (Cl -) Сульфатов (SO Железа (Fe | 350 500 1-4 | 250 350 1-4 | 150 250 1-4 | > > > | ||
| Ионов тяжелых металлов | Не нормируется | |||||
| Поверхностно-активных веществ | Не нормируется | |||||
| Окисляемость перманганатная, мг О2/л | 10-15 | 10-15 | 10-15 | 10 при фторации | Не нормируется | |
| БПКполи, мг О2/л | 15-20 | 15-20 | 15-20 | Не нормируется | ||
| Содержание биогенных компонентов- фосфора и азота мг/л | 0.5 | 1.5 | 2.5 | То же | ||
Чтобы правильно выбрать способ обработки загрязненной оборотной воды, необходимо знать стабильный состав воды по каждому загрязнителю (или по сумме загрязнителей). В общем случае такой состав можно установить на основании мгновенного материального баланса загрязнителей (обычно тех или иных солей при условии, что они не разлагаются и не кристаллизуются):
(1.13)
где dG- - прирост количества соли или другого лимитирующего загрязнителя, или их суммы в течение бесконечно малого времени работы оборотной системы; Со - концентрация соли в воде, добавляемой в систему; С - текущая (мгновенная) в каждый данный момент времени средняя концентрация соли в системе; Qисп - потери воды в единицу времени в оборотной системе на испарение (при этом концентрация соли в системе возрастает); Qун - потери в результате уноса и разбрызгивания; Qпрод - потери воды от продувки (сброса части воды из системы);
количество воды, добавляемой в систему:
.
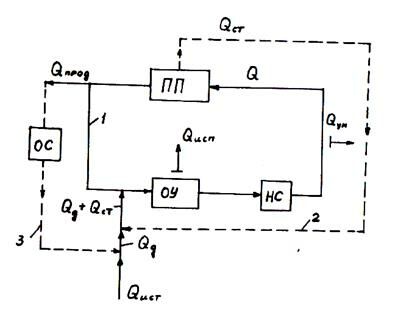
Определение концентрации Со иногда затрудняется тем, что в систему часто добавляют (рис.1.3) не только воду из естественного источника Quст, но и сточные воды Qст, часть продувочных и другие воды, содержащие тот же принятый для расчета загрязнитель. Уравнение (I.I3) представляет собой баланс не только основного цикла I (рис.1.3 показан сплошными линиями) без возврата воды продувки этого цикла, причем Qст=0.
В этом случае Qd = Qист. и Со= Сист-
Количество соли в оборотной системе в любой момент времени составляет
,
где V- объем вода оборотной системы;
,
Q- расход воды в оборотной системе; а - продолжительность так называемого полного оборота воды.

Рис.1.3
ПП - производство; ОУ - охладительные установки; ОС - очистные сооружения; НС - насосная станция; I - основной цикл водооборота с расходом воды Q ; 2 - встречающийся в практике вариант сброса загрязненных сточных вод Qст в оборотную систему; 3 - возможный цикл очистки и возврата воды продувки основного цикла
С учетом этих параметров уравнение (I.I3) можно привести к виду

откуда

Абсолютные величины потерь воды можно заменить относительными величинами (в долях)

| Тогда |
(1.14)
Для решения уравнения (I.I4) константу интегрирования определяют, исходя из граничного условия: С = Со при
. При замыкании системы водопользования изменение концентрации солей описывается уравнением
Люди также интересуются этой лекцией: 9 Становление первых форм теоретического знания в античной культуре.
(1.15)
откуда при 
(1.16)
Таким образом, при известном значении Спр (в соответствии с требованиями к качеству воды) и заданном значении Со можно найти Р3 (а значит, и Qпрод), если рассчитать величины Р1и Р2. Основная задача заключается в том, чтобы довести до нулевого значения величину продувки Р3, правильно выбрав способ обработки (очистки) воды или ее части в оборотной системе.
Анализ уравнения (I.I5) показывает существенную зависимость времени достижения близкого к предельному значению, величины С от показателя a , т.е. от объема воды V, поэтому оборотные системы большого объема позволяют позже, считая от момента замыкания цикла, начинать очистку добавляемой в систему воды. Так называемое среднее время пребывания солей в системе при этом возрастает.
В соответствии с необходимостью повторного или многократного использования воды важное значение имеет умение оценить возможность применения продувочных вод данной оборотной системы в другие производствах, для которых требования к качеству воды понижены. Иногда воду открытого (незамкнутого) использования после соответствующей обработки применяют в замкнутых системах промышленного водопотребления. В частности, очищенные и обезвреженные городские стоки широко применяют в таких системах. Создание замкнутого водоиспользования экономически целесообразно, поскольку вместо двух блоков очистки воды (в системах сточных вод и подгоовки природных вод) можно использовать один.


)
) 


















