Общие сведения о конструкции контактной сети
13. Общие сведения о конструкции контактной сети.
13.1. Виды контактных подвесок.
I. В зависимости от допустимой скорости движения подвески делятся на:
1. простая или трамвайная – не допускает больших скоростей движения из-за большой стрелы провеса: для уменьшения стрелы провеса уменьшают длину пролета, устанавливают чаще опоры. Применяется на второстепенных путях и в искусственных сооружениях (в тоннелях, под арками мостов и т.д.).
2. Цепная, делится на три вида:

Рессорная цепная подвеска допускает скорость движения до 160 км/ч.
II. В зависимости от способа закрепления проводов на анкерных опорах подвески делятся на:
1. Некомпенсированная, когда несущий трос (н.т.) и контактный провод (к.п.) жестко крепятся к опоре. При этом требуется посезонная регулировка натяжения проводов.
2. Полукомпенсированная, когда н.т. крепится жестко к опоре, а к.п. – через компенсатор.
Рекомендуемые материалы

При двухблочном компенсаторе массу груза уменьшают в 2 раза, при трехблочном в 4 раза. Но перемещение груза при этом будет больше.
3. Компенсированная, когда н.т. и к.п. крепятся через компенсатор.
Подбором длин плеч коромысла достигается необходимое соответствие натяжений н.т. и к.п.
В случае гололеда удобнее полукомпенсированная подвеска, т.к. из-за большей массы увеличивается натяжение несущего троса и уменьшается стрела провеса.
При компенсированной подвеске натяжение постоянное и при гололеде стрела провеса увеличивается и ухудшается токосъем.
III. В зависимости от взаимного расположения проводов в плане (вид сверху) подвески делятся на:
|
Вертикальная подвеска. |
Полукосая подвеска |
|
Косая (ветроустойчивая) подвеска |
Ромбовидная подвеска. |
Для равномерного износа накладок полоза токоприемника контактный провод вдоль оси пути располагается зигзагообразно со смещением от оси пути на 300 мм, в кривых участках пути – до 400 мм.
13.2. Анкеровка и секционирование контактной сети.
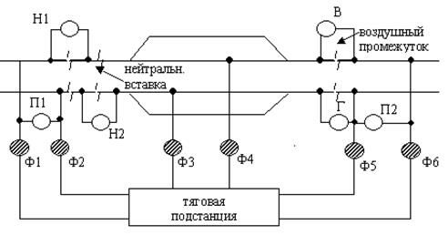
Для удобства монтажа и демонтажа провода контактной сети монтируются в виде отдельных анкерных участков, которые между собой механически не соединяются, а соединяются электрически медными гибкими шунтами. Так как наибольшее число повреждений контактной сети происходит на станциях, то контактная сеть станции выполняется в виде отдельных анкерных участков. Таким образом, контактная сеть получается секционированной. Секционирование выполняется с помощью разъединителей, которые устанавливаются на опорах.
Различают продольное и поперечное секционирование контактной сети. Под продольным секционированием понимается разделение питания контактной сети станции и контактной сети перегонов. Под поперечным секционированием понимается разделение питания контактной сети отдельных путей станции или отдельных путей перегонов. Перед каждой станцией имеется воздушный промежуток. На опорах, ограничивающих воздушный промежуток, имеются черно-белые полосы.

Ф1-Ф6 – фидерные разъединители.
Н1, Н2 – разъединители нейтральных вставок.
П1, П2 – поперечные разъединители.
В, Г – продольные разъединители.
Разъединители могут иметь ручной, электрический приводы (от ДСП или ДСЭ) или телеуправление.
Длина анкерного участка не более 1600 м. Для исключения перетяжки проводов под действием компенсаторов и для облегчения ликвидации повреждения при обрыве контактного провода выполняется средняя анкеровка посредине анкерного участка.
|
Средняя анкеровка при полукомпенсационной контактной подвеске. |
Средняя анкеровка при компенсированной контактной подвеске |
Поворотная консоль на опоре, где выполняется средняя анкеровка, выполняется неподвижной с помощью тросов. А опоры, к которым крепятся эти тросы, анкеруются.
13.3. Опоры контактной сети.
I. По назначению опоры подразделяются на:
1. Анкерные – для закрепления проводов на границах анкерных участков.
2. Промежуточные – для поддержания проводов на анкерных участках.
3. Переходные – для поддержания проводов двух соседних сопрягаемых анкерных участков.
4. Фиксирующие – для фиксации проводов, например, в кривых участках пути. 

Для обеспечения перехода с одного контактного провода на другой над стрелочными переводами устанавливаются ограничительные втулки, длина которых
м, не мешающие перемещению проводов при изменении температуры.
II. По конструкции опоры делятся на:
1. Консольные:

Консольная опора на один путь Консольная опора на два пути
Консольные опоры устанавливаются, в основном, на перегонах. Могут устанавливаться на два пути. Консоли поворотные.
2. Ригельные (ригель – это жесткая поперечина):

Устанавливаются на многопутных перегонах и на станциях с малым путевым развитием.

3.С гибкой поперечиной – гибкая поперечина, это стальной множительный трос.
Устанавливаются на станциях с большим путевым развитием. Могут заменяться ригельными опорами. Но при этом устанавливаются дополнительные опоры поперек путевому развитию.
13.4. Провода контактной сети.
Контактный провод имеет стандартное сечение сложного профиля с двумя продольными пазами для крепления струновых зажимов.
Сечение контактного провода 100 мм 2 на перегонах и на главных путях станции, а на второстепенных путях 85 мм 2. На дорогах постоянного тока – два провода по 100 мм 2. Контактный провод изготавливается из меди холодной протяжкой. Контактные провода могут быть бронзовыми, но у них меньше электропроводность. На второстепенных путях могут устанавливаться сталемедные или сталеалюминевые контактные провода.
Несущий трос должен быть механически прочным (поэтому выполняется многожильным, обычно 19 проволочек) и хорошим проводником тока (поэтому выполняется медным, бронзовым или стальным из оцинкованных проволочек, но цинк быстро утрачивается).
Электрические соединения анкерных участков контактной сети выполняются из мягкой меди.
13.5.Изоляторы.
Подвесные изоляторы используются тарельчатого типа. На постоянном токе их устанавливается по два последовательно, а на переменном токе – не менее трех. Анкерные изоляторы тарельчатого типа собираются при постоянном токе из трех, на переменном токе – из не менее четырех последовательно соединенных изоляторов. Фиксаторные изоляторы на постоянном токе тарельчатого типа собираются из одного или двух последовательно соединенных изоляторов, а на переменном токе устанавливаются изоляторы стержневого типа.
13.6. Рельсовые цепи.
По рельсам проходит тяговый ток, который основное сопротивление встречает в стыках. Сопротивление 1 метра рельсовой цепи со стыком не должно превышать более чем в три раза электрическое сопротивление 1 метра цельного рельса. Для выполнения этого требования между накладками и рельсами засыпают графит или приваривают медные гибкие перемычки сечением не менее 40 мм 2 на переменном токе и не менее 70 мм 2 на постоянном токе. Могут устанавливаться в отверстия рельсов специальные обходные соединения.
Ещё посмотрите лекцию "3.1 Программный продукт PDM STEP Suite" по этой теме.
Для обеспечения работы автоблокировки рельсовая цепь делится на блок-участки изолированными стыками. Для прохождения тягового тока через изолированные стыки применяются различные системы, например, с помощью дросселей.
По половинам катушек дросселя проходят равные тяговые токи, создающие равные встречно-направленные и уничтожающие друг друга магнитные потоки и тяговому току дроссель не оказывает индуктивного сопротивления. А для тока автоблокировки частотой 75 Гц дроссель оказывает большое индуктивное сопротивление и практически через дроссель ток автоблокировки не проходит.
Все металлические конструкции, расположенные на расстоянии менее 5 м от частей контактной подвески обязательно заземляются, например, заземление у каждой опоры присоединяются к рельсам.
Различия в понятии:
Контактная сеть – это воздушная подвеска на опорах.
Тяговая сеть – это контактная сеть, рельсовая цепь, питающие и отсасывающие фидеры.





























