Электрические передачи локомотивов
§14. Электрические передачи локомотивов
Носителем энергии в электрических передачах тепловозов является электрический ток. Напомним, что электрическим током в металлических проводниках называют упорядоченное (направленное) движение свободных электронов под воздействием электрического поля. В качестве энергетических машин, обеспечивающих необходимое преобразование энергии, на автономных локомотивах используются электрические машины (генераторы и двигатели), а также различные преобразователи электрической энергии (выпрямительные установки, инверторы, преобразователи частоты и др.).
ВИДЫ ЭЛЕКТРИЧЕСКИХ ПЕРЕДАЧ
На автономных локомотивах (тепловозах, газотурбовозах, паротурбовозах и др.) применяют три вида электрических передач: постоянного, переменно-постоянного и переменного тока.
Электрическая передача постоянного тока (рис. 48,а) состоит из тягового генератора (Г) и тяговых электродвигателей (ТЭД), которые выполнены в виде коллекторных машин постоянного тока. Это, пожалуй, самый простой вид тепловозной электрической передачи. К ее достоинствам следует также отнести: простоту компоновки на тепловозе и регулирования, высокий кпд, отсутствие жесткой кинематической связи между валом дизеля и колесными парами. Нужно отметить, что в силовую цепь тепловоза (дизель — электрическая передача — колесные пары) помимо тяговых электрических машин включены элементы механической связи (муфты, редукторы и др.). Например, якорь тягового генератора связан с коленчатым валом дизеля тепловоза посредством эластичной муфты М (см. рис. 48), а механическая энергия от якорей ТЭД передается на оси колесных пар локомотива посредством тяговых редукторов, каждый из которых состоит из пары цилиндрических зубчатых колес.
К числу основных недостатков электрических передач этого вида можно отнести: большой вес и расход цветных металлов на изготовление (прежде всего, электротехнической меди) и, как следствие, ограничения по передаваемой мощности из-за весогабаритных показателей; заметное снижение надежности работы тяговых генераторов постоянного тока при увеличении секционной мощности тепловоза.
Экспериментальным путем установлено, что надежная работа коллекторно-щеточного узла тягового генератора ограничена величиной Р∙n ≤ 2,5∙106, где Р — номинальная мощность тягового генератора, кВт; n — номинальная частота вращения вала дизеля, об/мин. Например, для тепловозов с электрической передачей постоянного тока, оборудованных дизелями типа Д49 (сегодня это практически единственный тип отечественного серийного тепловозного дизеля) с номинальной частотой вращения вала 1000 об/мин, предельная мощность, передаваемая через тяговый генератор, составляет 2500 кВт. По этой причине такой вид электрической передачи применяется на тепловозах с секционной мощностью до 2200 кВт (3000 л.с.) — М62, 2М62У, ТЭ3, ТЭМ2, ТЭМ6, ТЭП60, 2ТЭ10Л (В, М, У, С).
Электрические передачи переменно-постоянного тока (рис. 48 ,б) получили широкое распространение в нашей стране в 70-е годы XX в., когда особо актуальной проблемой стало повышение веса грузовых поездов и, соответственно, секционной мощности тепловозов.
Рекомендуемые материалы
Развитию такого вида тяговой передачи также способствовало создание надежной отечественной полупроводниковой техники. Следует особо подчеркнуть, что на сегодняшний день электрическая передача переменно-постоянного тока является наиболее распространенным в мире видом тяговой передачи магистральных тепловозов.
В такой передаче используются тяговый генератор СГ, который выполнен в виде синхронного генератора переменного тока, и тяговые электродвигатели ТЭД постоянного тока. Для преобразования вырабатываемого генератором переменного тока (частотой порядка 100 Гц) в постоянный между трехфазным СГ и ТЭД в силовую цепь передачи включена выпрямительная установка ВУ.

Рис. 48. Структурные схемы тепловозных электрических передач постоянного тока (а), переменно-постоянного тока (б) и переменного тока (в):
Г — тяговый генератор постоянного тока; СГ — тяговый генератор переменного тока; ТЭД — тяговые электродвигатели постоянного тока; ТАД — асинхронные тяговые электродвигатели переменного тока; ВУ — выпрямительная установка; ПЧ — статический преобразователь частоты
Применение в тяговой передаче электрической машины СГ позволило конструкторам тепловозов решить главную задачу — снять ограничение по мощности тяговых генераторов и, как следствие, значительно повысить секционную мощность магистральных локомотивов. Особо следует отметить, что масса синхронного генератора почти в два раза меньше массы генератора постоянного тока при одинаковых частоте вращения и передаваемой мощности. Необходимо также учесть и то обстоятельство, что в машинах переменного тока отсутствует коллектор. Как следствие, надежность генераторов переменного тока значительно выше машин постоянного тока. При этом заметно уменьшается расход электротехнической меди на их изготовление, дешевле обслуживание и ремонт.
К недостаткам электрических передач переменно-постоянного тока можно отнести следующие: из-за включения в силовую цепь дополнительного узла — выпрямительной установки ВУ — несколько снижается общий кпд передачи, тяговые двигатели ТЭД тепловоза остаются машинами постоянного тока со всеми недостатками (большой вес, ограничение по мощности, низкая надежность коллекторно-щеточного узла и др.).
В настоящее время такими передачами оборудованы магистральные тепловозы мощностью 2200 —4400 кВт —2ТЭ116, 2ТЭ121, ТЭП70, 2ТЭ70, ТЭП70БС, ТЭП80, 2ТЭ25К и восьмиосные маневрово-вывозные тепловозы ТЭМ7 мощностью 1470 кВт.
Электрические передачи переменного тока относятся к числу перспективных типов тяговых передач тепловозов. Такой вид передачи (рис. 48 ,в) состоит из синхронного тягового генератора переменного тока СГ и асинхронных короткозамкнутых тяговых электродвигателей переменного тока ТАД.
Для регулирования частоты вращения ротора ТАД (и скорости движения локомотива) требуется одновременное изменение питающего напряжения и частоты переменного тока. Поэтому в силовую цепь передачи переменного тока включают преобразователь частоты ПЧ, который, в свою очередь, состоит из выпрямительной установки и автономного инвертора тока.
Асинхронные тяговые электродвигатели переменного тока ТАД имеют заметные преимущества перед электрическими машинами постоянного тока ТЭД. К числу достоинств ТДЦ можно отнести следующие: простота устройства, высокая надежность, жесткая естественная характеристика, уменьшение веса и расхода меди, снижение затрат на техническое обслуживание и ремонт, что делает электрическую передачу переменного тока перспективной для тепловозов. По крайней мере, на сегодня очевидна эффективность применения таких передач на отечественных четырехосных маневровых тепловозах с приемлемыми нагрузками от оси на рельсы.
К числу недостатков электрической передачи переменного тока относятся: недостаточная эксплуатационная надежность электронной части передачи (преобразователей частоты), высокая стоимость и проблемы, связанные с организацией технического обслуживания и ремонта сложных электронных устройств в условиях депо.
В нашей стране такой вид передачи применен на опытных тепловозах ВМЭ1, ТЭ120, ТЭМ21 и 2ТЭ25А.
ТЯГОВЫЕ ЭЛЕКТРИЧЕСКИЕ МАШИНЫ
Как отмечалось выше, тяговые электрические машины (генераторы и электродвигатели) являются основными энергетическими узлами любого вида электрических передач тепловозов. Электрические генераторы преобразуют механическую энергию в электрическую. Это означает, что для нормального функционирования тягового генератора необходимо вращать его вал (якорь) с помощью какого-либо двигателя, например, дизеля тепловоза, т.е. подвести механическую энергию вращения. Электрические двигатели, наоборот, предназначены для преобразования электрической энергии в механическую, т.е. для их работы нужен источник электрической энергии (генератор, аккумуляторная батарея и др.).
Известно, что любая электрическая машина постоянного тока обладает свойством обратимости, т.е. без изменения конструкции она способна работать как в генераторном, так и в двигательном режимах. Однако конструкции реальных тяговых генераторов и тяговых электродвигателей тепловозов заметно отличаются друг от друга из-за серьезных различий в условиях их эксплуатации и по мощности.
История развития электрических машин. Как отмечалось ранее, применение на локомотивах электрических передач и электрического привода колесных пар стало возможным после изобретения электрических машин. В 1866 г. немецкий электротехник Вернер Сименс (кстати, основатель современной могучей электротехнической корпорации «Сименс») разработал идею динамомашины постоянного тока, которая, как мы знаем, обратима, т.е. может работать и в качестве генератора, и в качестве двигателя. Конструкции такой машины в то же время создавались и другими изобретателями.
В 1877 г. бельгийский физик Зеноб Грамм (1826 — 1901 гг.) изобрел генератор переменного тока, а несколько позже, в 1878 г., великий американский изобретатель Томас Эдисон создал свои конструкции генераторов. В 1889 г. российский электротехник М.О. Доливо-Добровольский разработал первый в мире трехфазный асинхронный двигатель.
Распространение подобных изобретений сделало возможным промышленное производство электрической энергии, а железнодорожный транспорт со временем стал одним из ее основных потребителей.
Первый пример электрической тяги на рельсах показал в 1879 г. В. Сименс. На промышленной выставке в Берлине для посетителей был сделан своеобразный аттракцион — по рельсовому пути длиной 270 м курсировал маленький локомотив (с мощностью мотора чуть больше 2 кВт), который вез за собой пять вагонеток с лавками для пассажиров — посетителей выставки. Этот локомотив получал питание напряжением 150 В от специального третьего рельса.
Впервые в мире электрическая тяга была применена в 1895 г. на магистральной железной дороге между городами Балтимор — Огайо (США) протяженностью 115 км. Электрическая энергия постоянного тока напряжением 650 В подводилась к магистральным электровозам так же, как и на экскурсионной дороге В. Сименса — с помощью третьего рельса. И лишь в 20-е годы прошлого века во Франции и ряде других стран для электроснабжения электровозов стали применять подвесные контактные сети сначала напряжением 1200 и 1500 В, а затем стандартным напряжением 3000 В.
Следует отметить, что до появления электрической тяги на железных дорогах в 1893 г. во Франции был построен опытный паровоз с электрической передачей, на котором тяговый генератор имел привод от паровой машины. Конструкция паровоза оказалась очень сложной при крайне низком кпд силовой установки и, как следствие, дальнейшее развитие такие конструкции автономных локомотивов не получили.
Первые тепловозы с электрической передачей, как уже отмечалось ранее, были построены в 1924 г. в нашей стране по проектам русских ученых Ю.В. Ломоносова и Я.М. Гаккеля, а на электрическую тягу постоянного тока в 1929 г. первым в СССР г. был переведен участок магистральных железных дорог Москва — Мытищи протяженностью 17,7 км.
Принцип действия генератора постоянного тока. Принцип действия любой электрической машины основан на использовании явлений электромагнитной индукции и возникновения электромагнитных сил при взаимодействии проводников с током и магнитного поля.

Рис. 49. Индуктирование э.д.с. в проводнике при перемещении его в магнитном поле
Физическая природа этих явлений заключается в следующем. Допустим, с помощью двух постоянных магнитов с разноименными полюсами (С — северный, Ю — южный), расположенных параллельно по отношению друг к другу, создадим магнитное поле (рис. 49). Как известно из школьного курса физики, магнитное поле, образованное в зазоре между постоянными магнитами, графически изображают магнитными силовыми линиями, которые выходят из полюса С и входят в южный полюс Ю. Интенсивность магнитного поля, т.е. способность производить работу, определяется величиной, называемой магнитной индукцией В. Другими словами, величину В можно характеризовать числом силовых линий, проходящих через единицу площади (м2 или см2). Общее число силовых линий определяется величиной, называемой магнитным потоком Ф. Обе эти величины связаны равенством Ф = В∙S, где S — площадь сечения магнитного поля.
Если в магнитном поле (потоке) Ф под действием внешней силы F перемещать проводник П со скоростью V, то при пересечении магнитных силовых линий в проводнике П возникнет (индуктируется) электродвижущая сила Е (э.д.с.).
Величина индуктируемой в проводнике П э.д.с. Е определяется законом электромагнитной индукции (законом Фарадея*) и зависит от индукции В, скорости V перемещения проводника и его длины l, т.е. Е = В∙V∙l. Теперь, если движущийся проводник П включить в замкнутую электрическую цепь с потребителем энергии (например, с электрической лампочкой, обладающей сопротивлением Rл), то по цепи будет протекать электрический ток I, о чем свидетельствует горящая лампочка (см. рис. 49).
Направление индуктированной э.д.с. Е и тока I принято определять с помощью правила правой руки (см. рис. 49): если ладонь правой руки держать так, чтобы в нее входили магнитные силовые линии поля, а отогнутый большой палец указывал направление движения проводника (действия силы F), то вытянутые четыре пальца укажут направления действия э.д.с. Е и движения тока I в проводнике.
Таким образом, в результате принудительного (под действием внешней силы F) перемещения проводника П в магнитном поле Ф на расстояние L (при соблюдении условия обязательного пересечения магнитных линий) происходит преобразование механической энергии перемещения в электрическую, собственно то, что и делает электрическую машину генератором.
* английский ученый-физик Майкл Фарадей (1791 — 1867 гг.) является основоположником учения о магнитном поле, открыл явление индукции и многие другие законы электротехники
Правда, с одной оговоркой — в электрической машине очень сложно осуществить непрерывное поступательное движение проводника в течение длительного времени. При этом на выходе дизеля тепловоза мы получаем механическую энергию вращения коленчатого вала. Другими словами, для получения электрической энергии более эффективным является вращательное движение проводника в магнитном поле, нежели поступательное, приведенное на рис. 49.
Простейшим электрическим генератором является проводник 1, выполненный в виде рамки из медной проволоки, укрепленный на оси и вращающийся в магнитном поле, создаваемом постоянными магнитами С и Ю (рис. 50). Вращение рамки обеспечивается посторонним источником механической энергии, например, двигателем Д, вал которого создает вращающий момент Ме.
При принудительном вращении рамки с частотой n ее стороны (фактически два проводника) будут пересекать магнитные силовые линии магнитного потока Ф и, в соответствии с законом Фарадея, в каждом проводнике индуктируется э.д.с. При принятом на рис. 50 направлении вращения рамки (против часовой стрелки) э.д.с. Е в проводнике, расположенном под южным полюсом Ю, в соответствии с правилом правой руки, направлена от нас, а э.д.с. Е в проводнике под северным полюсом С — к нам. Если подключить к вращающейся рамке 1 потребитель энергии (электрическую лампочку Rл), то по замкнутой цепи пойдет электрический ток I, направление которого будет совпадать с действием э.д.с. Е.
Итак, сформулируем два условия, при выполнении которых электрическая машина способна работать в генераторном режиме, т.е. быть электрическим генератором:
- необходимо обеспечить создание магнитного потока Ф (постоянными магнитами или другими устройствами);
- нужно приложить к рамке внешний вращающий момент Ме (механическую энергию), например, от вала дизеля, величина которого должна быть достаточной для ее вращения и пересечения магнитных линий магнитного поля.
При рассмотрении принципа работы простейшего электрического генератора у читателя может возникнуть ряд вопросов. Например, каким образом соединить вращающуюся рамку и неподвижный потребитель электрической энергии (в данном случае электрическую лампочку)? Или как обеспечить то, чтобы генератор вырабатывал постоянный ток? Ведь при повороте рамки на 1/2 оборота (180°) ее проводники поменяются местами и будут находиться под полюсами обратной полярности, соответственно, дважды за каждый оборот рамки меняются направления э.д.с. Е и тока I. Другими словами, этот простейший генератор будет вырабатывать лишь ток переменного направления.

Рис.50. Схема устройства простейшего генератора постоянного тока:
1 — рамка (виток); 2 — коллектор; 3,4 — щетки; С, Ю — постоянные магниты; Д — двигатель
Для решения этих вопросов в конструкцию генераторов постоянного тока включены специальные устройства — коллектор и щеточный аппарат. Простейшим коллектором могут быть две изолированные друг от друга половинки (полукольца) 2 одного кольца, которые соединены с проводниками рамки и вращаются вместе с ней (см. рис. 50). На оба полукольца опираются неподвижные контакты 3 и 4 (щетки), к которым уже, в свою очередь, присоединяется электрическая цепь потребителя (в данном случае электролампочка).
Следует обратить внимание на то, что с верхней щеткой 3 всегда соединен проводник рамки, в котором направление действия э.д.с. Е и тока I направлены к нам, а с нижней 4 — проводник, в котором направление действия э.д.с. направлено от нас. Этим достигается постоянство направления приложенного к нагрузке напряжения и постоянный по направлению, хотя и пульсирующий (изменяющийся по величине), ток I. Другими словами, это устройство (два полукольца и щетки) является простейшим выпрямителем и предназначено для преобразования переменного (по направлению) тока в постоянный. Как отмечалось выше, в конструкциях реальных генераторов постоянного тока данные устройства называются коллектором и щеточным аппаратом.
Увеличивая число рамок (витков) якоря генератора и, соответственно, изолированных друг от друга коллекторных пластин (вместо полуколец), можно сделать пульсации (изменение величины) э.д.с. и тока очень малыми. Например, если составить коллектор из 20 коллекторных пластин, колебания величины э.д.с. уже не превысят 1 % от его среднего значения. В этом случае ток поступает к потребителю электрической энергии практически постоянным не только по направлению, но и по величине.
И еще один вопрос, достаточно важный для понимания принципа работы генератора: на преодоление каких сил сопротивления затрачивается механическая энергия, например, тепловозного дизеля, подводимая к якорю генератора и обеспечивающая его вращение в магнитном поле?
При работе тепловоза к якорю тягового генератора постоянного тока от коленчатого вала дизеля поступает мощность 2000 кВт и более. На что же расходуется такая огромная мощность при преобразовании в генераторе механической энергии в электрическую? Из школьного курса физики известно, что если поместить в магнитном поле проводник (или рамку) с током, то неизбежно возникает электромагнитная сила F, стремящаяся вытолкнуть проводник из магнитного поля, величина которой определяется законом Ампера*.
Направление действия силы F определяют по правилу левой руки: если ладонь левой руки держать так, чтобы в нее входили магнитные силовые линии, а четыре вытянутых пальца совпадали с направлением тока, то отогнутый большой палец укажет направление действия электромагнитной силы F.
При указанном на рис. 50 направлении тока, согласно правилу левой руки, на проводник, расположенный под южным полюсом, будет действовать сила F, направленная влево, а на проводник, расположенный под северным полюсом — сила F направлена вправо. Эти две силы, показанные на рис. 50 штриховыми линиями, создают так называемый электромагнитный момент М, действие которого направлено в сторону, противоположную направлению вращения рамки, т.е. по часовой стрелке. Другими словами, величина электромагнитного момента М, создаваемая при взаимодействии магнитного поля и проводников (рамки) с током, является тормозным моментом, т.е. моментом сопротивления вращению якоря генератора, на преодоление которого и расходуется механическая энергия и мощность дизеля тепловоза величиной в тысячи киловатт.
Таким образом, для обеспечения нормальной работы электрической машины в генераторном режиме величина внешнего момента, например, момента на валу дизеля Ме, обеспечивающая вращение якоря в магнитном поле, должна превосходить величину электромагнитного момента М, т.е. для генератора всегда имеет место равенство Ме = М + Мтр, где Мтр — суммарный момент на преодоление сил сопротивления в подшипниковых узлах, щеточном аппарате генератора и ряда других потерь.
Магнитная система тягового генератора. Постоянные магниты, представленные на рис. 49 и 50 в качестве источника магнитного поля Ф, применяют лишь в конструкциях генераторов малой мощности. В тяговых генераторах тепловозов для создания магнитного поля применяют специальные катушки, изготовленные из изолированного медного провода или шинной меди, которые размещают на стальных сердечниках полюсов. Применение катушек (обмоток) вместо постоянных магнитов позволяет получать более сильные магнитные поля Ф и, как следствие, строить электрические машины большой мощности.
* французский ученый Андре Мари Ампер (1775 — 1836 гг.) является основоположником электродинамики
Если по катушке пропустить ток, так называемый ток возбуждения, то создается магнитное поле, направление которого определяют правилом буравчика: если мысленно ввинчивать буравчик в провод по направлению движения тока по катушке, то направление вращения его рукоятки будет совпадать с направлением силовых линий магнитного поля. Магнитодвижущая сила этого поля равна произведению силы тока I на число витков катушки W. Чем больше число витков катушки, тем сильнее магнитное поле Ф.
На рис. 51 показана схема магнитной системы и направление действия магнитного поля в тяговом генераторе тепловоза. Магнитный поток Ф создается током возбуждения, протекающим по катушкам 1 (обмоткам возбуждения) расположенным на сердечниках 2 полюсов. Направления движения токов в катушках полюсов выбраны так, чтобы два полюса, расположенные на станине 6 друг против друга (так называемая пара полюсов), имели разную полярность С и Ю.
На электрических схемах направления движения тока по обмоткам катушек принято обозначать специальными символами: × — движение от нас; • — к нам. Таким образом, катушка, обтекаемая током, вместе с сердечником полюса представляют собою искусственный электрический магнит, который можно при необходимости включить в работу или выключить, предварительно обесточив обмотку возбуждения.
Магнитный поток Ф, создаваемый катушками возбуждения 1, проходит через сердечники 2 полюсов, якорь 4 с обмотками 5, воздушные зазоры 3 между неподвижными полюсами и вращающимся якорем, замыкается через остов (станину) 6 генератора, что и составляет магнитную систему тягового генератора постоянного тока.
Сердечник 4 якоря обычно собирают из тонких стальных листов толщиной 0,5 мм, выполненных в виде сегментов, т.е. наружная поверхность якоря имеет зубчатую форму. В пазы якоря, располагающиеся между зубцами, укладывают обмотку 5 якоря генератора, которую выполняют из медных стержней прямоугольного сечения 2,83 × 5,5 мм2. Все стержни (около 1000 штук) обмотки соединены определенным образом. В целом, обмотка якоря состоит из секций, каждая из которых имеет несколько витков. Концы секций припаивают к соответствующим коллекторным пластинам. Такая обмотка якоря тягового генератора называется петлевой, двухходовой. После укладки обмотки в пазы якоря ее пропитывают в изоляционном лаке, затем сушат для обеспечения монолитной конструкции якорь — обмотка.
Особенности устройства тепловозных генераторов постоянного тока. По конструкции, характеристикам и режимам работы тяговые генераторы существенно отличаются от электрических машин общего назначения.
Основными частями тяговых генераторов тепловозов являются: остов 6 (неподвижная часть), полюсы 2 с катушками 1, якорь 4 с обмоткой 5 и щеточный аппарат (см. рис. 51).
Остовы (станины) тяговых генераторов тепловозов имеют цилиндрическую форму, их отливают из стали с малым содержанием углерода и обладающей высокой магнитной проницаемостью. На остове обычно крепятся полюсы с катушками, и он является частью магнитной системы генератора. В боковых крышках остова размещаются подшипниковые узлы (якорные подшипники).

Рис. 51. Схема магнитной цепи тягового генератора постоянного тока:
1 — обмотка возбуждения; 2 — сердечник полюса; 3 — воздушный зазор; 4 — сердечник якоря; 5 — обмотка якоря; 6 — остов (станина) генератора
Полюсы с катушками тяговых генераторов подразделяются на основные и добавочные. Сердечники главных полюсов, на которых расположены обмотки возбуждения, изготовлены из отдельных стальных листов толщиной примерно 1 мм. Этим достигается уменьшение потерь на вихревые токи и увеличение магнитной проницаемости главных полюсов генератора. Число главных полюсов может быть разным, например, в тяговом генераторе тепловоза 2ТЭ10В их 10. Основное назначение главных полюсов — вместе с катушками возбуждения создавать в машине магнитный поток Ф.
Добавочные полюсы, число которых обычно равно главным, изготавливают из толстолистового проката в виде монолитной конструкции. Они установлены между главными полюсами. По размерам эти полюсы меньше главных, на каждом дополнительном полюсе также установлена катушка с шестью витками шинной меди сечением 16×25 мм2. Назначение дополнительных полюсов вместе с катушками — свести к минимуму искрение на якоре электрической машины.
Катушки дополнительных полюсов так же, как и главных полюсов, соединяют последовательно.
Якорь генератора постоянного тока состоит из сердечника, обмотки, коллектора и вала. Как отмечалось ранее, сердечник якоря собран из листов электротехнической стали, выполненных в виде сегментов. Листы сердечника изолированы друг от друга, чем обеспечивается уменьшение потерь от вихревых токов. Листы сердечника собирают в общий пакет, который в закрепленном виде насаживают на так называемый укороченный вал якоря. Обмотка якоря состоит из отдельных якорных катушек, которые укладывают в пазы якоря (см. рис. 51), предварительно тщательно изолировав друг от друга.
Якорь генератора с помощью специальной пластинчатой муфты соединен с коленчатым валом дизеля. При работе дизеля, т.е. при вращении якоря генератора, под действием центробежных сил обмотка якоря может выпасть из пазов якоря. Чтобы предупредить выпадение обмотки, ее закрепляют изоляционными клиньями, а также проволочными или стеклобандажами.
Коллектор служит для выпрямления переменного тока в постоянный и съема электрического тока. Обычно он выполняется из большого числа отдельных пластин, которые изолированы друг от друга с помощью миканитовых прокладок толщиной 1 мм. Выступающую часть коллекторных пластин, в которую впаиваются выводы катушек обмотки якоря, называют петушками.
Для обеспечения надежного токосъема коллекторы тяговых генераторов тепловозов изготавливают из легированной меди с высокой степенью точности расположения пластин по окружности и вдоль оси якоря. Необходимо отметить, что коллектор является самым сложным по устройству и, соответственно, наименее надежным в эксплуатации узлом тягового генератора.
Основными деталями щеточного аппарата являются электрографитовые щетки, с помощью которых электрическая энергия от вращающегося коллектора тягового генератора передается ее потребителю — на тепловозе это тяговые электродвигатели.
Щетки устанавливают в специальные обоймы, называемыми щеткодержателями. Рабочую поверхность щеток (место токосъема) тщательно притирают к поверхности коллектора. Щеткодержатели обеспечивают постоянное прижатие щеток к коллектору, чем достигается надежный токосъем и предотвращается искрение щеток. Общее количество щеток на одном тяговом генераторе тепловоза составляет 18, по две на один щеткодержатель.
Кроме описанных выше, в конструкциях тяговых генераторов постоянного тока имеется ряд других элементов: подшипниковые узлы с якорными подшипниками, подшипниковые щиты, охлаждающие и смазочные устройства и т.д.
О принципах работы и особенностях устройства тяговых электрических машин переменного тока будет рассказано в следующем разделе.
ТЯГОВЫЙ ГЕНЕРАТОР ПЕРЕМЕННОГО ТОКА
На современных магистральных тепловозах многих стран мира применяют преимущественно тяговые генераторы переменного тока, которые преобразуют механическую энергию дизеля в переменный ток.
Переменным называют ток, который, в отличие от постоянного, каждое мгновение изменяет свое значение и периодически — направление. Промежуток времени, в течение которого совершается полный цикл изменений величины электродвижущей силы (э.д.с.) Е и силы тока I, называется периодом Т.
Как известно, все электростанции России вырабатывают переменный ток стандартной частоты 50 Гц. Это означает, что за одну секунду происходит 50 полных циклов изменения параметров тока стандартной частоты.
Переменный ток имеет заметные преимущества перед постоянным: его легко трансформировать (менять напряжение) с помощью простейших устройств — неподвижных трансформаторов. Электрические машины переменного тока более надежны в эксплуатации и дешевле при изготовлении.
Принцип получения переменного тока. Простейшим генератором переменного тока (рис. 52) является рамка (виток) 1 из медной проволоки, которая вращается под действием внешнего момента Ме в магнитном поле Ф, создаваемом постоянными магнитами С и Ю. В принципах работы генераторов переменного и постоянного токов много общего. При пересечении рамкой 1 магнитных силовых линий в ней, в соответствии с законом Фарадея, индуктируется э.д.с. Е, направление которой определяется правилом правой руки. При протекании по рамке 1 тока на проводники П начинают действовать электромагнитные силы, величина которых определяется законом Ампера, а направление действия — правилом левой руки.

Рис. 52. Схема устройства простейшего генератора переменного тока:
1 — рамка (виток); 2 — контактные кольца; 3 — щетки; С, Ю — постоянные магниты; Д — двигатель
При указанном на рис. 52 направлении тока согласно правилу левой руки на проводник П, расположенный под южным полюсом Ю, будет действовать сила, направленная влево, а на проводник, расположенный под северным полюсом, — действие силы направлено вправо. Эти две силы создают так называемый электромагнитный момент М, действие которого направлено в сторону, противоположную направлению вращения рамки, т.е. по часовой стрелке.
Таким образом, для обеспечения нормальной работы электрической машины переменного тока в генераторном режиме величина внешнего момента, например, момента на валу дизеля Ме, должна превосходить величину электромагнитного момента М, т.е. для генератора всегда имеет место неравенство Ме > М.
При вращении рамки каждые 1/2 оборота ее проводники П меняются местами и находятся под полюсами обратной полярности, в результате чего в рамке индуктируется э.д.с. Е и ток I, периодически изменяющие направление. Наибольшие значения величины Е и I достигают дважды за каждый оборот рамки в те моменты, когда виток (рамка) находится в вертикальном положении относительно действия магнитного потока Ф, а его активные проводники П пересекают наибольшее количество магнитных силовых линий. Именно в этом положении показан виток 1 на рис. 52.
При дальнейшем повороте рамки против часовой стрелки э.д.с. Е и ток I по синусоиде плавно уменьшаются, и когда виток занимает горизонтальное положение в магнитном поле, ее проводники П как бы скользят вдоль магнитных силовых линий и в них не индуктируется э.д.с., т.е. I = 0. После поворота рамки на 180° ее проводники П поменяются местами и, в соответствии с правилом правой руки, в каждом из них э.д.с. и ток изменят свое направление. Дальнейшие изменения этих величин будут происходить по синусоиде.
Принципиальным конструктивным отличием простейшего генератора переменного тока является то, что концы каждого из проводников П рамки соединены с двумя контактными кольцами 2, которые вращаются вместе с рамкой 1. По поверхности контактных колец 2 скользят неподвижные щетки 3, соединяющие рамку с помощью замкнутой электрической цепи с потребителем энергии — лампочкой сопротивлением Rл. Следовательно, в генераторе переменного тока, в отличие от машины постоянного тока, отпала необходимость в коллекторе, и он заменен контактными кольцами 2.
Частота переменного тока f, вырабатываемая генератором, прямо пропорциональна частоте вращения его якоря n и числу пар полюсов 2р его магнитной системы, т.е. f = 2рn. Чем быстрее вращается коленчатый вал дизеля и, соответственно, якорь тягового генератора, тем больше частота f переменного тока.
Как отмечалось ранее, в генераторах большой мощности вместо постоянных магнитов используются полюсы с катушками (обмотками) возбуждения. Электрическая мощность, потребляемая обмотками возбуждения электрических машин, невелика и составляет чуть больше 1% номинальной мощности генератора. Поэтому тяговые генераторы тепловозов устроены не так, как простейший генератор переменного тока: у них вращаются обмотки возбуждения, а обмотки, в которых индуктируется э.д.с., размещают на неподвижной станине.
Напомним, что одним из основных условий индуктирования э.д.с. в любом генераторе является пересечение проводниками П магнитных силовых линий. При этом абсолютно не принципиально, что вращаются проводники (витки) или полюса с обмотками возбуждения.
Такое устройство генератора переменного тока с вращающимися обмотками возбуждения позволяет существенно упростить конструкцию и повысить надежность работы щеточного аппарата, а также уменьшить размеры (и массу) контактных колец, так как значения силы тока и напряжения примерно в 100 раз меньше по сравнению с коллекторно-щеточным узлом генератора постоянного тока при одинаковой мощности электрических машин.
И еще одно важное обстоятельство: раз преобразование механической энергии в электрическую происходит в неподвижной части тягового генератора, то внешнюю электрическую цепь, соединяющую тяговый генератор с потребителем энергии (например, ТЭД), можно просто закрепить на станине генератора с помощью контактных болтов. При этом надо учитывать, что по силовой (внешней) электрической цепи передачи тепловоза передаются большие (в тысячи киловатт) электрические мощности. Как следствие, успешно решаются проблемы искрения в силовой цепи и самой электрической машине и повышается надежность передачи в целом.
Схема магнитной цепи генератора переменного тока показана на рис. 53. На внутренней поверхности статора 1 (неподвижной части машины) по окружности в пазах 3 расположены проводники 2, каждая пара которых образует виток. Принципиальным является то обстоятельство, что витки (на рис. 53 показаны три витка) по отношению друг к другу расположены на одинаковом расстоянии по окружности внутренней поверхности статора 1, т.е. под постоянным углом α. У генераторов переменного тока виток принято называть фазой.
В реальных тепловозных генераторах в каждую фазу включают несколько витков, которые размещают в соседних пазах статора. Например, у тягового генератора типа ГС-501А тепловоза 2ТЭ116 в одной фазе имеются 12 витков, размещенных в 24 пазах, при общем числе пазов статора 144. Таким образом, тяговый генератор ГС-501А имеет как бы шесть фаз. Начало фазы в электротехнике, в соответствии с принятыми стандартами, принято обозначать заглавными буквами начала латинского алфавита (А, В, С...), а конец фазы — заглавными буквами окончания того же алфавита (X, Y, Z), соответственно.

Рис. 53. Схема магнитной цепи трехфазного генератора переменного тока:
1 — статор; 2 — активные проводники обмотки статора; 3 — пазы статора; 4 — вал ротора; 5 — ротор; 6 — обмотка возбуждения; 7 — щетки; 8 — контактные кольца
Схема трехфазного генератора переменного тока (такие используются в промышленности) с фазами А-Х, В-Y, С-Z, оси которых сдвинуты одна относительно другой на угол α = 120° (360° : 3), в качестве примера показана на рис. 53. Направления токов в обмотках фаз генератора обозначены точками (к нам) и крестиками (от нас).
Надо отметить, что любая из фазных обмоток генератора трехфазного тока является самостоятельным источником электрической энергии, к которому в принципе можно подключить отдельный потребитель электрической энергии. На практике фазовые обмотки генераторов переменного тока соединяют между собой по схемам «звезда» или «треугольник». В тяговых генераторах тепловозов обычно используют схему соединения фаз «звезда», когда концы X, Y, Z. его трех обмоток соединяют в общий узел.
На валу 4 генератора переменного тока, соединенном посредством муфты с источником механической энергии (например, валом дизеля), прикреплен ротор 5, выполненный в виде сердечника полюса с обмоткой возбуждения 6. В реальных конструкциях тяговых генераторов тепловозов число таких вращающихся полюсов несколько и они объединены в ротор. Концы обмотки возбуждения подключены к вращающимся контактным кольцам 8, к которым прижаты неподвижные щетки 7. Ток возбуждения IВ (постоянный ток) от источника электрической энергии через щетки 7 и кольца 8 поступает в обмотки возбуждения, в результате в магнитной системе генератора создается вращающееся магнитное поле Ф.
При вращении ротора и наличии постоянного тока возбуждения в обмотке возбуждения, силовые линии вращающегося магнитного потока Ф будут пересекать неподвижные витки (фазы) обмоток, размещенных в пазах статора. В последних будут индуктироваться синусоидальные переменные э.д.с. Е одной и той же частоты f, но сдвинутые по фазе на 120°. При этом магнитная индукция В магнитного поля распределяется вдоль окружности внутренней поверхности статора и ротора по закону, близкому к синусоидальному. Направление действия магнитного потока по магнитной цепи трехфазного генератора переменного тока на рис. 53 показано стрелками.
Заметим, что ротор тепловозных тяговых генераторов обычно состоит из 12 полюсов (шесть пар полюсов), причем, каждый со своими обмотками возбуждения. Тем самым на тепловозе обеспечивается получение переменного тока заданной частоты f и уменьшение пульсации выпрямленного напряжения. Например, для тепловозов с дизелями типа Д49, имеющими частоту вращения коленчатого вала на номинальном режиме работы nе = 1000 об/мин, частота переменного тока, вырабатываемого генератором, равна f = 1000·6/60 = 100 Гц.
Особенности устройства синхронного тягового генератора. Рассмотрим особенности устройства синхронного тягового генератора ГС-501А (рис. 54), установленного на тепловозе 2ТЭ116. Отметим, что синхронными генераторами обычно называют машины переменного тока, обеспечивающие преобразование механической энергии в электрическую при постоянной частоте вращения вала ротора. Как отмечалось ранее, одним из свойств тепловозного дизеля является следующее: при постоянной цикловой подаче топлива в цилиндры его коленчатый вал вращается с постоянной частотой nе, что обеспечивает синхронный привод ротора генератора.

Рис. 54. Синхронный тяговый генератор ГС-501А переменного тока:
1 — вал ротора; 2 — подшипник ротора; 3 — контактные кольца; 4 — щеткодержатель со щеткой; 5 — корпус ротора; 6 — магнитопровод ротора; 7 — подшипниковый щит; 8 — станина статора; 9 — сердечник полюса статора; 10 — обмотка статора; 11 — воздухоприемный патрубок; 12 —фланец
Станина статора 8 (см. рис. 54) имеет форму цилиндра, изготовлена сваркой из стального листа. На станине 8 закреплен сердечник 9 с пазами, собранный из листов электротехнической стали толщиной 0,5 мм. В пазы сердечника 9 уложена двухслойная обмотка 10 статора, выполненная из медного провода сечением 2,1 x 9,3 мм2. Необходимо подчеркнуть, что тяговый генератор тепловоза 2ТЭ116 имеет на статоре две независимые трехфазные обмотки. Увеличение числа трехфазных обмоток позволяет существенно снизить величину пульсации напряжения электрического тока после его выпрямления в специальных выпрямительных установках ВУ. К фазам подключена внешняя цепь генератора (выпрямительная установка и тяговые электродвигатели). Как отмечалось выше, сердечник статора имеет 144 паза и 120 вентиляционных отверстий, предназначенных для охлаждения генератора.
Стальной цилиндрический корпус 5 ротора с помощью фланца 12 с одной стороны соединяется с коленчатым валом дизеля тепловоза. Другая сторона корпуса 5 ротора с помощью прессовой посадки соединена с валом 1 ротора, который, в свою очередь, вращается в сферическом подшипнике 2. Со стороны подшипника 2 на корпусе ротора смонтированы контактные кольца 3 и щетки 4 размером 25x32x64 мм, которые, в свою очередь, установлены в щеткодержателях.
На корпусе 5 ротора также располагается магнитопровод 6 ротора, выполненный из листовой стали. Сердечники полюсов, которые крепятся к магнитопроводу 6, набраны из отдельных листов электротехнической стали толщиной 1,4 мм. Все эти листы стянуты с помощью нажимных шайб, шпилек и гаек.
Катушки возбуждения, размещенные на сердечниках полюсов вращающегося ротора, выполнены из шинной меди сечением 1,35x25 мм2. Все катушки возбуждения соединены последовательно и подключены к контактным кольцам 3. Электрический ток (ток возбуждения) подводится к кольцам тягового генератора ГС-501А с помощью щеток 4 от отдельного источника постоянного тока (генератора — возбудителя ВС650В).
В генераторе ГС-501А применена независимая осевая система охлаждения воздухом, который подается в воздухоприемный патрубок 11 генератора. Охлаждающий воздух забирается снаружи тепловоза 2ТЭ116 через воздушные фильтры, установленные с боков его кузова. Расход охлаждающего воздуха — 4,45 м3/с при напоре 1,5 кПа.
Можно отметить, что тяговые генераторы переменного тока отечественных тепловозов имеют примерно одинаковую конструкцию. С ростом секционной мощности современных магистральных тепловозов для уменьшения весогабаритных показателей их передач (переменно-постоянного тока) стали применяться так называемые тяговые агрегаты, которые включают в себя синхронный тяговый генератор СГ и синхронные генераторы собственных нужд тепловоза (ГСН) мощностью 630 — 810 кВт. На тепловозе ТЭП75 генератор ГСН называется генератором энергоснабжения и предназначен для энергоснабжения (в том числе отопления) пассажирских вагонов поезда. Генераторы собственных нужд тепловоза обеспечивают питание независимой обмотки возбуждения тягового генератора, привод вспомогательных машин, устройств автоматики и выполняют другие функции.
Основные технические данные тяговых генераторов и тяговых агрегатов отечественных тепловозов приведены в таблице.
Характеристики тяговых генераторов. Различают следующие характеристики тепловозных тяговых генераторов постоянного и переменного тока: внешняя, частичные, регулировочные, тепловые и аэродинамические. Последние определяют расход охлаждающего воздуха через обмотки тягового генератора. По тепловым характеристикам — зависимостям температур обмоток тяговой электрической машины от силы тока Ir нагрузки — можно судить о ее надежности и сроке службы. Увеличение силы тока Ir и, соответственно, температур обмоток Г или СГ ускоряет старение электроизоляционных материалов.
Основные технические данные тяговых генераторов тепловозов
| Тип | ГП300БУ | ГП311У | ГП311ВУ | ГП311БУ | ГС515У | ГС501АУ | А711У2 | А714УХЛ | А713У2 | ||
| Род тока | постоянный | переменный | |||||||||
| Мощность, кВт | 780 | 1270 | 2000 | 2000 | 1400 | 2800 | 2600 | 2800 | 4060 | ||
| Частота вращения, об/мин | 750 | 850 | 1000 | ||||||||
| Масса, кг | 4800 | 7400 | 9000 | 8700 | 5200 | 6000 | 7200 (агрегат) | 8200 (агрегат) | 9200 (агрегат) | ||
| Максимальный кпд, % | 94 | 94,3 | 95,8 | 95,3 | 95,8 | 95 | |||||
| Напряжение (высшее/низшее), В | 870/645 | 570/356 | 635/465 | 700/465 | 280/175 | 580/360 | 575/325 | 580/366 | 770/580 | ||
| Ток при напряжении (высшем/низшем), А | 900/1210 | 2230/3570 | 3150/4320 | 2870/4320 | 2x1540/2x2500 | 2x1500/2x2400 | 2x1580/2x2520 | 2x1520/2x2400 | 2x1650/2x2200 | ||
| Серии тепловозов | ТЭМ2, ТЭМ6 | М62, 2М62У | ТЭП60 | 2ТЭ10Л (В, М, С, У) | ТЭМ7 | 2ТЭ116, ТЭП70 | ТЭ120 | 2ТЭ121, 2ТЭ130 | ТЭП75 | ||
На отечественных тепловозах с электрическими передачами применяют три класса изоляции, для каждого из них установлен определенный уровень температур, разовое превышение которых даже на 5 — 10 °С приводит к сокращению срока службы изоляции обмоток машины в два раза.

Рис. 55. Внешняя и частичные характеристики тягового генератора тепловоза
Основной характеристикой тягового генератора является его внешняя характеристика — это графическая зависимость напряжения Ur от силы тока нагрузки Ir, т.е. Ur = f(Ir) для максимальной позиции рукоятки контроллера машиниста ПК.
Для полного использования мощности дизеля во всем скоростном диапазоне работы тепловоза наилучшей формой внешней характеристики тягового генератора постоянного и переменного тока является кривая, называемая в математике гиперболой (рис. 55). Для формирования заданных тяговых свойств тепловоза применяют специальные системы регулирования как тяговых генераторов, так и тяговых электродвигателей.
К сожалению, генераторы постоянного и переменного тока с любой системой возбуждения не имеют такой естественной внешней характеристики, как приведенная на
рис. 55. Поэтому гиперболическую характеристику (точнее, близкую к гиперболе) тягового генератора и, соответственно, заданные тяговые свойства тепловоза получают путем применения независимой обмотки возбуждения и достаточно сложных систем автоматического регулирования возбуждения.
Как уже отмечалось выше, якорь или ротор тягового генератора через муфту жестко соединен с коленчатым валом дизеля. При установившемся режиме работы дизеля и постоянном положении органа подачи топлива система автоматического регулирования возбуждения должна поддерживать постоянство мощности Pr тягового генератора постоянного тока. Данное условие можно выразить в виде следующего равенства
Рr = 10-3·Ur·Ir = const, кВт,
где Ur — напряжение тягового генератора, В;
Ir — сила тока тягового генератора, А.
Для тепловозов с передачей переменно-постоянного тока система автоматического регулирования возбуждения должна обеспечивать постоянство произведения выпрямленного тока Ir и напряжения Ur на зажимах выпрямительной установки ВУ, т.е. Ur·Ir = const..
Отметим, что ток нагрузки Ir зависит (при ПК = const) от скорости движения, точнее, от трудности профиля пути, по которому тепловоз ведет поезд. Представим себе, что при движении поезда на крутом подъеме возросли силы сопротивления, и его скорость заметно снизилась, при этом величина тока нагрузки Ir тягового генератора тепловоза увеличилась, например, в два раза. Так как выражение Ur·Ir = const представляет собой уравнение гиперболы, то система автоматического регулирования возбуждения должна обеспечить уменьшение напряжения Ur также в два раза.
В условиях эксплуатации часто не требуется полное использование мощности дизеля, например, при движении тепловоза с поездом по легкому профилю пути, резервом (без вагонов) и др. Уменьшение мощности дизеля осуществляется с помощью рукоятки контроллера машиниста. Каждой позиции рукоятки контроллера машиниста ПК (обычно их 8 на маневровых и 15 на магистральных тепловозах) соответствуют цикловая подача топлива gе и фиксированная частота вращения вала дизеля nе. Каждой фиксированной частоте вращения nе соответствует определенная мощность, при которой кпд дизеля будет максимальным. Поэтому система возбуждения тягового генератора Г должна обеспечивать и при частичных нагрузках поддержание постоянства мощности генератора на уровнях, соответствующих экономичным режимам работы дизель-генераторной установки.
В качестве примера на рис. 55 показано семейство частичных характеристик Ur = f(Ir) тягового генератора для следующих позиций рукоятки контроллера машиниста: ПК1, ПК5, ПК10, ПК14. Регуляторными характеристиками тягового генератора называют зависимость тока возбуждения от тока нагрузки Ir.
Итак, подведем первый итог: звеном, обеспечивающим гиперболическое изменение напряжения Ur относительно величины Ir на зажимах тягового генератора постоянного тока или выпрямительной установки, является система автоматического регулирования возбуждения.
Внешняя характеристика (кривая а-б-в-г на рис. 55) тягового генератора имеет ограничения по максимальному току Irmax (линия а-б) и напряжению Urmax (линия в-г). В период трогания с места и разгона тепловоза его тяговые электродвигатели работают в режиме максимальных токов и минимальных напряжений. Этот же режим характерен для работы тягового генератора — при разгоне тепловоза мощность его тягового генератора определяется следующим равенством Рr = 10-3·Urmin·Irmax. Таким образом, на отрезке а-б внешней характеристики тягового генератора развивается наибольшая электромагнитная сила, создаваемая на якоре ТЭД, Ртэд = 3,6·се·Ф·Iтэдmax - ΔF,
где ΔF — механические и магнитные потери в тяговом электродвигателе, Н;
се — магнитная постоянная электрической машины.
При трогании с места и разгоне тепловоза значения электромагнитной силы Fтэд, создаваемой на якоре ТЭД, и, соответственно, касательной силы тяги Fк ограничены условиями сцепления колес с рельсами. При росте скорости движения тепловоза коэффициент сцепления колес с рельсами и реализуемая сила тяги плавно уменьшаются. Примерно по такому же закону происходит изменение максимального тока тягового генератора Imax при трогании с места тепловоза с электрической передачей (отрезок а-б на рис. 55).
В этот период времени э.д.с. тяговых электродвигателей Етэд тепловоза равна нулю и напряжение тягового генератора Ur, подводимое к двигателям, минимальное. Оно уравновешивается падением напряжения в обмотках якоря ТЭД и в силовых кабелях. В момент трогания с места и начале движения тепловоза частота вращения якорей тяговых электродвигателей и величина Етэд увеличиваются, соответствующим образом растет напряжение Ur, подводимое к двигателям. Номинальный режим работы тягового генератора достигается в точке д, в этом случае Рr = 10-3·Urном·Irном, кВт.
При дальнейшем росте скорости движения тепловоза сила тока Ir уменьшается, а напряжение на зажимах тягового генератора постоянного тока или выпрямительной установки плавно возрастает до своего максимального значения Urmax (точка в на рис. 55).
Как отмечалось выше, на тепловозах с передачей постоянного тока тяговые генераторы имеют независимую обмотку возбуждения, которая получает питание от отдельного генератора постоянного тока — возбудителя. В свою очередь, возбудитель имеет собственную независимую обмотку возбуждения (2М62У, 2ТЭ10Л,В,М,С,У). В систему автоматического регулирования возбуждения тяговых генераторов этих серий тепловозов также входит блок автоматики БА, который регулирует ток возбуждения тягового генератора постоянного тока по заданному закону, т.е. обеспечивает выполнение условия экономичной работы силовой установки тепловоза Ur·Ir = const.
Блок автоматики состоит из селективного узла и однофазного магнитного усилителя с внутренней обратной связью. Селективный узел БА имеет один канал регулирования и формирует гиперболическую зависимость Ur = f(Ir) тягового генератора по поступающим сигналам от датчиков тока ДТ и напряжения ДН. Надо отметить, что под селективностью понимают способность блока БА выбирать нужный сигнал от датчика тока, датчика напряжения или, при необходимости, суммировать сигналы от обоих датчиков ДТ и ДН.
Применяемые на тепловозах с электрической передачей постоянного тока системы возбуждения тягового генератора из-за насыщения его ограниченной магнитной системы позволяют изменять напряжение Ur не более чем в 1,5 раза, т.е. Urmax/Urmin = 1,5. Увеличение объема магнитной системы тягового генератора постоянного тока неизбежно приведет к увеличению его веса и габаритов, неприемлемых для тепловозов из-за ограничения по нагрузке от колесных пар на рельсы.
На тепловозах с передачей переменно-постоянного тока для управления магнитным потоком возбуждения Ф и формирования гиперболической зависимости Ur = f(Ir) тягового генератора применяют достаточно сложную автоматическую систему регулирования напряжения Ur. Регулирование величин Ф и Ur производится по отклонению от заданного значения напряжения и по возмущениям (Ir, nе, и gе).
Синхронные тяговые генераторы также имеют независимую обмотку возбуждения, но, в отличие от тяговых генераторов постоянного тока, эта обмотка получает питание в виде выпрямленного тока от синхронного подвозбудителя — генератора переменного тока через тиристорный управляемый выпрямитель УВВ. Блок автоматики системы регулирования содержит селективный узел с тремя каналами регулирования (по напряжению, мощности и току) и блок управления выпрямителем.
Электрическая энергия от зажимов тягового генератора постоянного тока или выпрямительной установки на серийных тепловозах подводится к тяговым электродвигателям постоянного тока, которые преобразуют ее в механическую энергию, идущую на привод колесных пар.
ТЯГОВЫЕ ЭЛЕКТРОДВИГАТЕЛИ
Тяговые электродвигатели (ТЭД) служат для преобразования электрической энергии в механическую, передаваемую затем с помощью специальных устройств на колесные пары локомотива.
Классификация ТЭД. Тяговые двигатели локомотивов классифицируют по ряду признаков, а именно: по способу питания, конструктивному исполнению, типу привода колесных пар и роду тока.
По способу питания электрической энергией ТЭД локомотивов различают: от тягового генератора (на тепловозах), от контактного провода или от тяговых аккумуляторных батарей (на электроподвижном составе).
Каждый ТЭД локомотива может осуществлять механический привод одной оси — индивидуальный привод, нескольких осей — групповой привод. Наибольшее применение на локомотивах с электрическим приводом колесных пар стран мира получил индивидуальный привод. Однако в ряде стран, например, во Франции серийно строились тепловозы и электровозы с групповым приводом колесных пар. В нашей стране в середине 70-х годов прошлого века на Людиновском тепловозостроительном заводе (ныне ОАО «Людиновотепловоз») также был построен опытный тепловоз ТЭМ12 мощностью 880 кВт (1200 л.с.), который имел групповой привод колесных пар. На четырехосном тепловозе ТЭМ12 были установлены два ТЭД типа ЭД-121, по одному на тележку. Якори обоих двигателей ЭД-121 были соединены между собой и с колесными парами тепловоза посредством карданных валов и осевых редукторов по схеме, похожей на тяговый привод колесных пар тепловоза ТГМ6 с гидропередачей.
В зависимости от рода тока, подводимого к двигателю, различают тяговые электродвигатели постоянного тока (ТЭД) и переменного тока (ТАД) (асинхронные и вентильные). Асинхронные ТАД получили наибольшее распространение на локомотивах и применены на опытных тепловозах с передачей переменного тока ВМЭ1, ТЭ120, ТЭМ21 и 2ТЭ25А.
Вентильные (синхронные) ТАД переменного тока по принципу действия подобны коллекторным машинам постоянного тока. Вместо коллектора на них используется система силовых управляемых вентилей (полупроводников) преобразовательной установки, которые служат для преобразования тока (как коллектор) и управления режимами работы ТАД и локомотива в целом. Вентильные ТАД применены на электровозах переменного тока ВЛ80В, ЭП200 и других.
Принцип работы двигателей постоянного тока. Как уже отмечалось ранее, все электрические машины постоянного тока обладают свойствами обратимости и без особого изменения конструкции могут работать в генераторном или двигательном режиме. Поэтому, если сравнить устройство простейшего генератора и электродвигателя, то можно найти много общего.
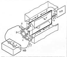
Устройство простейшего электродвигателя показано на рис. 1. Магнитное поле с магнитным потоком Ф создается постоянными магнитами разной полярности С и Ю. В магнитном поле Ф находится металлическая рамка 1. Если к рамке 1, состоящей из двух проводников, с помощью щеток 3, 4 и двух полуколец 2 подвести электрическую энергию постоянного тока I, например, от аккумуляторной батареи АБ, то на каждый проводник с током в соответствии с законом Ампера будет действовать электромеханическая сила F, стремящаяся вытолкнуть их из магнитного поля.
Направление действия этой силы F и движения проводника с током определяются правилом левой руки, в соответствии с которым на проводник, находящийся под полюсом Ю, действует сила F (влево), а на проводник под полюсом С — сила F с противоположным направлением действия. Эти две силы F создают так называемый электромагнитный момент М, под действием которого рамка будет вращаться по часовой стрелке и обеспечивать привод какого-либо устройства, например, колесной пары локомотива.
Как уже отмечалось ранее, в реальных конструкциях тяговых электрических машин постоянного тока для создания магнитного потока Ф вместо постоянных магнитов применяют специальные катушки (обмотки) возбуждения, изготовленные из медного провода или шинной меди, которые размещают на стальных сердечниках полюсов. Функции рамки с током в ТЭД выполняет якорь с обмоткой, витки которой соединяют с коллектором.
На преодоление каких же сил сопротивления при работе ТЭД расходуются тысячи киловатт электрической энергии, поступающей с зажимов тягового генератора или выпрямительной установки локомотива?
В связи с тем, что проводники рамки (якоря) будут пересекать магнитные силовые линии магнитного потока Ф, согласно закону электромагнитной индукции (закону Фарадея) в проводниках рамки будет индуктироваться (наводиться) э.д.с. самоиндукции Е. Она прямо пропорциональна магнитному потоку Ф, частоте вращения рамки (якоря) n и некой магнитной постоянной (коэффициенту) се, т.е. Е = се∙n∙Ф. При вращении витка 1 с помощью полуколец 2 обеспечивается переключение направления тока в проводниках таким образом, что электромагнитные силы F, приложенные к верхнему и нижнему (см. рис. 56) проводникам рамки, будут сохранять свои направления действия, чем, в итоге, и обеспечивается постоянство направления вращения якоря ТЭД (величин М и n).

Рис. 56. Схема устройства простейшего электродвигателя постоянного тока:
1 — рамка (виток); 2 — контактные кольца; 3 — щетки; С, Ю — постоянные магниты; АБ — аккумуляторная батарея; ТП — тяговый привод
Напряжение Uтэд, подводимое к двигателю, создает ток I в рамке (обмотке якоря), а величина э.д.с. самоиндукции Е препятствует протеканию тока, так как в соответствии с правилом правой руки направлена навстречу подводимому напряжению. Другими словами, одним из условий работы электрической машины в двигательном режиме является выполнение следующего требования: подводимое к ТЭД напряжение Uтэд должно всегда превосходить величину э.д.с. самоиндукции Е. То есть необходимо соблюдение неравенства Uтэд > Е, или Uтэд = Е +ΔU, где ΔU — потери напряжения в обмотках электродвигателя сопротивлением Rя, которые в соответствии с законом Ома равны ΔU = I∙Rя.
Чем больше электрическая мощность генератора и, соответственно, подводимое к ТЭД напряжение Uтэд, тем быстрее вращаются якорь двигателя и колесные пары (при постоянстве сопротивления движению) и увеличивается величина э.д.с. самоиндукции Е, на преодоление которой и затрачивается напряжение. Значит, именно на преодоление э.д.с. самоиндукции Е и расходуются тысячи киловатт электрической энергии, вырабатываемой тяговым генератором тепловоза. В принципе, для ТЭД локомотива может быть справедливо и другое объяснение: мощность его тяговых двигателей, имеющих жесткую механическую связь с колесными парами, затрачивается на преодоление сил сопротивления движению поезда.
Сформулируем основные условия, при выполнении которых электрическая машина постоянного тока способна работать в двигательном режиме:
* создание магнитного потока Ф постоянными магнитами или катушками возбуждения, питаемыми от источника постоянного тока;
* подведение к якорю извне электрической энергии постоянного тока напряжением U, величина которого должна быть больше э.д.с. самоиндукции Е;
* направления тока I и э.д.с. Е всегда противоположны;
* совпадение по направлению величин электромагнитного момента М и частоты вращения якоря n.
В целом можно отметить, что отличия в принципах работы простейшего двигателя и генератора заключаются только во взаимном направлении э.д.с. Е, тока I, электромагнитного момента М и частоты вращения якоря n.
Особенности устройства ТЭД постоянного тока. По конструкции, характеристикам и, что особенно важно, по условиям эксплуатации ТЭД тепловозов заметно отличаются от тяговых генераторов и электрических машин общего назначения.
ТЭД локомотивов работают в крайне неблагоприятных для электрических машин условиях, а именно: при движении тепловоза происходит увлажнение и загрязнение изоляции, а также электрических контактов из-за попадания внутрь двигателя воды, снега и пыли. Возникают высокие перегрузки и перепады температур обмоток, особенно в зимнее время, а также механическое воздействие (большие ударные нагрузки и вибрация) от неровностей пути и другие. Не случайно именно тяжелые условия эксплуатации и недостаточное качество ремонта ТЭД часто являются причинами отказов и порч тепловозов в пути следования.
Устройство ТЭД рассмотрим на примере двигателя прстоянного тока ЭД-118А, который применяется на серийных грузовых тепловозах 2М62У, 2ТЭ10В, ЗТЭ10М, 2ТЭ116 и других.
Основными узлами двигателя ЭД-118А являются (рис. 57) неподвижный остов 5, закрытый подшипниковыми щитами 1,12, и вращающийся якорь 9 с обмотками 8, соединенный с помощью тягового редуктора с колесной парой тепловоза.
Внутри остова 5, поперечное сечение которого — неправильный восьмигранник, закреплены четыре главных 10 и четыре добавочных 17 полюсов. Сердечники главных полюсов 10 набраны из отдельных стальных листов толщиной 2 мм, на них размещаются обмотки возбуждения, изготовленные из шинной меди сечением 8×25мм2. Как и в конструкциях тяговых генераторов постоянного тока, главные полюсы с катушками предназначены для создания магнитного поля (потока) Ф возбуждения в ТЭД.

Рис. 57. Тяговый электродвигатель ЭД-118А:
1 — передний подшипниковый щит; 2 — коллекторная пластина; 3 — нажимной конус; 4 — щеткодержатель со щетками; 5 — остов; 6 — корпус коллектора; 7 — передняя нажимная шайба; 8 — обмотка якоря; 9 — сердечник якоря; 10 — сердечник и катушка возбуждения главного корпуса; 11 —защитный козырек; 12 — задний подшипниковый щит; 13 — задняя нажимная шайба; 14 — вал якоря; 15 — моторно-осевой подшипник; 16 — крышка моторно-осевого подшипника; 17— добавочный полюс
Добавочные полюсы 17 изготавливают из толстостенного проката. Их назначение — улучшение условий коммутации ТЭД. Катушки добавочных полюсов выполнены также из шинной меди сечением 6×30 мм2.
Магнитная система двигателя ЭД-118А включает в себя остов 5, главные 10 и добавочные 17 полюса с обмотками.
Якорь двигателя состоит из сердечника 9, вала 14, обмотки 8 и коллектора 6. Сердечник 9 якоря для уменьшения действия вихревых токов набран из тонких листов (толщиной 0,5 мм) электротехнической стали, покрытых лаком. Вал 14 якоря опирается на два роликовых подшипника, запрессованных в ступицы переднего 1 и заднего 12 подшипниковых щитов. На один конец вала 14, который выведен из остова 5, со стороны подшипникового щита 12 напрессована шестерня тягового редуктора (на рис. 57 не показана).
Обмотка якоря 8 состоит из изолированных витков медного провода. Выводы петлевой обмотки якоря впаяны в петушки коллекторных пластин 2.
Двигатель ЭД-118А оборудован четырьмя щеткодержателями 4, в каждом из которых размещены три разрезных щетки.
Свойства и характеристики ТЭД постоянного тока. Свойства и характеристики электродвигателей постоянного тока определяются, преимущественно, способом включения обмотки возбуждения по отношению к обмотке якоря.
В технике и на локомотивах нашли применение электродвигатели постоянного тока со следующими системами возбуждения:
- последовательным возбуждением;
- параллельным возбуждением;
- смешанным возбуждением;
- независимым (от постороннего источника электрической энергии).

Рис. 58. Электромеханические характеристики тепловозного тягового электродвигателя
На большинстве серий тепловозов с электрической передачей и электровозах применяют последовательное включение обмотки возбуждения с обмоткой якоря.
Почему же система последовательного возбуждения оказалась предпочтительнее для локомотивной тяги?
Основными характеристиками двигателей постоянного тока являются так называемые электромеханические характеристики, которые позволяют оценивать характер изменения вращающего момента Мтэд на якоре ТЭД, частоты его вращения n и кпд η в зависимости от тока I нагрузки (двигателя), т.е. Мтэд = f(I), n = f(I), η = f(I). На рис. 58 приведены электромеханические характеристики тепловозного ТЭД.
При трогании с места и разгоне локомотива его тяговые электродвигатели должны создавать наибольший вращающий момент Мтэд и силу тяги Fк, соответственно. Э.д.с. Е на этом режиме работы ТЭД имеет минимальное значение, так как зависит от частоты вращения якоря, а сила тока I в обмотках якоря ТЭД, наоборот, окажется близкой к наибольшему значению. В ТЭД с последовательным возбуждением ток возбуждения iв равен току обмоток якоря I, следовательно, величина магнитного потока Ф при разгоне двигателя достигает также наибольшего значения.
Учитывая то обстоятельство, что величина магнитного потока Ф, в основном, зависит от силы тока возбуждения iв, то можно сделать вывод, что для ТЭД с последовательным возбуждением величина вращающего момента Мтэд, которая пропорциональна квадрату силы тока якоря I2 (Мтэд ≡ I2), будет наибольшей по сравнению с другими системами возбуждения, как и значение силы тяги Fк на колесных парах локомотива, так как Fк = Мтэд/Rк, где Rк — радиус колеса. Соответственно, тепловоз с ТЭД с последовательным возбуждением будет иметь наилучшие разгонные качества и тяговые свойства.
Можно отметить, что ТЭД с последовательным возбуждением лучше переносят перегрузки. Поэтому ТЭД с такой системой возбуждения применяют в тяжелых условиях пуска и разгона, что, собственно, и характеризует условия трогания с места и разгона тепловозов с составом.
Можно также отметить, что ТЭД с последовательным возбуждением более приспособлены к перегрузкам по сравнению с ТЭД с другими системами возбуждения, что очень важно при их работе в качестве приводов колесных пар тепловозов с электрической передачей и электровозов, а также грузоподъемных механизмов (лифты, краны и др.)
К достоинствам ТЭД с последовательным возбуждением также нужно отнести и то обстоятельство, что они обеспечивают более равномерное распределение нагрузок на каждый двигатель в случаях неравномерного износа бандажей колесных пар локомотивов и появления заметной разницы в диаметрах круга их катания. При заметной разнице диаметров колес и расхождении электромеханических характеристик ТЭД одной тележки или тепловоза возникает неравенство сил тяги, создаваемых различными колесными парами при взаимодействии с рельсами. Эти обстоятельства повышают вероятность возникновения боксования тех колесных пар локомотива, на которых реализуются большие значения силы тяги. Разница в диаметрах колес также негативно сказывается на реализации тормозной силы, создаваемой тормозными средствами самого локомотива.
Недостатком двигателей с последовательным возбуждением является то, что при малых внешних нагрузках (например, при движении локомотива в режиме тяги на спуске) величина магнитного потока Ф заметно уменьшается, а частота вращения, наоборот, гипотетически может сильно вырасти, т.е. двигатель может пойти вразнос. Для исключения этого явления колесные пары тепловоза жестко соединены с якорем ТЭД постоянного тока через тяговый редуктор.
Необходимо отметить, что на некоторых сериях современных тепловозов и электровозов стали применять независимую систему возбуждения ТЭД, когда обмотка возбуждения статора питается от постороннего источника постоянного тока. Двигатели с независимым возбуждением имеют жесткую электротяговую характеристику, т.е. зависимость V = f(I) представляет собой почти горизонтальную линию. Это означает, что скорость движения локомотива с поездом может быть практически постоянной на любом по трудности элементе профиля.
В целом, применение независимой системы позволяет оптимизировать характеристики ТЭД и получить оптимальные тяговые свойства локомотива с электрическим приводом колесных пар. Однако при этом значительно усложняется система регулирования тока возбуждения ТЭД.
Способы регулирования частоты вращения якоря ТЭД постоянного тока. При существующей жесткой механической связи ТЭД с колесными парами тепловоза регулировать частоту вращения якоря — это означает управлять скоростью движения локомотива.
Для обеспечения полного использования мощности дизеля во всем скоростном диапазоне работы тепловоза с электрической передачей необходимо изменять напряжение на тяговых электродвигателях Uтэд и, соответственно, частоту вращения их якорей примерно в 4 — 5 раз. Для решения этой задачи на тепловозах применяют различные системы регулирования частоты вращения якоря двигателя постоянного тока.
Частота вращения якоря двигателя n прямо пропорциональна подводимому напряжению Uтэд и обратно пропорциональна величине Ф.
n = Е/(се∙Ф) = (Uтэд - I∙ΣRя)/(се∙Ф),
где Uтэд— напряжение, подводимое к двигателю, В;
I — сила тока якоря двигателя, А;
ΣRя — суммарное сопротивление обмоток якоря, Ом;
Ф — магнитный поток двигателя, Вб;
се — магнитная постоянная.
Из формулы следует, что частоту вращения якоря тягового электродвигателя и скорость движения тепловоза при его работе в тяговом режиме можно изменять, регулируя напряжение Uтэд, магнитный поток Ф и суммарное сопротивление обмоток якоря ΣRя. Из-за больших потерь, достигающих на электроподвижном составе до 20 % тяговой (касательной) мощности, последний способ на тепловозах с электрическими передачами не применяется.
Необходимо отметить, что ТЭД тепловозов в эксплуатации также могут работать в режимах реверсирования (меняется направление вращения якоря) и генератора (при электрическом торможении). На современных тепловозах, как правило, применяют так называемое реостатное торможение, когда ТЭД, работая в генераторном режиме, подключаются к тормозным резисторам, устанавливаемым в кузове локомотива. В этих резисторах электрическая энергия, вырабатываемая ТЭД при торможении поезда, преобразуется в тепловую энергию, которая с помощью вентиляторов отводится в атмосферу.

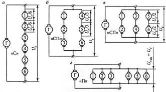
Рис. 59. Схемы соединения тяговых электродвигателей шестиосного тепловоза:
а — последовательное (С), б и в — последовательно-параллельное (СП), г — параллельное (П)
Способы регулирования напряжения Uтэд. Напряжение Uтэд, подводимое к двигателю, можно изменять, регулируя магнитный поток тягового генератора или изменяя схему соединения тяговых двигателей.
Принцип регулирования скорости движения на основе изменения схемы соединения тяговых двигателей осуществлен на ряде серий тепловозов старой постройки ТЭМ1, ТЭ2, также на опытной партии ТЭМ2. Возможные схемы соединения тяговых электродвигателей шестиосного тепловоза ТЭМ2 показаны на рис. 59. При последовательном соединении двигателей к каждому из них подводят напряжение Uтэд = Ur/m, где m — число двигателей, соединенных последовательно.
Четыре схемы соединения двигателей, приведенные на рис. 59, дают такое же количество ступеней регулирования напряжения Uтэд, подводимого к двигателю: при последовательном соединении Uтэд = Ur/6, при последовательно-параллельном Uтэд = Ur/3 и Uтэд = Ur/2, при параллельном — Uтэд = Ur.
Переключение двигателей возможно тремя способами: коротким замыканием, с разрывом цепи и замыканием по схеме моста. На тепловозах использовался только первый способ, не требующий дополнительного оборудования и характеризующийся относительно небольшим снижением силы тяги при переключении. На электровозах в разной степени применяют все три способа переключения тяговых электродвигателей.
Второй способ регулирования напряжения, подводимого к тяговым двигателям Uтэд — путем изменения напряжения главного генератора. Как отмечалось ранее, изменение сопротивления движению поезда приводит к изменению скорости движения тепловоза и снижению частоты вращения якоря тягового двигателя.
Силу тока I тягового двигателя можно определить с помощью следующего равенства:
I = (Uтэд - се∙nтэд∙Ф)/ΣRя, А.
Из формулы следует, что, например, снижение частоты вращения якоря nтэд приведет к увеличению значения тока нагрузки I двигателя и, соответственно, тягового генератора Ir. Благодаря гиперболической форме внешней характеристики тягового генератора в этом случае пропорционально увеличению тока нагрузки уменьшится его напряжение Ur. Таким образом, изменение скорости движения тепловоза с электрической передачей автоматически приводит к регулированию напряжения Ur и Uтэд.

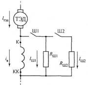
Рис. 60. Схема регулирования магнитного потока тягового электродвигателя тепловоза шунтированием обмотки возбуждения
Напряжение тягового генератора Ur также можно регулировать изменением частоты вращения коленчатого вала дизеля тепловоза:
Ur
Еr = се∙nе∙Ф,
где nе — частота вращения вала дизеля, об/мин.
Изменяя положение рукоятки контроллера машиниста и тем самым регулируя частоту вращения коленчатого вала дизеля nе, машинист обеспечивает ступенчатое изменение величины Ur. Этим способом обычно пользуются в период трогания с места и разгона тепловоза с электрической передачей.
Способ регулирования магнитного потока ТЭД. Этот способ регулирования скорости движения тепловозов оказался самым простым и экономичным, поэтому и получил широкое применение на локомотивах с электрическим приводом колесных пар. На локомотивах применяют так называемую систему ступенчатого изменения величины магнитного потока Ф возбуждения ТЭД. Существующие методы позволяют лишь уменьшать величину Ф, тем самым снижать максимальное напряжение тягового генератора, от которого зависят его вес и габаритные размеры.
На тепловозах регулирование магнитного потока ТЭД осуществляют шунтированием его обмотки возбуждения. Параллельно последовательно включенной обмотке возбуждения К-КК тягового электродвигателя ТЭД (рис. 60) подключают несколько (на тепловозах два) резисторов Rш1, Rш2. При включении контактора Ш1 часть тока якоря двигателя Iтэд отводится от обмотки возбуждения в цепь, образуемую резистором Rш1. Магнитный поток полюсов тягового двигателя уменьшается. Включение с помощью контактора Ш2 второго резистора Rш2 (второй ступени ослабления) еще больше уменьшит магнитный поток. На тепловозах ограничиваются двумя ступенями ослабления магнитного потока. Коэффициент ослабления магнитного потока α одной ступени регулирования: α = Rш/( Rш + Rв).
Информация в лекции "Коммуникационная среда и передача данных" поможет Вам.
где Rш — сопротивление обмотки возбуждения якоря двигателя, Ом;
Rв — сопротивление шунтирующего резистора, Ом.
Обычно для тепловозных электрических передач коэффициент ослабления магнитного потока первой ступени равен α1 ≥ 0,6, второй — α2 ≥ 0,3. Соответственно, при полном магнитном поле (ПП) величина коэффициента α равна единице.
На рис. 58 приведены электромеханические характеристики тепловозного двигателя для полного поля (ПП) и двух ступеней ослабления магнитного потока возбуждения (ОП1 и ОП2).
Таким образом, применение на тепловозах двухступенчатой системы ослабления магнитного потока возбуждения ТЭД позволяет троекратно использовать внешнюю характеристику тягового генератора при тяговом режиме его работы и обеспечивает полное использование мощности дизеля во всем скоростном диапазоне работы локомотива.
О том, как передается вращающий момент от вала якоря ТЭД на ось колесной пары и как устроена экипажная часть тепловозов будет рассказано в следующем разделе.





















