Структурные схемы силовых цепей тяговых передач и энергоустановок
Лекция 1.
1. Назначение, область применения и классификация автономного транспорта.
2. Особенности условий работы и требования, предъявляемые к различным видам автономного транспорта.
3. Структурные схемы силовых цепей тяговых передач и энергоустановок.
![]() |
Определение. Под энергоустановкой понимается совокупность устройств (агрегатов), обеспечивающих хранение и полный цикл преобразования энергии любой физической природы в электрическую для питания тягового привода.
Применяемые на автономном транспорте энергоустановки весьма разнообразны и отличаются, как процессами преобразования, так и способами пополнения энергии. Основные виды энергоустановок приведены на рис. 1.1.
Рекомендуемые материалы

В современных автономных транспортных средствах наибольшее распространение получили теплоэлектрические энергоустановки, состоящие из теплового двигателя и сочленённого с ним тягового генератора. Энергоустановки такого типа обеспечивают широкий диапазон плавного регулирования напряжения на выходе генератора путём изменения его возбуждения, а также скорости вращения вала теплового двигателя посредством изменения подачи топлива. В качестве тепловых двигателей автономных транспортных средств преимущественно используются дизели, значительно реже – газотурбинные установки (ГТУ) и карбюраторные двигатели внутреннего сгорания (ДВС), а также двигатели Венкеля, Стирлинга, Ранкина и др.

В зависимости от мощности ТЭУ, частоты вращения ТД и других факторов в качестве генераторов используются тяговые генераторы постоянного тока и синхронные генераторы различных модификаций.
Перспективными считаются ЭУ с непосредственным преобразованием химической энергии топлива в электрическую в топливных элементах (ТЭ), особенно низкотемпературных, поскольку имеют достаточно высокий КПД (порядка 0,6…0,7), отличаются бесшумностью работы, почти полным отсутствием токсичных отходов, простотой заправки.
Достаточно широкое распространение получили ЭУ небольшой мощности на базе тяговых аккумуляторных батарей (ТАБ) для напольного транспорта.
На рис. 1.2 приведена схема тягового привода автономного транспортного средства с ТАБ, включающая в себя редуктор с дифференциалом 1, карданный вал 2, тяговый электродвигатель 3, ТАБ 4.

На рис. 1.3 приведена схема тягового привода, содержащего комбинацию из двух типов: механического и электрического периодического действия. Схема включает в себя редуктор с дифференциалом 1, тяговый электродвигатель 2, карданный вал 3, раздаточный редуктор 4, ДВС 5, муфту 6, Тяговый генератор 7. Привод с такой схемой исполнения можно использовать для активизации колёс полуприцепа или прицепа при прохождении тяжёлых участков пути.

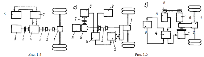
На рис. 1.4 приведена схема тягового привода, содержащего комбинацию из двух типов: механического и электрического для режимов трогания и разгона. Схема включает в себя редуктор с дифференциалом 1, карданный вал 2, муфту 3, тяговый электродвигатель 4, ДВС 5, ТАБ 6, блок управления 7.
В режимах трогания и разгона транспортного средства ДВС и тяговый электродвигатель работают одновременно, либо только один тяговый электродвигатель (муфта, соединяющая ДВС с электродвигателем отключена). В режиме установившейся скорости работает только ДВС.
На рис. 1.5 приведены два варианта схемы тягового привода, содержащего комбинацию из двух типов: механического и электрического для режимов трогания и разгона. В отличие от предыдущего варианта схема включает в себя тяговый генератор 8, который может питать тяговый электродвигатель 2 параллельно с ТАБ 9. Вращение вала тягового генератора в схеме рис. 1.5а осуществляется, как и в варианте по схеме рис. 1.3, ДВС через раздаточный редуктор 5 и муфту 7, а в схеме рис. 1.5б – через передачу 5. Блок управления 4 позволяет осуществлять не только совместное и раздельное питание электродвигателя от ТАБ и генератора, но и подзаряжать ТАБ от генератора.
Поскольку наиболее распространёнными в настоящее время являются энергоустановки с двойным преобразованием энергии (теплоэнергетические ЭУ), то в дальнейшем именно им и будет уделено основное внимание.

Схема силовой цепи электрической части тягового электропривода существенно зависит от рода тока, используемого в тяговом генераторе и электродвигателе. Поскольку в качестве тяговых двигателей используются электричес-кие машины постоянного и трёхфазного переменного тока, как и в качестве источника электроэнергии на автономном транспортном средстве, то возможны различные сочетания этих элементов в структурных схемах: приводы постоянного, постоянно-переменного, переменно-постоянного и переменного тока. Для определённости рассмотрим структурные схемы электрической части привода карьерных самосвалов, оснащённых мотор-колёсным тяговым приводом.
Информация в лекции "Какие методы и средства характерны для дипломатии сверхдержав" поможет Вам.
На рис. 1.6 приведены варианты структурных схем электрической части тягового привода четырёхколёсного самосвала с тяговыми двигателями постоянного тока (ДПТ) и синхронным тяговым генератором (СГ). Регулирование подводимого к двигателям напряжения осуществляется либо управляемым выпрямителем (В), либо возбуждением синхронного генератора. Из рисунка видно, что возможны три варианта построения схем, каждый из которых обладает своими достоинствами и недостатками. Наиболее приемлемой, как в плане реализации свойств тяговых двигателей, так и по надёжности работы привода в целом, является схема рис. 1.6в. Но она же требует и большего количества элементов.
На рис. 1.7 приведены варианты схемных решений привода самосвала на переменном токе.
В качестве источника электрической энергии во всех схемных решениях выступает синхронный генератор, как и в передаче переменно-постоянного тока рис. 1.6. Тяговым двигателем является трёхфазный асинхронный двигатель АД.

В варианте рис. 1.7а питание двигателя осуществляется через преобразователь частоты с непосредственно связью (ПЧНС), в остальных – через преобразователь частоты со звеном постоянного тока (ПЧПТ), состоящий из выпрямителя (В) и инвертора (И).
Сопоставление различных вариантов и выявление достоинств и недостатков каждого из них не составляет особого труда и предоставляется студентам.
























