Для студентов МГТУ им. Н.Э.Баумана по предмету Системы автоматического управления (САУ) (МТ-11)Система виброизоляции модуля фокусированных ионных пучков модуля Нанофаб-100Система виброизоляции модуля фокусированных ионных пучков модуля Нанофаб-100
4,78522892
2017-12-22СтудИзба

Курсовая работа: Система виброизоляции модуля фокусированных ионных пучков модуля Нанофаб-100

Описание

Готовая курсовая работа, которая была защищена в 2011-м году

Оглавление

Техническое задание. - 2 -

Реферат.. - 3 -

1. Описание целевого, механического и энергетического. - 4 -

интерфейса установки. - 4 -

2. Описание комплексной принципиальной схемы ФС. Обоснование структурно-компоновочного решения, выбор и согласование уровней потоков элементов. - 7 -

2.1 Система автоматического управления К6-2-10.02.00.000 (CSU) - 7 -

2.1.1 Модуль процессора CPU188-5LC.. - 8 -

2.1.2 Модуль аналогового вывода A016-C16. - 8 -

2.1.3 Модуль аналогового ввода-вывода AI16-5A.. - 9 -

2.1.4 Клеммная плата с гальванической развязкой. - 10 -

дискретных сигналов TBI-24/OC.. - 10 -

2.1.5 Панель релейной коммутации TBR-8. - 10 -

2.2 Система энергообеспечения К6-2-10.03.00.000 (SEO) - 11 -

2.2.1 Usilitel MRD – Блок усилителей для МР – дросселей. - 12 -

2.2.2 BP– Блоки питания. - 13 -

2.2.3 SM – Силовой модуль. - 13 -

2.4 Система виброизоляции К6-2-10.04.00.000 (SVIBR) - 14 -

2.4.1 МР-привода. - 14 -

2.4.2 Гидроцилиндры.. - 14 -

2.4.3 Магнитореологические дроссели. - 14 -

2.4.4 Пневмопривод PnP. - 14 -

3. Описание процессной модели. Выбор и обоснование целевых, сервисных функций, и функций коррекции цели. - 15 -

4. Документы, сопровождающие комплексную принципиальную схему. - 21 -

4.1 Элементы.. - 21 -

4.2 Потоки. - 22 -

5. Информационный поиск датчиков и исполнительных элементов машины и ее САУ, описание целевого, механического, энергетического и информационного интерфейса этих элементов ОЭ. - 25 -

6. Электрическая схема источника тока. - 44 -

Заключение. - 48 -

Список литературы.. - 49 -



Техническое задание

на курсовой проект по курсу «Основы проектирования систем автоматического управления оборудования электронных технологий».


Тема проекта: Система виброизоляции модуля фокусированных
ионных пучков платформы Нанофаб-100


1. Проработать описание работы машины, выбрать и обосновать состав его основных целевых функций, сервисных функций, функций коррекции цели.

2. Разработать комплексную принципиальную схему, как совокупность системы целевых механизмов, системы их энергообеспечения и системы управления, связанных материальными, энергетическими и информационными потоками.

3. Описать механический, энергетический и информационный интерфейс компонентов машины. Дать техническое задание и техническое предложение на САУ и основные элементы машины.

4. Разработать принципиальную электрическую схему элемента САУ или САУ в целом.


Содержание графической части.

  1. Процессная модель машины..................................................1 л.
  2. Комплексная принципиальная схема....................................2 л.
  3. Источник тока.................................................. ..................1 л.


Содержание расчетно-пояснительной записки.

  1. Введение. Описание целевого, механического и энергетического интерфейса спроектированной технологической машины.
  2. Описание процессной модели. Выбор и обоснование целевых, сервисных функций, и функций коррекции цели.
  3. Техническое задание и техническое предложение на систему управления машины по приведенной в Приложении 1 форме.
  4. Описание комплексной принципиальной схемы ФС. Обоснование структурно-компоновочного решения, выбор и согласование уровней потоков элементов.
  5. Документы, сопровождающие комплексную принципиальную схему:
  6. перечень элементов ПЭ;
  7. перечень потоков и сигналов ПС;
  8. технические задания на основные подсистемы и узлы машины ТЗ.
  9. Информационный поиск датчиков и исполнительных элементов машины и ее САУ, описание целевого, механического, энергетического и информационного интерфейса этих элементов ОЭ.
  10. Расчет и описание усилителя источника тока.
  11. Заключение.

Реферат

к курсовому проекту

Система виброизоляции модуля фокусированных ионных пучков платформы Нанофаб-100


Записка содержит стр., рис., табл.


Графические работы выполнены на ПК с помощью программ: КОМПАС-3D V13 записка выполнена в Microsoft Word 2003.


Целью данного курсового проекта является овладение навыками, методами и средствами комплексных разработок механических и электронных компонентов оборудования САУ.

Задачи проекта:

  • распределить функции машины между различными компонентами и обосновании этих функций;
  • поставить четкое техническое задание перед разработчиками отдельных компонентов
  • выполнить техническую документацию на электронные компоненты.


Курсовой проект выполнен в объеме 4 листов формата А1 и расчетно-пояснительной записки. На первом листе приведены алгоритм работы, таблица процессов. На втором и третьем листах - комплексная принципиальная схема виброизоляционной системы МР: механика, энергообеспечение, системы автоматического управления. На четвертом листе - принципиальная электрическая схема блока усилителей токовых сигналов, приведена документация на все элементы платы блока усилителей. В расчетно-пояснительной записке приведены необходимые пояснения и расчеты, отражены принципы построения САУ, даны описания листов проекта.
1. Описание целевого, механического и энергетического

интерфейса установки.

  1. Целевой интерфейс.

Установка предназначена для обеспечения постоянного положения вакуумной камеры путем виброизоляции платформы установки Нанофаб-100.

  1. Механический интерфейс.

Общий вид системы и насосной станции представлены на рис. 1.1

и рис. 1.1.

Средняя площадь производственного помещения для работы установки должна составлять примерно 200 м2, высота потолков 2м.



Рис. 1.1. Общий вид установки




Рис. 1.2. Фотография насосной станция

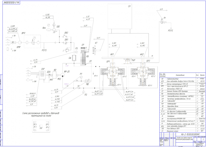
Установка состоит из насосной станции, виброизолирующей системы и вакуумной системы. Виброизолирующая система состоит из 4 МР приводов и одного пневматического привода. Каждый МР привод имеет 5 гидроцилиндров, в каждом из которых имеются 2 МР дросселя. МР привод работает по принципу МР эффекта (изменения характеристик МР жидкости под действием магнитного поля).

Насосная станция осуществляет подачу магнитореологической суспензии в МР-привод (рис1.3 ; рис.1.4). Под действием управляющих сигналов, подаваемых системой управления на МР-привод происходит перемещение центрального штока. В свою очередь, шток воздействует на платформу установки, на которой установлена вакуумная камера. Положение камеры должно быть неизменно. Положение камеры контролируется 4 акселерометрами.

Система термостатирования служит для поддержания температуры МРС суспензии в требуемом диапазоне. Она состоит из термодатчика DT, элемента Пельтье PT ; резервуара PB, вентилятора VT. Давление МРС суспензии в магистрали контролируется манометрами Р1 и Р2.

Характеристики курсовой работы

Список файлов

Система виброизоляции модуля фокусированных ионных пучков модуля Нанофаб-100
sau_kushnir_presentation_2003.pps
Лист (1).jpg
Лист (2).jpg
Лист (3).jpg
Лист (4).jpg
Прочти меня.txt
РПЗ.doc
Титульный лист.doc
Чертёж (1).cdw
Чертёж (2).cdw
Чертёж (3).cdw
Чертёж (4).cdw
Картинка-подпись
Зарабатывай на студизбе! Просто выкладывай то, что так и так делаешь для своей учёбы: ДЗ, шпаргалки, решённые задачи и всё, что тебе пригодилось.
Начать зарабатывать

Комментарии

Нет комментариев
Стань первым, кто что-нибудь напишет!
Поделитесь ссылкой:
Цена: 1 200 руб.
Расширенная гарантия +3 недели гарантии, +10% цены
Рейтинг автора
4,78 из 5
Поделитесь ссылкой:
Сопутствующие материалы

Подобрали для Вас услуги

Вы можете использовать курсовую работу для примера, а также можете ссылаться на неё в своей работе. Авторство принадлежит автору работы, поэтому запрещено копировать текст из этой работы для любой публикации, в том числе в свою курсовую работу в учебном заведении, без правильно оформленной ссылки. Читайте как правильно публиковать ссылки в своей работе.
Свежие статьи
Популярно сейчас
А знаете ли Вы, что из года в год задания практически не меняются? Математика, преподаваемая в учебных заведениях, никак не менялась минимум 30 лет. Найдите нужный учебный материал на СтудИзбе!
Ответы на популярные вопросы
Да! Наши авторы собирают и выкладывают те работы, которые сдаются в Вашем учебном заведении ежегодно и уже проверены преподавателями.
Да! У нас любой человек может выложить любую учебную работу и зарабатывать на её продажах! Но каждый учебный материал публикуется только после тщательной проверки администрацией.
Вернём деньги! А если быть более точными, то автору даётся немного времени на исправление, а если не исправит или выйдет время, то вернём деньги в полном объёме!
Да! На равне с готовыми студенческими работами у нас продаются услуги. Цены на услуги видны сразу, то есть Вам нужно только указать параметры и сразу можно оплачивать.
Отзывы студентов
Ставлю 10/10
Все нравится, очень удобный сайт, помогает в учебе. Кроме этого, можно заработать самому, выставляя готовые учебные материалы на продажу здесь. Рейтинги и отзывы на преподавателей очень помогают сориентироваться в начале нового семестра. Спасибо за такую функцию. Ставлю максимальную оценку.
Лучшая платформа для успешной сдачи сессии
Познакомился со СтудИзбой благодаря своему другу, очень нравится интерфейс, количество доступных файлов, цена, в общем, все прекрасно. Даже сам продаю какие-то свои работы.
Студизба ван лав ❤
Очень офигенный сайт для студентов. Много полезных учебных материалов. Пользуюсь студизбой с октября 2021 года. Серьёзных нареканий нет. Хотелось бы, что бы ввели подписочную модель и сделали материалы дешевле 300 рублей в рамках подписки бесплатными.
Отличный сайт
Лично меня всё устраивает - и покупка, и продажа; и цены, и возможность предпросмотра куска файла, и обилие бесплатных файлов (в подборках по авторам, читай, ВУЗам и факультетам). Есть определённые баги, но всё решаемо, да и администраторы реагируют в течение суток.
Маленький отзыв о большом помощнике!
Студизба спасает в те моменты, когда сроки горят, а работ накопилось достаточно. Довольно удобный сайт с простой навигацией и огромным количеством материалов.
Студ. Изба как крупнейший сборник работ для студентов
Тут дофига бывает всего полезного. Печально, что бывают предметы по которым даже одного бесплатного решения нет, но это скорее вопрос к студентам. В остальном всё здорово.
Спасательный островок
Если уже не успеваешь разобраться или застрял на каком-то задание поможет тебе быстро и недорого решить твою проблему.
Всё и так отлично
Всё очень удобно. Особенно круто, что есть система бонусов и можно выводить остатки денег. Очень много качественных бесплатных файлов.
Отзыв о системе "Студизба"
Отличная платформа для распространения работ, востребованных студентами. Хорошо налаженная и качественная работа сайта, огромная база заданий и аудитория.
Отличный помощник
Отличный сайт с кучей полезных файлов, позволяющий найти много методичек / учебников / отзывов о вузах и преподователях.
Отлично помогает студентам в любой момент для решения трудных и незамедлительных задач
Хотелось бы больше конкретной информации о преподавателях. А так в принципе хороший сайт, всегда им пользуюсь и ни разу не было желания прекратить. Хороший сайт для помощи студентам, удобный и приятный интерфейс. Из недостатков можно выделить только отсутствия небольшого количества файлов.
Спасибо за шикарный сайт
Великолепный сайт на котором студент за не большие деньги может найти помощь с дз, проектами курсовыми, лабораторными, а также узнать отзывы на преподавателей и бесплатно скачать пособия.
Популярные преподаватели
Добавляйте материалы
и зарабатывайте!
Продажи идут автоматически
6887
Авторов
на СтудИзбе
269
Средний доход
с одного платного файла
Обучение Подробнее