Для студентов по предмету Механика жидкости и газа (МЖГ или Гидравлика)Задача 9-5Задача 9-5
5,005471
2015-05-312015-05-31СтудИзба
Задача 9: Задача 9-5 вариант 5
-51%
Описание
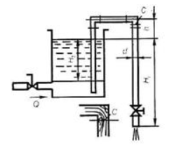
Задача (Куколевский И.И.) 9.5. Определить максимальный расход Q воды, который можно подавать в бак, снабженный сифонной сливной трубой диаметром d = 100 мм и общей длиной L = 10м, если выходное сечение трубы ниже предельного уровня в баке на Н1 = 4 м. Труба имеет два сварных колена (? = 1,3) и вентиль (? = 6,9). Коэффициент сопротивления входа в трубу ?вх = 0,5. Коэффициент сопротивления трения ? = 0,025. Определить вакуум Pв в сечении С, если это сечение выше предельного уровня на h = 1,5 м и длина участка трубы до него Каков будет вакуум в этом сечении, когда уровень в баке понизится на H2 = 2 м? ![]()

Характеристики решённой задачи
Номер задания
Вариант
Программы
Теги
Просмотров
7140
Качество
Идеальное компьютерное
Размер
91,5 Kb
Список файлов
Задача 9-5.doc

Вам все понравилось? Получите кэшбэк - 40 рублей на Ваш счёт при покупке. Поставьте оценку и напишите положительный комментарий к купленному файлу. После Вы получите деньги на ваш счет.
Комментарии

Отзыв
Всё выполнено правильно.