Для студентов МГТУ им. Н.Э.Баумана по предмету Учебно-технологическая практика (УТП)Обработка заготовок точениемОбработка заготовок точением
5,0053
2022-07-102024-08-31СтудИзба
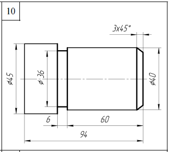
Лабораторная работа 2: Обработка заготовок точением вариант 10
Бестселлер
-52%
Описание
Файлы условия, демо
Характеристики лабораторной работы
Учебное заведение
Семестр
Номер задания
Вариант
Просмотров
21
Качество
Идеальное компьютерное
Размер
1,61 Mb
Список файлов
(1).jpg
(2).jpg
(3).jpg
(4).jpg
(5).jpg

Вам все понравилось? Получите кэшбэк - 40 рублей на Ваш счёт при покупке. Поставьте оценку и напишите положительный комментарий к купленному файлу. После Вы получите деньги на ваш счет.