Для студентов МГТУ им. Н.Э.Баумана по предмету Теория тепломассообменаВариант 20– ДЗ №3 - Лучистый теплообменВариант 20– ДЗ №3 - Лучистый теплообмен
5,0053
2022-02-072022-02-07СтудИзба
ДЗ: Вариант 20– ДЗ №3 - Лучистый теплообмен вариант 20, 12
Описание
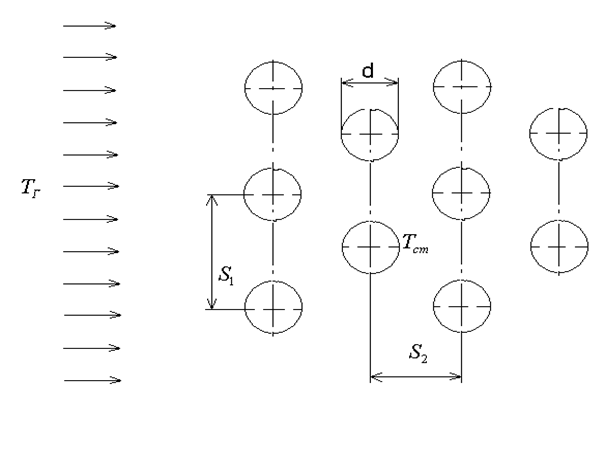
Условие. Шахматный пучок труб теплообменного аппарата находится в среде высокотемпературной газовой смеси.
Известны геометрические характеристики пучка: внешний диаметр труб d и относительные значения шагов по фронту и глубине расположения труб (рис. 1). Длину труб считать неограниченной.
Зная состав смеси в массовых долях , , ее температуру и давление p = 0,0881 МПа, а также среднюю температуру поверхности труб и степень ее черноты , определить:
- лучистый тепловой поток и коэффициент теплоотдачи излучением от газа к поверхности труб;
- влияние геометрических характеристик (для вариантов с 1-го по 15-й) и (для вариантов с 16-го по 30-й) на коэффициент теплоотдачи излучением, если их значения изменяются в диапазоне и .

Характеристики домашнего задания
Предмет
Учебное заведение
Семестр
Просмотров
48
Качество
Идеальное компьютерное
Размер
1,12 Mb
Список файлов
Комментарии
Нет комментариев
Стань первым, кто что-нибудь напишет!
МГТУ им. Н.Э.Баумана
vk_159052589

















