Для студентов МГТУ им. Н.Э.Баумана по предмету Теория обработки металлов давлением (ТОМД) (МТ-6)Анализ влияния характеристик модели и параметров расчета на результаты моделирования обратного выдавливания методом конечных элементовАнализ влияния характеристик модели и параметров расчета на результаты моделирования обратного выдавливания методом конечных элементов
4,96529718
2021-01-162021-01-16СтудИзба
Анализ влияния характеристик модели и параметров расчета на результаты моделирования обратного выдавливания методом конечных элементов
Описание
Анализ влияния характеристик модели и параметров расчета на результаты моделирования обратного выдавливания методом конечных элементов
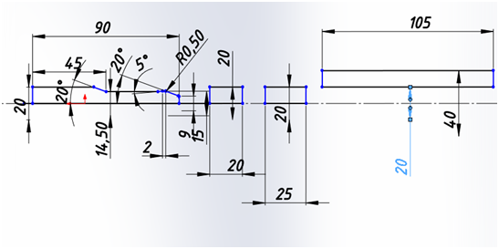
- 1. Создание модели согласно варианту в SOLIDWORKS

- 2. Загрузка модели в QForm, тип задачи – осесимметричная
- 3. Задается материал заготовки
- 4. Создается инструмент со скоростью 1 мм/с (назначается на пуансон)
- 5. Задается смазка
- 6. Первоначальный расчет и сравнение с экспериментальными результатами А.Л. Воронцова
- 7. Результаты расчета учетом упругопластических деформаций
- 8. Сравнение результатов расчета при изменении трения на контакте заготовки и матрицы
- 9. Шаг расчета и параметры его выбора.
- 10. Количество и размер конечных элементов.



- 11. Влияние упругих деформаций
- Выводы
Характеристики домашнего задания
Учебное заведение
Номер задания
Вариант
Программы
Теги
Просмотров
15
Качество
Идеальное компьютерное
Размер
1010,45 Kb
Список файлов
Вариант К-10-15-6-2 - ДЗ №2 - Анализ влияния характеристик модели и параметров расчета на результаты моделирования обратного выдавливания методом конечных элементов
Вариант К-10-15-6-2.docx
Вариант К-10-15-6-2.qform

Вам все понравилось? Получите кэшбэк - 40 рублей на Ваш счёт при покупке. Поставьте оценку и напишите положительный комментарий к купленному файлу. После Вы получите деньги на ваш счет.