Для студентов МГТУ им. Н.Э.Баумана по предмету Теория механизмов и машин (ТММ)Проектирование и исследование механизмов двухступенчатого воздушного компрессораПроектирование и исследование механизмов двухступенчатого воздушного компрессора
5,0051
2025-08-252025-08-25СтудИзба
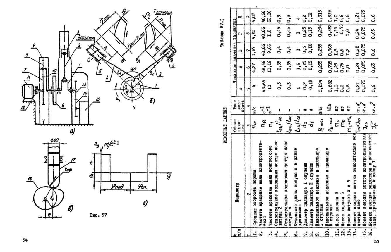
Другое 97: Проектирование и исследование механизмов двухступенчатого воздушного компрессора вариант А
Описание
Курсовая работа по ТММ "Проектирование и исследование механизмов двухступенчатого воздушного компрессора". Вариант 97А. Данный файл не является 100% готовой к сдачи курсовой работой. Данная работа сможет только помочь и направить Вас при выполнении своего курсового проекта.
После покупки рекомендую написать отзыв о работе или связаться с продавцом. Тем самым мы сможем проверить и дослать дополнительные файлы данного проекта.
![]()
После покупки рекомендую написать отзыв о работе или связаться с продавцом. Тем самым мы сможем проверить и дослать дополнительные файлы данного проекта.

Характеристики учебной работы
Тип
Учебное заведение
Семестр
Номер задания
Вариант
Программы
Просмотров
18
Качество
Идеальное компьютерное
Размер
3,8 Mb
Преподаватели
Список файлов
Лист_1.pdf
Лист_2.pdf
Лист_3.pdf
Лист_4.pdf
РПЗ.pdf
В случае проблем - пиши в чат. Буду рад, если ты оставишь положительный отзыв на мою работу!
МГТУ им. Н.Э.Баумана
Qqwerty228














