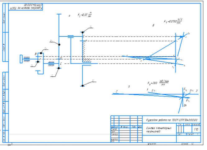
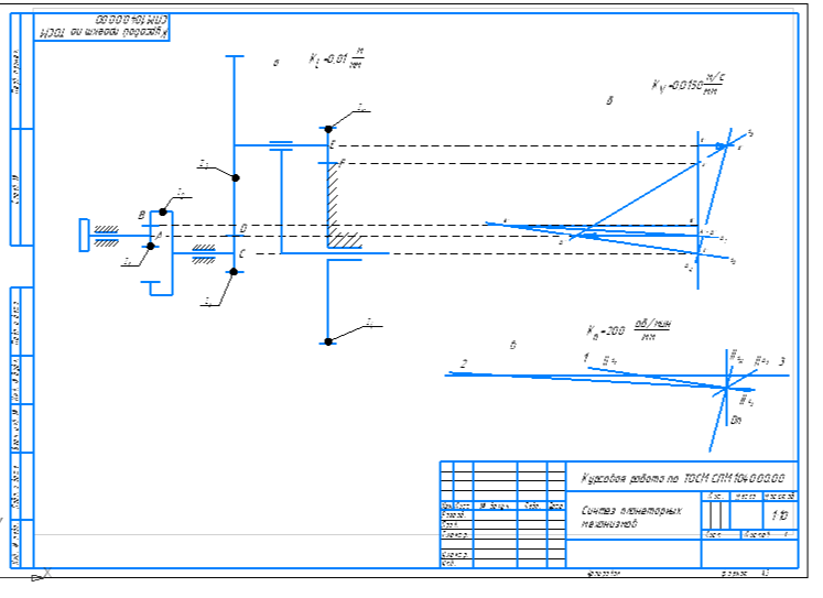
Для студентов КазГАСУ (КИСИ) по предмету Теория механизмов и машин (ТММ)Синтез планетарных механизмовСинтез планетарных механизмов
4,9951063
2023-09-052023-09-05СтудИзба
Синтез планетарных механизмов
Курсовая работа 1040: Синтез планетарных механизмов
Описание
Характеристики курсовой работы
Учебное заведение
Номер задания
Программы
Просмотров
3
Качество
Идеальное компьютерное
Размер
370,43 Kb
Список файлов
Чертежи
1.cdw
Ильясv13.cdw
Ильясv13.cdw.bak
ппп.docx

Спасибо за покупку! Я буду очень рад, если поставишь справедливую оценку купленному файлу