Для студентов МГТУ им. Н.Э.Баумана по предмету Теория механизмов и машин (ТММ)Проектирование и исследование механизмов плунжерного насосаПроектирование и исследование механизмов плунжерного насоса
5,0051
2018-02-012025-04-07СтудИзба
Курсовая работа 36: Проектирование и исследование механизмов плунжерного насоса вариант Г
-50%
Описание
Проектирование и исследование механизмов плунжерного насоса
Оглавление
- Реферат 2
- Техническое задание 4
- 1. Основная часть 9
- 1.1. Определение закона движения механизма. 9
- 1.2. Определение кинематических передаточных функций за цикл работы механизма и построение графиков аналогов скоростей 9
- 1.3. Определение передаточных функций. 11
- 1.4. Определение приведенных моментов инерции 15
- 1.5 Расчет маховика 19
- 1.6 Определение угловой скорости и ускорения звена приведения 20
- 1.7 Определение ускорений 21
- 1.8 Выводы и результаты расчета 21
- 2.Силовой расчет механизма 21
- 2.1 Результаты расчета. 22
- 3. Проектирование зубчатой передачи и планетарного редуктора 23
- 3.1 Расчет параметров 23
- 3.2 Выбор коэффициента смещения реечного инструмента 26
- 3.3. Построение станочного зацепления 29
- 3.4. Построение проектируемой зубчатой передачи 30
- 3.5. Расчет редуктора 31
- 4. Проектирование кулачкового механизма 32
- 4.1. Определение закона движения толкателя 35
- 4.2. Определение основных размеров кулачкового механизма по условию ограничения угла давления 37
- 4.3. Определение формы профиля кулачка 38
- Заключение 38
- Список литературы 39
Реферат
Пояснительная записка к курсовой работе «Проектирование и исследование механизмов плунжерного насоса» содержит 36 страниц машинописного текста, 30 рисунков, 3 таблицы, 2 приложения. Состоит из 4 частей, для написания было использовано 12 источников.Ключевые слова: основной механизм плунжерного насоса; закон движения звена приведения; маховая масса; кинетостатический силовой расчет; цилиндрическая эвольвентная зубчатая передача; трехрядный планетарный механизм; кулачковый механизм.
В пояснительной записке приведено: проектирование основного механизма плунжерного насоса, определение закона движения звена приведения, расчет дополнительной маховой массы, кинетостатический силовой расчет основного рычажного механизма, проектирование цилиндрической эвольвентной зубчатой передачи, проектирование трехрядного планетарного механизма, проектирование кулачкового механизма с силовым замыканием высшей пары.
На первом листе произведено определение закона движения механизма, расчет требуемого момента инерции маховых масс, обеспечивающего заданную неравномерность вращения коленчатого вала двигателя. Приведено аналитическое выражение передаточных функций по скоростям и координатам.
На втором листе произведено исследование силового нагружение кривошипно-ползунного механизма двигателя. Приведены годографы сил в кинематических парах.
На третьем листе проведено проектирование зубчатой передачи привода распределительного вала. Приведена схема зацепления и схема станочного зацепления. Производиться кинематический расчет планетарного редуктора главной передачи.
На четвертом листе произведено конструирование кулачкового механизма масляного насоса по известному закону изменения ускорения. Приведен график угла давления в механизме.
Техническое задание
Плунжерные насосы предназначаются для перекачки различного рода жидкостей. Схема плунжерного насоса представлена на рис. 1.Привод насоса осуществляется от электродвигателя 10 через планетарный редуктор 9 и пару зубчатых колёс Z5 и Z6. C зубчатым колесом Z6 жестко связан кривошипный вал 1 (ось О), движение от которого передаётся на шатун 2, который заставляет колебаться коромысло 3 вокруг оси D. Шатун 4 передаёт движение плунжеру 5 гидравлического цилиндра 6. Шестизвенный механизм OABDС является основным механизмом плунжерного насоса. Рабочий процесс в цилиндре 6 насоса, т.е. всасывание и нагнетание жидкости, осуществляется за двойной ход плунжера 5, чему соответствует один оборот кривошипа 1.

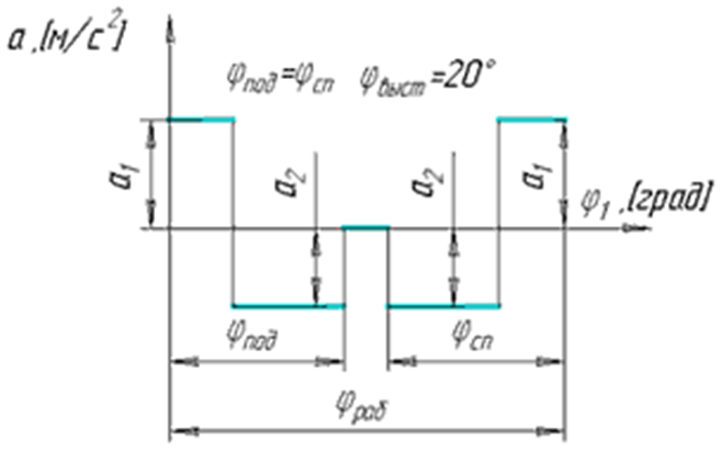
Смазка механизмов насоса выполняется плунжерным масляным насосом кулачкового типа. Кулачок 7 приводит в движение толкатель 8 (плунжер насоса). При проектировании кулачкового механизма необходимо осуществить заданный закон изменения ускорения толкателя (рис. 2).

При проектировании и исследовании механизма плунжерного насоса считать известными параметры, приведенные в таблице 1.
Таб.1
№ п/п | Параметр | Обозначение | Размерность | Значение |
1. | Координаты центра вращения О кривошипа | a b | м м | 0,125 0,225 |
2. | Длина звеньев l3 и l4 | BD | м | 0,190 |
3. | Положение центра тяжести S2 | - | 0,3 | |
4. | Положение центра тяжести S4 | - | 0,35 | |
5. | Крайние положения звена (отсчет от горизонтальной прямой) | g1 g2 | град град | 20 50 |
6. | Диаметр плунжерного насоса | d | м | 0,05 |
7. | Число оборотов кривошипа 1 | N1 | Об/мин | 100 |
8. | Число оборотов вала эл. Двигателя | Ng | Об/мин | 975 |
9. | Давление жидкости в циллиндре при нагнетании (по ходу плунжера - постоянное) | P | Па | 20 106 |
10. | Вес шатуна 2 | G2 | кг | 1.7 |
11. | Вес шатуна 4 | G4 | кг | 1.7 |
12. | Вес ползунка с плунжером | G5 | кг | 4.5 |
13. | Момент инерции шатуна 2 | J2S | кг*м2 | 0,7 |
14. | Момент инерции шатуна 4 | J4S | кг*м2 | 0,55 |
15. | Момент инерции кривошипного вала | J10 | кг*м2 | 0,1 |
16. | Маховой момент электродвигателя | кг*м2 | 0,3 | |
17. | Маховой момент редуктора, колеса Z5 и кулачка, приведенный к валу О | GD2 | кг*м2 | 0,8 |
18. | Коэффициент неравномерности вращения кривошипного вала | d | - | 1/11 |
19. | Координата для силового расчёта | j1 | град | 15 |
20. | Угол рабочего профиля кулачка | dраб | град | 150 |
21. | Ход плунжера масляного насоса | h | м | 0,017 |
22. | Угол давления в кулачковом механизме | aдоп | град | 20 |
23. | Внеосность | e | м | 0,025 |
24. | Соотношение между ускорениями толкателя | - | 2.7 | |
25. | Числа зубьев колёс 5 и 6 | Z5 Z6 | - - | 11 15 |
26. | Модуль зубчатых колёс 5 и 6 | m | м | 4 |
27. | Число сателлитов в редукторе 9 | k | - | 3 |
Чертежи
Лист 1 - Определение закона движения ![]()
Лист 2 - Силовой расчет ![]()
Лист 3 - Проектирование зубчатой передачи ![]()
Лист 4 - Проектирование кулачкового механизма ![]()
Характеристики курсовой работы
Учебное заведение
Семестр
Номер задания
Вариант
Программы
Просмотров
541
Качество
Идеальное компьютерное
Размер
1,28 Mb
Список файлов
Проектирование и исследование механизмов плунжерного насоса
Лист (1).cdw
Лист (2).cdw
Лист (3).cdw
Лист (4).cdw
Маткад - Лист 1-2.xmcd
Маткад - Лист 3 - 1.xmcd
Маткад - Лист 3 - 2.xmcd
Маткад - Лист 4.xmcd
Приложение (1).rtf
Приложение (2).rtf
Приложение (3).rtf
Приложение (4).rtf
РПЗ.docx
Титульный лист.docx

Вам все понравилось? Получите кэшбэк - 40 рублей на Ваш счёт при покупке. Поставьте оценку и напишите положительный комментарий к купленному файлу. После Вы получите деньги на ваш счет.