ДЗ: ДЗ1 - Колебания линейных систем с одной степенью свободы вариант 33
Описание
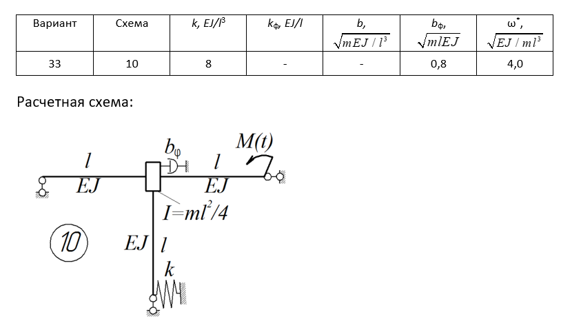
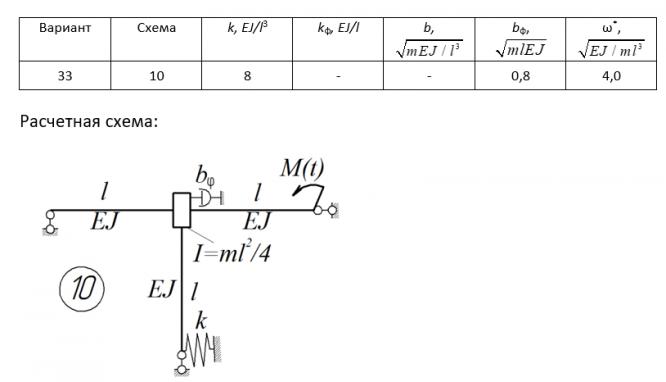
Дано: Расчётная схема, l = 1 м, E = 200 Гпа, J = 1 см4, m = 10 кг, F = F0 cos ωt, M = F0l cos ωt, F0 = 100 Н.
Задание:
1. Вывести ДУ колебаний системы.
2. Найти частоту свободных (линейных или угловых) колебаний системы без учёта (b, bφ = 0) демпфирования, определить частоту свободных колебаний и безразмерный коэффициент затухания в случае учета демпфирования.
3. Построить АЧХ и ФЧХ для колебаний единственной степени свободы для случаев наличия и отсутствия демпфирования; сравнить (линейные или угловые) амплитуды колебаний на заданной частоте возбуждения ω=ω* для двух случаев демпфирования; построить АЧХ для (линейных или угловых) виброскоростей и виброускорений для обоих случаев.
4. Для заданной частоты возбуждения ω=ω* построить эпюру амплитуд изгибающих моментов для случая наличия демпфирования и эпюру в случае статического нагружения; сравнить наибольшие моменты на каждой балке.
5*. Для заданной частоты возбуждения ω=ω* качественно построить вид изогнутой оси для случая наличия демпфирования.
6*. Через интеграл Дюамеля для случая наличия демпфирования построить переходной процесс колебаний системы для заданной частоты ω=ω*; показать его сходимость к частному решению, задаваемому АЧХ и ФЧХ.
7*. Определить наибольшие перемещение, скорость и ускорение единственной степени свободы, сравнить с соответствующими величинами для установившегося движения.
