ДЗ 2: Расчет электрода-инструмента для копировально-прошивочной электроэрозионной обработки вариант 18
Описание
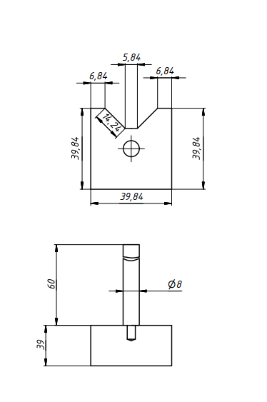
ДЗ сдано и защищено с первого раза. Вариант №18
![]()

Характеристики домашнего задания
Учебное заведение
Семестр
Номер задания
Вариант
Теги
Просмотров
12
Размер
455,02 Kb
Преподаватели
Список файлов
рослякова
ПРОШИВКА.idw
ПРОШИВКА.pdf
дз2 .docx
Комментарии
Нет комментариев
Стань первым, кто что-нибудь напишет!
МГТУ им. Н.Э.Баумана
vk_154348585


















