Для студентов МГТУ им. Н.Э.Баумана по предмету Теория физико-химических методов обработкиОпределение режимов и расчет электрода-инструмента для копировально-прошивочной электроэрозионной обработкиОпределение режимов и расчет электрода-инструмента для копировально-прошивочной электроэрозионной обработки
5,0052
2023-09-042023-09-04СтудИзба
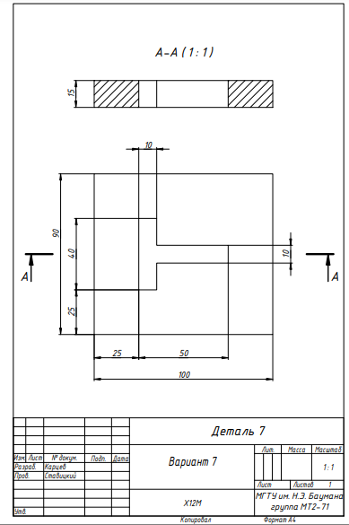
ДЗ 2: Определение режимов и расчет электрода-инструмента для копировально-прошивочной электроэрозионной обработки вариант 7
Описание
- Домашнее задание № 2 по "Теория электрических и физико-химических методов обработки" ("ТФХМО")
Исходные данные:
Чертеж см. ниже.
Материал – Х12М, HRC – 58, Ra = 2,5 мкм.

- Файлы содержат готовое ДЗ в Word с титульником, все необходимые расчеты, исходники чертежей и моделей. Все верно и зачтено!
Характеристики домашнего задания
Учебное заведение
Семестр
Номер задания
Вариант
Просмотров
61
Качество
Идеальное компьютерное
Размер
1,81 Mb
Преподаватели
Список файлов
ТФХМО ДЗ № 2 (Вариант 7).docx
ТФХМО ДЗ № 2 (Вариант 7).pdf
Чертеж.dwg
Чертеж.pdf
Комментарии
Нет комментариев
Стань первым, кто что-нибудь напишет!
МГТУ им. Н.Э.Баумана
kinder



















