Для студентов СПбПУ Петра Великого по предмету Теория вычислительных системРасчет электрических цепей в Matlab и SimulinkРасчет электрических цепей в Matlab и Simulink
5,0053216
2024-04-232024-04-23СтудИзба
Курсовая работа: Расчет электрических цепей в Matlab и Simulink
Описание
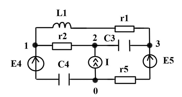
Формулировка задания
В задании 5 пунктов:
![]()
В задании 5 пунктов:
- Расчёт токов и напряжений в цепи методом узловых потенциалов
- Расчёт токов и напряжений в цепи методом контурных токов
- Расчёт тока через C3 методом эквивалентного генератора напряжения
- Проверка баланса мощностей
- Построение векторных диаграмм токов в узле I и напряжений в контуре

Характеристики курсовой работы
Предмет
Учебное заведение
Просмотров
1
Качество
Идеальное компьютерное
Размер
672,59 Kb
Список файлов
Курсовая 2. Расчет электрических цепей в Matlab и Simulink.docx

Если нужен другой вариант работы или отдельная задача из любой работы, пишите в комментарии