Для студентов МГТУ им. Н.Э.Баумана по предмету Теоретические основы вакуумной техники (ТОВТ-Э5)ДЗ №3 - Определение проводимости элемента вакуумной системы методом статистического моделирования. Рассчитать проводимость сложного трубопровода, опреДЗ №3 - Определение проводимости элемента вакуумной системы методом статистического моделирования. Рассчитать проводимость сложного трубопровода, опре
5,0058
2023-05-032023-05-03СтудИзба
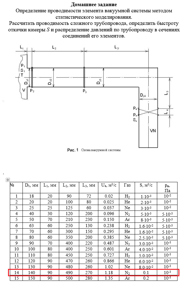
ДЗ №3 - Определение проводимости элемента вакуумной системы методом статистического моделирования. Рассчитать проводимость сложного трубопровода, определить быстроту откачки камеры S и распределение давлений по трубопроводу в сечениях соединений его
Бестселлер
Описание
ДЗ ЗАЧТЕНО Свичкарь Е. В. (Э5)
ВЫПОЛНЕНО В MathCAD 15 (УНИВЕРСАЛЬНО ДЛЯ ВСЕХ ВАРИАНТОВ)
УСЛОВИЕ (Варианты) ПОДРОБНЕЕ В РАЗДЕЛЕ "ДЕМО"
ДЕМО


Определение проводимости элемента вакуумной системы методом статистического моделирования. Рассчитать проводимость сложного трубопровода, определить быстроту откачки камеры Sи распределение давлений по трубопроводу в сечениях соединений его элементов..
Файлы условия, демо
Характеристики домашнего задания
Учебное заведение
Семестр
Вариант
Программы
Просмотров
125
Качество
Идеальное компьютерное
Размер
1,46 Mb
Преподаватели
Список файлов
0.JPG
DZ3 TOBT.doc
расчет.xmcd
Титульный лист ТОВТ.docx

Если работа Вам была полезна, Пожалуйста, потратьте несколько секунд, чтобы оставить нам 5 ЗВЁЗД и положительный отзывы. Мы Вам глубоко признателены!