Для студентов ГИТР по предмету Теоретические основы электротехники (ТОЭ)Любая задача по ТОЭЛюбая задача по ТОЭ
5,0055
2023-03-222025-05-14СтудИзба
Услуга: Любая задача по ТОЭ в ГИТР
Описание
Задали в ГИТР подобную задачу по ТОЭ и по какой-то причине не получается сделать самому?
Доверь это профессионалам! Всего в течение 5-ти суток у тебя будет полное решение задачи по ТОЭ!

Как заказать решение задачи по ТОЭ в ГИТР по самой низкой цене
- Нужно ли подробное объяснение каждого шага в решении?
- Выбери нужно ли оформление задачи по ТОЭ на заказ в Microsoft Word или PDF в ГИТР.
- Нужна только одна решённая задача по ТОЭ или несколько?
- Узнай полную стоимость задачи по теоретическим основам электротехники мгновенно и оплачивай.
- Пришли условие задачи после оплаты.
В течение трёх суток мы пришлём полное решение задачи для ГИТР по теоретическим основам электротехники с учётом всех пожеланий. После этого будет 7 суток при обычной гарантии или 30 суток в случае расширенной гарантии на любые доработки по этой задаче по ТОЭ.
Если вдруг по какой-то причине не будет результата - гарантируем полный возврат!
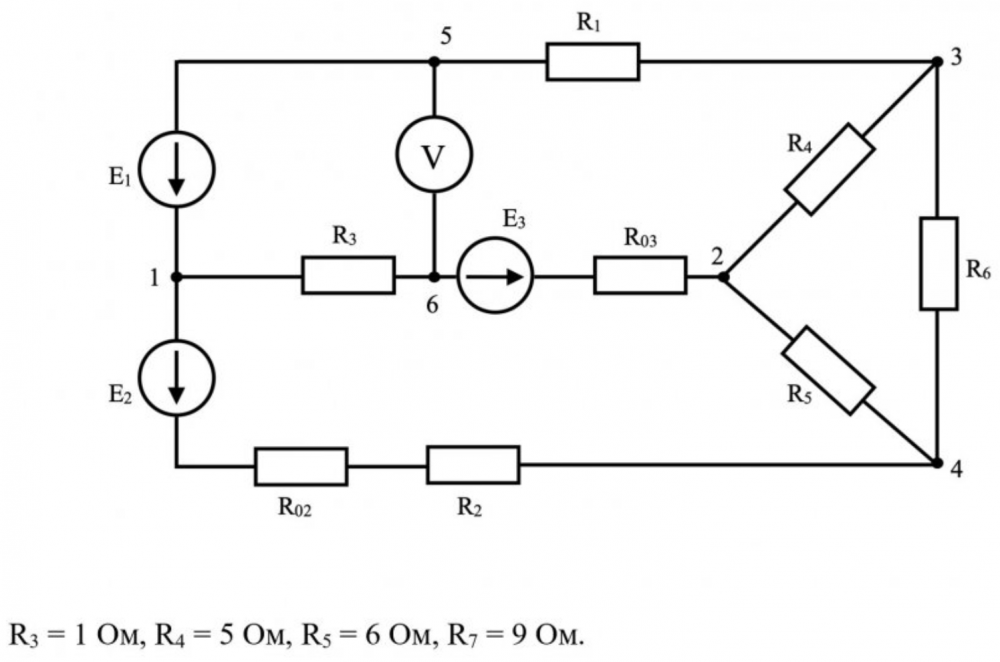
Пример задачи по ТОЭ, которую мы решаем для студентов ГИТР в рамках этой услуги

- Определить количество ветвей, узлов и контуров.
- Составить уравнения по первому и второму законам Кирхгофа, рассчитать токи в ветвях.
- Определить токи всех ветвей методом контурных токов.
- Определить токи всех ветвей методом узловых потенциалов.
- Составить и рассчитать баланс мощностей.
- Определить ток в ветви с сопротивлением R6 методом эквивалентного генератора.
- Определить показания приборов.
- Построить потенциальную диаграмму.
- Собрать схему в среде MULTISIM. Поставить приборы и измерить токи во всех ветвях, напряжение.
- Определить ток в ветви R6 методом эквивалентного генератора в среде MULTISIM.
- Сделать выводы.
Принимаем заказы на решение задач по ТОЭ для ГИТР на следующие темы
- Элементы и параметры электрических цепей, основные методы расчета электрических цепей
- Расчет цепей с синусоидальными напряжениями и токами
- Резонанс в цепях синусоидального тока
- Линейные электрические цепис взаимной индуктивностью
- Двухобмоточный трансформатор в линейном режиме
- Электрические цепи с источниками несинусоидальных периодических напряжений и токов
- Трехфазные цепи
- Метод симметричных составляющих
- Расчет линейной цепи постоянного тока
- Расчет линейной цепи синусоидального тока
- Расчет линейной электрической цепи с периодическими негармоническими напряжениями и токами
- Расчет линейной трехфазной цепи
- И многие другие!
Эксперты услуги
Эксперт | Рейтинг |
---|---|
![]() | 4,99 |
![]() | 5,00 |
![]() | 5,00 |
Что дальше?
- Оплатите услугу
- Пришлите задания и дополнительные условия
- В течение 2 суток будет выбран эксперт
- Вы сможете обсудить любые вопросы с исполнителем напрямую
- Получите результат!
Любая задача по ТОЭ в других вузах


























Характеристики решённой задачи
Учебное заведение
Просмотров
344
Качество
Фото рукописных листов
Срок выполнения
5 суток