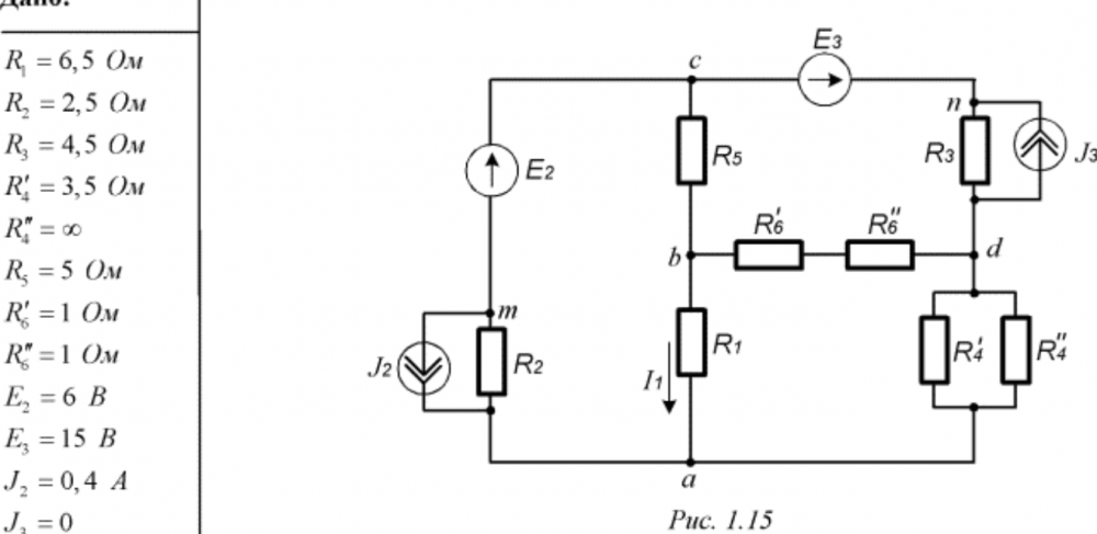
Задача 1.1: Линейные электрические цепи постоянного тока вариант 21
Новинка
Описание

Характеристики решённой задачи
Учебное заведение
Номер задания
Вариант
Теги
Просмотров
2
Размер
358,59 Kb
Преподаватели
Список файлов
21.pdf
Комментарии
Нет комментариев
Стань первым, кто что-нибудь напишет!
ВГИК в г. Сергиев Посад
















