Услуга: Цепи постоянного тока, все задачи
Описание
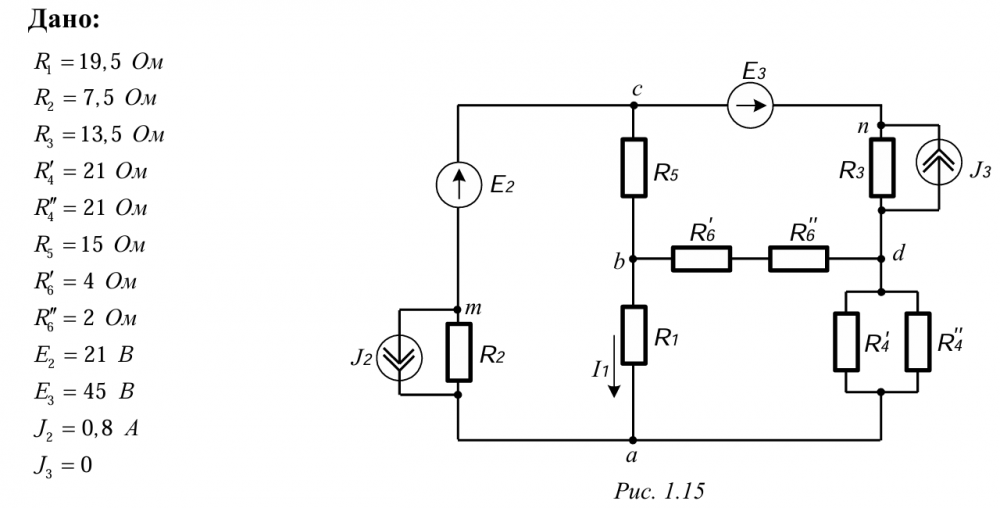
составим СЛАУ по уравнениям Кирхгофа
решим методом контурных токов
Определим токи во всех ветвях схемы методом узловых потенциалов
составим баланс мощностей
решим методом эквивалентного генератора
построим потенциальную диаграмму
![]()
решим методом контурных токов
Определим токи во всех ветвях схемы методом узловых потенциалов
составим баланс мощностей
решим методом эквивалентного генератора
построим потенциальную диаграмму

Характеристики решённой задачи
Учебное заведение
Семестр
Просмотров
18
Срок выполнения
3 суток
Преподаватели
Комментарии
Нет комментариев
Стань первым, кто что-нибудь напишет!
ВГИК в г. Сергиев Посад
















