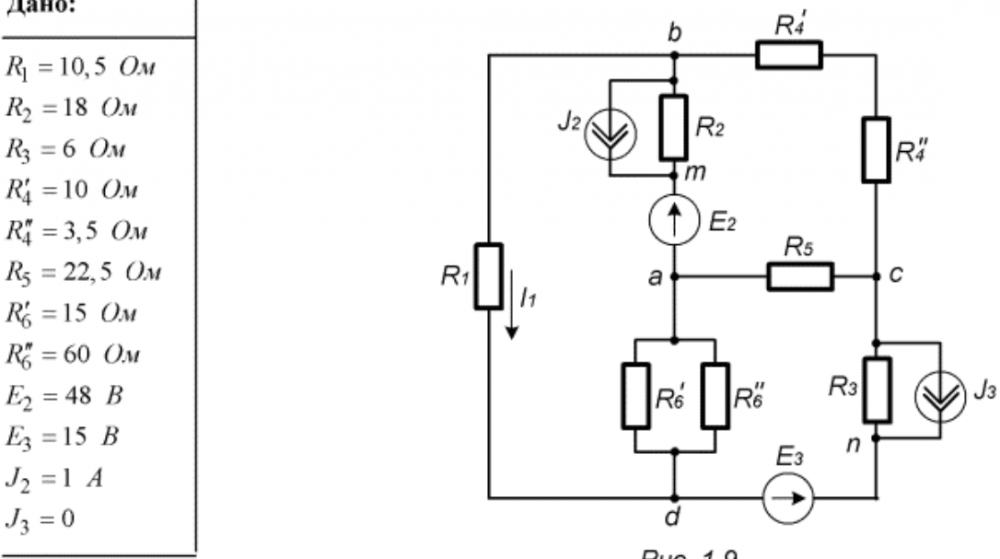
Задача 1.1: Линейные электрические цепи постоянного тока вариант 11
Новинка
Описание

Файлы условия, демо
Характеристики решённой задачи
Учебное заведение
Номер задания
Вариант
Теги
Просмотров
3
Размер
355,21 Kb
Преподаватели
Список файлов
11.pdf
Комментарии
Нет комментариев
Стань первым, кто что-нибудь напишет!
ВГИК в г. Сергиев Посад
















