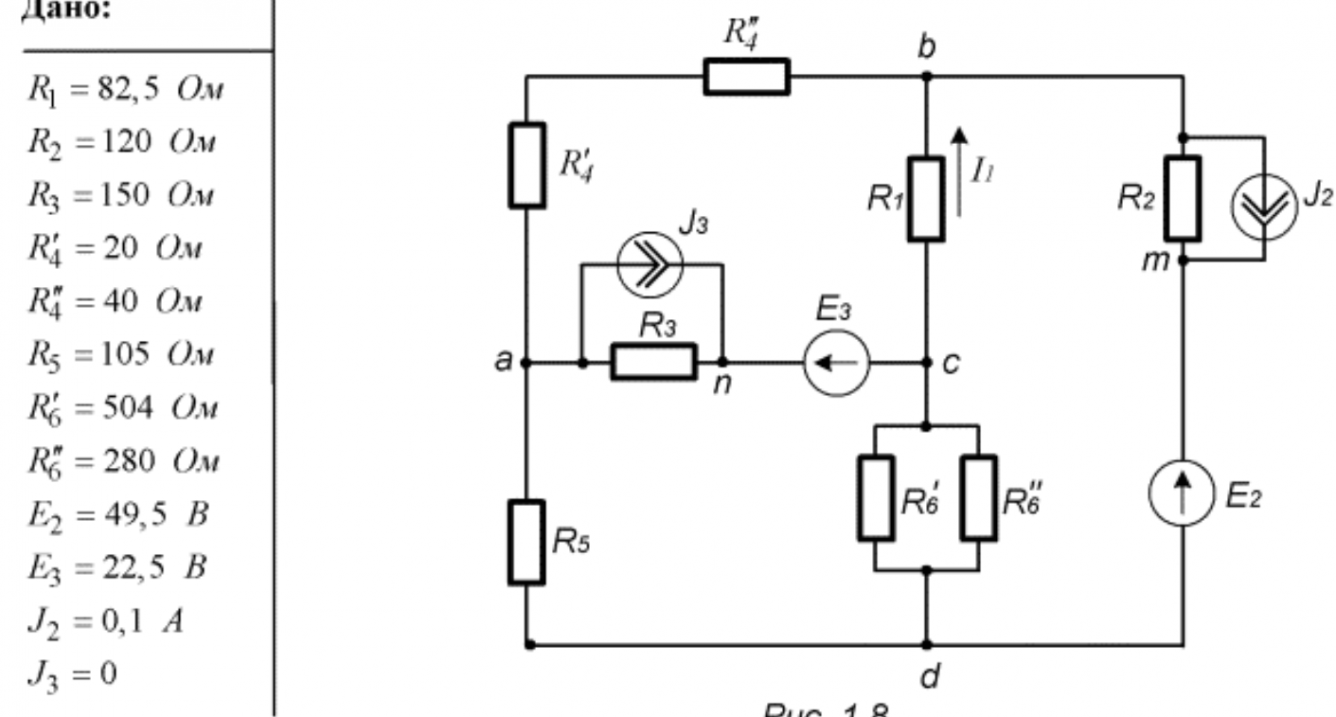
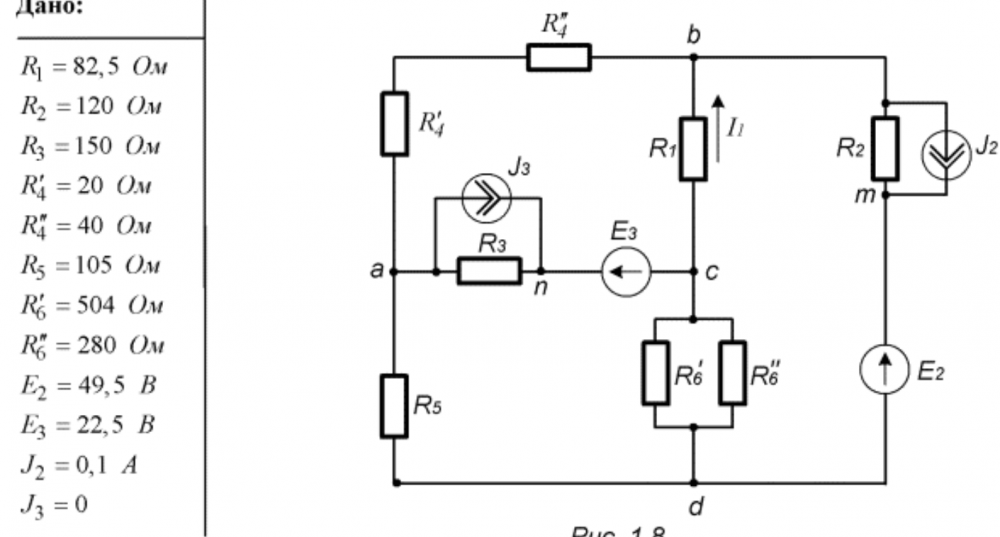
Задача 1.1: Линейные электрические цепи постоянного тока вариант 9
Новинка
Описание
Файлы условия, демо
Характеристики решённой задачи
Учебное заведение
Номер задания
Вариант
Теги
Просмотров
3
Размер
320,49 Kb
Преподаватели
Список файлов
9.pdf
Комментарии
Нет комментариев
Стань первым, кто что-нибудь напишет!
ВГИК в г. Сергиев Посад
















