Для студентов по предмету Теоретические основы электротехники (ТОЭ)В схеме транзистор находится в состоянии насыщенияВ схеме транзистор находится в состоянии насыщения
5,0053273
2025-06-252025-06-25СтудИзба
Задача: В схеме транзистор находится в состоянии насыщения
Описание
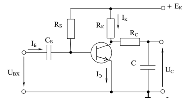
В схеме транзистор находится в состоянии насыщения, а конденсатор C разряжен. Значения RК, С, t1, RС и EК приведены в таблице. В момент времени t = 0 транзистор запирается отрицательным импульсом длительностью t1 , а затем вновь входит в состояние насыщения.
Написать формулу, в соответствии с которой изменяется напряжение на конденсаторе, когда транзистор не пропускает ток. Найти напряжение на конденсаторе в момент времени t = t1 . Написать формулу, в соответствии с которой изменяется напряжение на конденсаторе при t > t1 . Начертить график зависимости напряжения на конденсаторе от времени
![]()
Написать формулу, в соответствии с которой изменяется напряжение на конденсаторе, когда транзистор не пропускает ток. Найти напряжение на конденсаторе в момент времени t = t1 . Написать формулу, в соответствии с которой изменяется напряжение на конденсаторе при t > t1 . Начертить график зависимости напряжения на конденсаторе от времени

Вариант | | |||||
RК, кОм | | С, мкФ | t1, мс | RС, кОм | EК, В | |
5 | 2,5 | | 1,0 | 1,5 | 0,75 | 10 |
Характеристики решённой задачи
Просмотров
1
Качество
Идеальное компьютерное
Размер
103,69 Kb
Список файлов
задача.docx

Если нужен другой вариант работы или отдельная задача из любой работы, пишите в комментарии