Для студентов по предмету Теоретические основы электротехники (ТОЭ)Расчет трехфазной цепиРасчет трехфазной цепи
5,0053273
2025-05-212025-05-21СтудИзба
Задача: Расчет трехфазной цепи
Описание
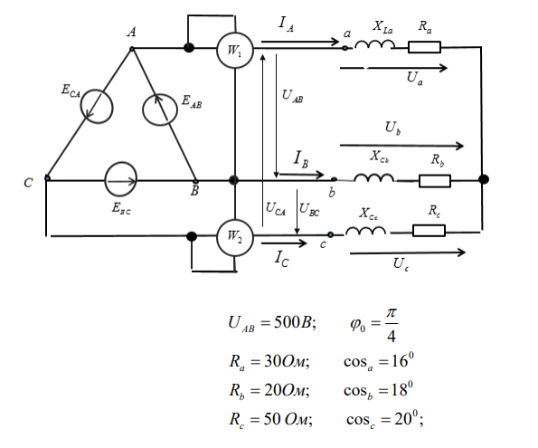
Задача Э.Ц.-3 Расчет трехфазной цепи. В трехфазную сеть включены однофазные приемники, которые образуют симметричную и несимметричную нагрузки. Задание 1. Составить расчетную схему включения приемников. 2. Составить схему включения ваттметров для измерения активной мощности. 3. Определить линейные токи. 4. Построить векторные диаграммы электрического состояния цепи. 5. Определить потребляемую полную, активную и реактивную мощности приемников.
![]()

Характеристики решённой задачи
Просмотров
1
Качество
Идеальное компьютерное
Размер
283,96 Kb
Список файлов
variant-93-4-8.pdf

Если нужен другой вариант работы или отдельная задача из любой работы, пишите в комментарии