Для студентов УрФУ им. Ельцина по предмету Теоретические основы электротехники (ТОЭ)Расчет трехфазной электрической цепиРасчет трехфазной электрической цепи
5,0053241
2025-05-052025-05-05СтудИзба
Задача: Расчет трехфазной электрической цепи
Описание
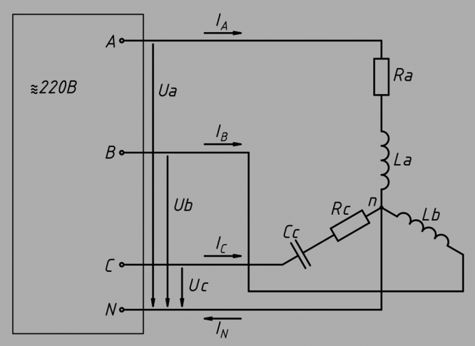
Схема заданной трехфазной цепи приведена на рисунке 1:
Рисунок 1 – Развёрнутая схема заданной трехфазной эклектической цепи
Параметры элементов и электрической цепи:
Ra – 10 Ом;
La – 31,83 мГн;
Lb – 63,66 мГн;
Rc – 18 Ом;
Cc – 106,1 мкФ;
Uном. = 220 В;
Частота сети f = 50 Гц.

Рисунок 1 – Развёрнутая схема заданной трехфазной эклектической цепи
Параметры элементов и электрической цепи:
Ra – 10 Ом;
La – 31,83 мГн;
Lb – 63,66 мГн;
Rc – 18 Ом;
Cc – 106,1 мкФ;
Uном. = 220 В;
Частота сети f = 50 Гц.
Характеристики решённой задачи
Учебное заведение
Просмотров
3
Качество
Идеальное компьютерное
Размер
133,95 Kb
Список файлов
otchet-k-rgr-3faz.docx

Если нужен другой вариант работы или отдельная задача из любой работы, пишите в комментарии