Для студентов по предмету Теоретические основы электротехники (ТОЭ)Рассчитать комплексную передаточную функциюРассчитать комплексную передаточную функцию
5,0053104
2025-01-312025-01-31СтудИзба
Задача: Рассчитать комплексную передаточную функцию
Описание
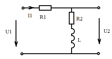
Рассчитать комплексную передаточную функцию. Построить АЧХ и ФЧХ комплексной передаточной функции.
R1=100 Ом;
R2=100 Ом;
L=0,1 Гн.
![]()
R1=100 Ом;
R2=100 Ом;
L=0,1 Гн.

Характеристики решённой задачи
Просмотров
3
Качество
Идеальное компьютерное
Размер
112,65 Kb
Список файлов
Пример 4.docx

Если нужен другой вариант работы или отдельная задача из любой работы, пишите в комментарии