Для студентов СамГТУ по предмету Теоретические основы электротехники (ТОЭ)В цепь переменного тока частотой 50 ГцВ цепь переменного тока частотой 50 Гц
5,0053248
2024-08-162024-08-16СтудИзба
Задача 2: В цепь переменного тока частотой 50 Гц вариант 1
Описание
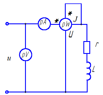
В цепь переменного тока частотой 50 Гц (рис. 2, табл. 2) включена катушка, обладающая активным сопротивлением r и индуктивным сопротивлением XL. К цепи приложено напряжение. Определить показания измерительных приборов, включенных в цепь, а также реактивную и полную мощности цепи. Построить схему замещения цепи для комплексных значений, треугольник сопротивлений и векторную диаграмму тока и напряжений. Определить коэффициент мощности.
Есть все задачи и все варианты, смотрите в моих учебных материалах

Файлы условия, демо
Характеристики решённой задачи
Учебное заведение
Номер задания
Вариант
Просмотров
1
Качество
Фото печатных листов
Размер
346 Kb
Список файлов
Вариант 01 - Задача 02 - (Грачев, 2010).doc

Если нужен другой вариант работы или отдельная задача из любой работы, пишите в комментарии