Для студентов СамГТУ по предмету Теоретические основы электротехники (ТОЭ)Для приведенной схемы определитьДля приведенной схемы определить
5,0053244
2024-05-272024-05-27СтудИзба
Задача: Для приведенной схемы определить вариант 15
Описание
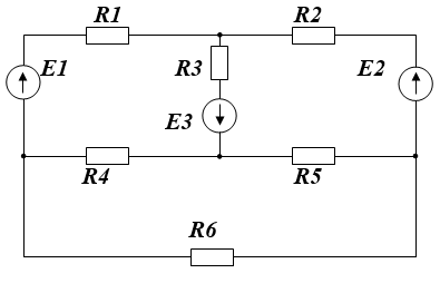
Для приведенной схемы определить:
1. Токи в ветвях с применением 1 и 2 законов Кирхгофа;
2. Токи в ветвях методом контурных токов.
Другие варианты смотрите в моих учебных материалах
1. Токи в ветвях с применением 1 и 2 законов Кирхгофа;
2. Токи в ветвях методом контурных токов.

Файлы условия, демо
Характеристики решённой задачи
Учебное заведение
Вариант
Программы
Просмотров
1
Качество
Скан печатных листов
Размер
422 Kb
Список файлов
Вариант 15 - К.р. №1 (Галимова, 2010).doc

Если нужен другой вариант работы или отдельная задача из любой работы, пишите в комментарии