Для студентов по предмету Теоретические основы электротехники (ТОЭ)В схеме известны напряжение U=20В на входе, активная мощность P=100Вт, потребяемая цепью, частота тока f=25Гц. В неразветвленной части цепи ток при раВ схеме известны напряжение U=20В на входе, активная мощность P=100Вт, потребяемая цепью, частота тока f=25Гц. В неразветвленной части цепи ток при ра
5,0056
2022-04-202022-04-20СтудИзба
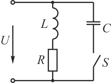
В схеме известны напряжение U=20В на входе, активная мощность P=100Вт, потребяемая цепью, частота тока f=25Гц. В неразветвленной части цепи ток при разомкнутом ключе S равен I1= 10А, а при замкнутом ключе I2=8А. Рассчитать сопротивление резистора R,
Описание
В схеме известны напряжение U=20В на входе, активная мощность P=100Вт, потребяемая цепью, частота тока f=25Гц. В неразветвленной части цепи ток при разомкнутом ключе S равен I1= 10А, а при замкнутом ключе I2=8А. Рассчитать сопротивление резистора R, индуктивность катушки L и емкость конденсатора C.
Характеристики решённой задачи
Программы
Просмотров
43
Качество
Идеальное компьютерное
Размер
57,21 Kb
Список файлов
Задача.docx
