Для студентов по предмету Теоретические основы электротехники (ТОЭ)В сеть с напряжением u=Umsin(314t+φ0) включена цепь, состоящая из смешанного соединения элементов. Определить символическим методом токи во всех ветвяВ сеть с напряжением u=Umsin(314t+φ0) включена цепь, состоящая из смешанного соединения элементов. Определить символическим методом токи во всех ветвя
5,0053
2022-04-202022-04-20СтудИзба
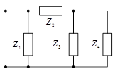
В сеть с напряжением u=Umsin(314t+φ0) включена цепь, состоящая из смешанного соединения элементов. Определить символическим методом токи во всех ветвях, ток от источника, активную, реактивную и полную мощности всей цепи. Um=100 В, φ0=30º, Z1=40 Ом,
Описание
В сеть с напряжением u=Umsin(314t+φ0) включена цепь, состоящая из смешанного соединения элементов. Определить символическим методом токи во всех ветвях, ток от источника, активную, реактивную и полную мощности всей цепи.
Um=100 В, φ0=30º, Z1=40 Ом, Z2=-j40 Ом, Z3=-j10 Ом, Z4=40 Ом.
Характеристики решённой задачи
Программы
Просмотров
25
Качество
Идеальное компьютерное
Размер
332 Kb
Список файлов
Задача.doc
